8 October 2025
A meeting of the Cumberland Local Planning Panel will be held at 11:30am at the Zoom on Wednesday, 8 October 2025. Business as below:
Yours faithfully
Peter J. Fitzgerald
General Manager
ORDER OF BUSINESS
1. Receipt of Apologies
2. Confirmation of Minutes
3. Declarations of Interest
4. Address by invited speakers
5. Reports:
- Development Applications
6. Closed Session Reports
8 October 2025
CONTENTS
Report No. Name of Report Page No.
Development Applications
ELPP020/25 Review Application - 5 Irwin Place, Wentworthville........................................ 5
ELPP021/25 Development Application -77 Warren Road, Woodpark............................ 233
ELPP022/25 Development Application - 297-301 & 305A Parramatta Road, Auburn. 319
ELPP023/25 Development Application - 459 Guildford Road, Guildford....................... 441
ELPP024/25 Development Application - 2-4 Gilba Road, Pendle Hill............................ 553
ELPP025/25 Development Application - 150 Hawkesbury Road, Westmead............... 751
ELPP026/25 Development application - 66 Irrigation Road, Merrylands....................... 911
8 October 2025
Item No: ELPP020/25
Review Application - 5 Irwin Place, Wentworthville
Directorate: Environment and Planning
Responsible Officer: Executive Manager City Planning and Development
|
Application lodged |
14 July 2025. |
|
Applicant |
I Wang. |
|
Owner |
Zhang Wealth Investment Pty Ltd. |
|
Application No. |
REV2025/0006. |
|
Description of Land |
5 Irwin Place Wentworthville. Lot 6 in DP 239558. |
|
Proposed Development |
Section 8.2 Review of the refusal of DA2024/0515 for the demolition of the existing structures and construction of a five (5) storey co-living housing development comprising of 30 single rooms over basement parking including external building changes and reconfiguration of the basement parking and internal layout. |
|
Site Area |
627.90 sqm. |
|
Zoning |
R4 High Density Residential. |
|
Disclosure of political donations and gifts |
Nil disclosure. |
|
Cost of works |
$3,984,000. |
|
Heritage |
Not Heritage Listed nor within a Heritage Conservation Area. |
|
Principal Development Standards |
Minimum Lot Size - Housing SEPP 2021 Cl.69(1)(b)(ii) Permissible: 800sqm. Proposed: 627.9sqm.
Floor Space Ratio - Cumberland LEP 2021 Cl.4.4 Permissible: 1.5:1 + 10% Housing SEPP 2021 bonus = 1.65:1. Proposed: 1.6:1.
Height of Buildings - Cumberland LEP 2021 Cl.4.3 Permissible: 15m. Proposed: 16.008m. |
|
Issues |
Minimum lot size. Rear setback. Building separation. Height of building. Building envelope. Basement parking design. Submissions. |
Summary:
1. Review Application 2025/0006 was lodged on the 14 July 2025 being a Section 8.2 Review of the Refusal of DA2024/0515 for the demolition of the existing structures and construction of a five (5) storey co-living housing development comprising of 30 single rooms over basement parking including external building changes and reconfiguration of the basement parking and internal layout.
2. The application was publicly notified to occupants and owners of the adjoining properties for a period of 14 days between 24 July 2025 and 7 August 2025. In response, 10 submissions were received.
3. The subject site is not listed as a heritage item nor located within the heritage conservation area in the Cumberland Local Environmental Plan 2021.
4. The variations are as follows:
|
Required |
Provided |
% variation |
|
|
SEPP (Housing) 2021
Cl.69(1)(b)(ii) Minimum lot size. |
800sqm |
627.9sqm |
21.51% (172.1sqm) |
|
SEPP (Housing) 2021
Cl.69(2)(a)(ii) Building setbacks. |
RearSetbac k: 12.48m. |
Rear Setback: 6.01m. |
48.16% or 6.47m. |
|
SEPP (Housing) 2021
Cl.69(2)(b) Building separation. |
GF up to Level 3 - 6m separation between habitable space or balconies.
Level 4 and above - 4.5m separation between non-habitable spaces.
- 9m separation between habitable space or balconies. |
GF up to Level 3 Habitable rooms - 3.2m to eastern boundary.
Level 4 Non-habitable windows - 3.2m to eastern boundary.
Habitable room windows - 3.2m to eastern boundary. |
46.67% (2.8m)
28.89% (1.3m)
64.44% (5.8m) |
|
Cumberland LEP 2021
Cl. 4.3 Height of building. |
Maximum 15m. |
Lift overrun - 16.008m
|
6.72% (1.008m)
|
|
Cumberland DCP 2021
Part B3 Section 3.1 Building Envelope. |
Minimum 24m street frontage. |
18.2m lot width at the front building line. |
24.17% (5.8m) |
|
Cumberland DCP 2021
Part B3 Section 3.2 Basement design and
Part G3 Section 4.3 Basement Parking |
Basement walls located under the building and basement walls 1.2m from boundary.
Basement parking within building footprint. |
Basement outside building footprint. |
100% (Nil) |
|
Cumberland DCP 2021
Part G3 Section 4.3 Basement parking. |
Basement, driveways, access/ramps be designed in accordance with AS2890. |
Basement not properly designed. |
100% |
5. The application is referred to the Panel as the proposal is considered to be contentious development, contravenes a development standard by more than 10% and 10 unique submissions were received.
6. The application is recommended for deferred commencement approval subject to conditions as recommended in the Council’s assessment report.
Report:
Subject Site and Surrounding Area
The subject site forms Lot 6 in DP 239558 and is identified as 5 Irwin Place, Wentworthville. A single storey older style dwelling currently occupies the site.
The site is an irregular shaped allotment located on the northern side of Irwin Place. The site has a frontage of 13.715m and has a site area of 627.9 sqm. The subject site is zoned R4 High Density Residential under the Cumberland Local Environmental Plan 2021 (Cumberland LEP 2021).
Irwin Place Park is located to the north and west and a 5 storey residential apartment building lies to the east. Land to the south is zoned R2 Low Density Residential where a number of single and 2 storey dwelling houses exist.
The location of the site is shown below edged in yellow.

Figure 1 - Locality Plan of subject site highlighted in yellow [Source: Intramap]

Figure 2 - Aerial view of subject site highlighted in yellow [Source: Nearmap]

Figure 3 - Street view of subject site as seen from Irwin Place
Description of The Development
Council has received a Section 8.2A Review application for the demolition of existing structures and construction of a 5 storey co-living housing development comprising of 30 single rooms over basement car parking. The detailed breakdown of the proposal is shown below:
· Demolition of all existing structures including the single storey dwelling, vehicular crossing and associated handstand surfaces. Removal of 7 trees with a maximum height of 17.5m including 4 trees within the subject site and 3 trees within the adjoining public open space.
· Construction works as follows:
|
Level |
Details |
|
Basement Level |
- 6 x car parking spaces (inclusive of 1 accessible car parking space). - 10 x bicycle spaces and 6 x motorcycle spaces. - Lift and staircase. - Bulk waste room. - MSR room. |
|
Ground Floor |
- Entry lobby. - 3 rooms each with an ensuite and space for a kitchenette (inclusive of 1 x manager’s room). - 1 x communal living area with water closet and kitchenette. - 1 x common laundry room. - Lift and staircase. - Bin storage area. - Communal open space at the rear. - Stairs and ramp providing access to the rear communal open space from the communal living room. - Substation to the front of the site. - Vehicular access ramp to the basement level with waiting bay. |
|
Level 1 to 3. |
- 7 rooms each level with all rooms having an ensuite and a kitchenette. - 1 communal living area with water closet and kitchenette. - 1 common laundry room. - Lift and staircase. |
|
Level 4 |
- 6 rooms each with an ensuite and a kitchenette. - 1 communal living area with water closet and kitchenette with a balcony facing north. - 1 x common laundry room. - Lift and staircase. |
History
|
Application No. |
Proposal |
Determination |
Date |
|
PL2023/0077 |
Construction of a 40 room boarding house with basement parking. |
Minutes issued. |
08/02/2024 |
|
DA2024/0515 |
Demolition of existing structures and construction of a five (5) storey co-living housing development comprising of 30 single rooms over basement car parking. |
Refused by Cumberland Local Planning Panel. |
07/05/2025 |
Applicants Supporting Statement
The applicant has provided a s8.2 Review - Statement of Environmental Effects dated 10 July 2025 prepared by Planning Ingenuity which was received by Council on the 10 July 2025 in support of the application.
Contact With Relevant Parties
The assessing officer has undertaken a site inspection of the subject site and surrounding properties and has been in regular contact with the applicant throughout the assessment process.
Internal Referrals
Development Engineering
The Review application was referred to Council’s Development Engineer for comment who has advised that the proposal is considered satisfactory subject to conditions to amend the basement, ramp gradient and access design to comply with AS2890.1.
Environmental Health
The Review application was referred to Council’s Environmental Health Officer for comment who has advised that the acoustic report and plan of management are considered satisfactory subject to condition.
Public Spaces Planning and Design
The Review application was referred to Council’s Parks and Open Space Officer for comment who has advised that the development proposal is satisfactory and therefore can be supported subject to recommended conditions of consent.
Tree Management
The Review application was referred to Council’s Landscape and Tree Officer for comment who has advised that the development remains satisfactory subject to conditions.
Waste Management
The Review application was referred to Council’s Waste Management Officer for comment who has advised that the development proposal is supported subject to conditions.
External Referrals
Endeavour Energy
The Review application was referred to Endeavour Energy for comment who has advised that the development proposal is supported subject to conditions.
Sydney Water
The Review application was referred to Sydney Water for comment who has advised that the development proposal is satisfactory and therefore can be supported subject to recommended conditions of consent.
Planning Comments
The provisions of any Environmental Planning Instruments (EP&A Act s4.15 (1)(a)(i))
Part 8 Reviews and appeals
|
Division 8.2 Reviews |
Comments |
|
Section 8.2(1)(a) the determination of an application for development consent by a council, by a local planning panel, by a Sydney district or regional planning panel or by any person acting as delegate of the Minister (other than the Independent Planning Commission or the Planning Secretary), |
The applicant has made a request to review the determination of Development Application DA2024/0515 in the correct format.
Council will be the determining authority for the purpose of the Review application.
|
|
Section 8.2(2) a determination or decision in connection with an application relating to the following is not subject to review under this Division— (a) a complying development certificate, (b) designated development, (c) Crown development (referred to in Division 4.6). |
This will not apply to the application. |
|
Section 8.3(1) An applicant for development consent may request a consent authority to review a determination or decision made by the consent authority. The consent authority is to review the determination or decision if duly requested to do so under this Division. |
The applicant has made a request to review the determination of development application which was determined by the Cumberland Local Planning Panel on 7 May 2025. |
|
Section 8.3(2) A determination or decision cannot be reviewed under this Division— (a) after the period within which any appeal may be made to the Court has expired if no appeal was made, or (b) after the Court has disposed of an appeal against the determination or decision. |
The original development application was determined on the 7 May 2025, in accordance with section 8.10(1)(b)(i) of EP&A Act 1979, the review has been made within 6 months after the relevant date.
|
|
Section 8.3(3) In requesting a review, the applicant may amend the proposed development the subject of the original application for development consent or for modification of development consent. The consent authority may review the matter having regard to the amended development, but only if it is satisfied that it is substantially the same development. |
Whilst in making and submitting the review, the additional information has been amended to address all the reasons for refusal.
Following the review of the amended information, the proposal is considered satisfied with relevant development requirements which can be supported by Council. Refer to discussion below. |
|
Section 8.3(4) The review of a determination or decision made by a delegate of a council is to be conducted— (a) by the council (unless the determination or decision may be made only by a local planning panel or delegate of the council), or (b) by another delegate of the council who is not subordinate to the delegate who made the determination or decision. |
The development application (DA2024/0515) under review was determined by Cumberland Local Planning Panel and therefore is subject to section 8.3(5) below. |
|
Section 8.3(5) The review of a determination or decision made by a local planning panel is also to be conducted by the panel. |
This is noted. The Panel will be considering the officers report as part of the Review. |
|
Section 8.4 After conducting its review of a determination or decision, the consent authority may confirm or change the determination or decision. |
It is recommended that the initial determination will be changed, and the review application is now recommended for a deferred commencement consent subject to conditions to reflect the changed circumstances. |
|
Section 8.5(4) If a determination is changed on review, the changed determination replaces the earlier determination on the date the decision made on the review is registered on the NSW planning portal. |
Once this review application is determined, it will replace the original refusal of the determination of DA2024/0515. The related documents will be uploaded, and the determination date will be updated on the NSW planning portal. |
Grounds for Refusal by the Cumberland Local Planning Panel of the Original Development Application and commentary:
The grounds for refusal of the original application are reviewed and addressed below:
|
No. |
Reasons of Refusal |
Applicant’s Response |
Planner’s Comments |
|
1 |
The submitted Site Plan shows spot levels which indicate that the building will exceed the maximum height to a minor extent. As well, only a minimal height lift over run (LOR) is shown on the drawings, which is not consistent with information provided by the Applicant to the Council that the LOR will be 2.7m high.
|
The revised Architectural Plans clearly outline the maximum building height which contravenes the height standard under Clause 4.3 of CLEP. The proposed building contains a maximum height of 16.008m and contravention of 1.008m or 6.72%. A Clause 4.6 Variation has been provided in Annexure C which addresses the minor height contravention |
The architectural plans have been amended to confirm the LOR and part Level 5 of the proposed co-living housing development will exceed the maximum height of the building that imposed to the subject site under the Cumberland LEP 2021.
The cl.4.6 variation submitted with this review application has been reviewed and the discussions to justify the development standard are acceptable and can be supported by Council. |
|
2. |
The proposal does not provide adequate floor to floor (F-F) heights in order the provide a minimum floor to ceiling height of 2.7m, which is desirable to provide sufficient natural ventilation and day light access under Objective 4C-1 of the Apartment Design Guide. The F-F height of the top floor is shown as being 2.5m, which will result in a Floor to Ceiling Height below that allowed under the minimum under the BCA.
The F-F heights are inadequate given:
|
There is no minimum requirement for floor to floor heights for co-living development.
Notwithstanding this, the FF heights have been increased under the amended proposal. The FF heights of each above-ground floor are consistently 2.9m. The floor to ceiling height of level 4 has been increased from 2.5m to 2.7m and is now ADG (if applicable) and BCA compliant.
Specifically, a response to points (a) to (d) is provided below:
|
The proposal has been amended to provide the minimum floor to floor height of 2.9m to all habitable area on all levels with 200mm thickness slab which demonstrate compliance with the BCA.
|
|
|
a) the size of the majority of rooms are close to the minimum size in terms of floor area, hence internal amenity is at the minimum;
|
a) The total number and size of the co-living rooms has been adapted. Originally, 37 single rooms were proposed. By contrast, 30 rooms are now proposed, seven (7) are double rooms and 23 are single rooms. The proposed single rooms vary in size from 13m2 to 16m2 and generally are no longer ‘close’ to the minimum size of co-living rooms permitted under the Housing SEPP.
|
The measurement by Council confirmed all co-living rooms are single rooms with the floor area ranged between 12sqm and 14.9sqm excluding the 600mm work area in front of the kitchen cupboard which complies with the minimum floor area of co-living rooms permitted under the Housing SEPP 2021.
|
|
|
b) the single window to rooms on the eastern elevation are required to be provided with privacy screens due to the non-compliance with the side setback control, further reducing sunlight access;
|
b) The reconfiguration of the rooms along the eastern elevation will improve solar access and amenity. Only three (3) rooms at L1-L4 are reliant on sunlight from an easterly window. At ground level, only a single room is reliant on an easterly window. This is a reduction when compared to the original scheme.
|
No change proposed to the window configuration nor internal layout of the co-living rooms since the original development application. Consideration has been given to the existing isolated site and the building separation between the existing adjoining properties. It is considered that the east facing co-living rooms will receive sufficient sunlight with the presence of privacy screen.
|
|
|
c) the need for windows to remain closed to maintain acoustic compliance as recommended in the submitted Acoustic Report, will necessitate air conditioning and/or and mechanical ventilation, an allowance for which is not shown on the drawings; and
|
c) As above, the number of rooms reliant on easterly windows has been reduced. Air conditioning will be provided to ensure adequate ventilation is achieved.
|
The number of co-living rooms reliant on easterly windows remains unchanged since the original development application. Accordingly, it is considered that all measures recommended in the original acoustic report will remain sufficient to the revised architectural floor plans. |
|
|
d) construction of the building with a slab thickness of 150mm is questioned. |
d) The slab thickness has been increased to 200mm.
|
The 200mm thick slab between the floors demonstrates compliance with the BCA requirement. |
|
3. |
From 1. above, the height of the building including the LOR will exceed 15m. From point 2, the building height will need to be increased from that shown on the drawings to improve the amenity of the rooms, to cater for services and for structural and adequate fire safety. |
As above, the maximum building height exceeds that permitted under CLEP and a Clause 4.6 Variation is provided in Annexure C. The FF and FC heights have been increased to ensure adequate amenity is achieved. |
The architectural plans have been amended to confirm the LOR and part Level 5 of the proposed co-living housing development will exceed the maximum height of the building standard.
As mentioned above, the cl.4.6 variation to development standard submitted is acceptable and supported. |
|
4. |
No written submission under Clause 4.6 of CLEP 2021 to vary the Height of buildings development standard under Clause 4.3 of CLEP 2021 has been provided. Consent must be refused. |
A written submission under Clause 4.6 to vary the height of building standard is provided in Annexure C. |
As above, a cl.4.6 variation to development standard has been submitted for Council’s consideration and considered acceptable to support. |
|
5. |
Inadequate information is presented in the application:
|
|
|
|
|
a) It is not demonstrated that the basement car parking complies with the required standards for access as no updated swept paths for the current proposal have been provided. The current layout appears problematic in this regard.
|
Refer to amended Traffic Assessment submitted under separate cover.
|
Swept path diagrams have been submitted with the amended Traffic Assessment report. The basement car park layout may be supported subject to deferred commencement condition addressing the remaining issues.
|
|
|
b) The Plan of Management is inadequate as:
i. it contains information inconsistent with the current proposal with regard to the maximum occupancy and cites the wrong LGA.
ii. does not contain the recommendations of the Acoustic Report with regards to restrictions on the use of communal open space.
iii. does not contain the recommendations with regard to the requirements for an emergency plan for flooding. |
Refer to the Plan of Management submitted under separate cover.
|
An amended Plan of Management has been submitted with this review application. The document has been reviewed by Council’s Environmental Health unit who identified the amended Plan of Management can be supported subject to conditions. |
|
6. |
Consent is unable to be granted as inadequate information has been presented to enable the Panel as the consent authority to be satisfied that clause 5.21(2)(a) – (e) of CLEP 2021 has been satisfied, and to consider clause 5.21(3)(a) to (d) of CLEP 2021 regarding flood planning. |
A Flood Risk Management Report Letter prepared by PL Engineering Consulting and was submitted as part of DA-2024/0515. The Flood Report confirms the ground level is required to be designed to RL 22.2m to achieve 500mm above the 1% AEP flood level at the upstream of the building. An assessment against the relevant flood controls of Clause 5.21(2) and (3) is provided confirming the proposal has been designed based upon Council’s flood data and will not result in adverse effect to the environmental. |
The Flood Study and Flood Risk Management Report Letter submitted with the review application have been reviewed by Council’s Development Engineer who raise no concern in relation to the flood matters. |
State Environmental Planning Policies
The proposed development is affected by the following State Environmental Planning Policies:
|
State Environmental Planning Policies (SEPPs) |
Relevant Clause(s) |
Compliance with Requirements |
|
State Environmental Planning Policy (Biodiversity and Conservation) 2021. |
Chapter 2 - Vegetation in non Rural Areas. |
The review application seeks Council’s approval to removal of 7 trees with a maximum height of 17.5m.
The proposal does not exceed the biodiversity offsets scheme threshold. Council’s Landscape and Tree Officer has reviewed the proposed tree removal and raised no objections. The original conditions suggested for any consent issued remains applicable to the latest application. |
|
Chapter 6 - Water Catchments.
Sydney Harbour Catchment. |
It is determined that given the location of the site location, a detailed assessment is not required given that there is no direct impact upon the catchment and no direct impact upon watercourses. As such, the development is acceptable. |
|
|
State Environmental Planning Policy (Housing) 2021
Co-living housing |
Chapter 3 - Diverse housing
Part 3 |
The issues of the development being:
· Height of the building. · Basement design.
Have been addressed or capable of being addressed in a satisfactory manner.
Therefore, the proposal can be supported with its design and the application is recommended for approval subject to conditions.
A comprehensive Housing SEPP 2021 assessment is contained in Appendix A. |
|
State Environmental Planning Policy (Industry and Employment) 2021. |
Chapter 3 - Advertising and Signage. |
No signage is proposed as part of the development application and thus no assessment of signage is required. |
|
State Environmental Planning Policy (Resilience and Hazards) 2021. |
Chapter 2 - Coastal Management. |
The subject site is not identified as a coastal wetland or ‘land identified as “proximity area for coastal wetlands” or coastal management area. |
|
Chapter 4 - Remediation of Land.
Part 4.6. |
The Detailed Site Investigation dated 8 August 2024 and Remedial Action plan (RAP) dated 16 October 2024 prepared by Dr Upsilon Environments Pty Ltd are submitted with the s.8.2 review.
The reports were reviewed by Council’s Environmental Health Officer who raised no objection subject to the imposition of all recommendations listed in the RAP should the proposal to be supported by the Panel. |
|
|
State Environmental Planning Policy (Sustainable Buildings) 2022
|
Chapter 2 - Standards for residential development
|
Schedule 7 of the Environmental Planning and Assessment Regulation 2021 (EP&A Reg 2021), co-living development is not defined as a BASIX building as below:
i) BASIX building means a building that contains at least 1 dwelling, but does not include the following— ii) (a) hotel or motel accommodation, iii) (b) a boarding house, hostel or co-living housing that— iv) (i) accommodates more than 12 residents, or v) (ii) has a gross floor area exceeding 300sqm.
Accordingly, Chapter 2 of the Sustainable Buildings SEPP 2022 is not applicable. |
|
State Environmental Planning Policy (Transport and Infrastructure) 2021 |
Chapter 2 - Infrastructure.
|
Transport and Infrastructure SEPP 2021 is relevant to the development application as follows:
Division 5 Subdivision 2 Clause 2.48
The existing overhead electricity power line currently parallels the site along Irwin Place. The development is referred to Endeavour Energy who has advised that the proposal can be supported with conditions. |
Statement Environmental Planning Policy (Housing) 2021 (Housing SEPP 2021) - Chapter 3 Diverse housing
The Housing SEPP 2021 applies to the development and a comprehensive assessment of the Housing SEPP 2021 is provided at Appendix A. An assessment has been undertaken against the relevant provisions identified in Chapter 3 Part 3 Co-living housing and the following numerical variations are identified:
· Minimum lot size
Section 69(1)(b)(ii) - Development consent must not be granted for development for the purposes of co-living housing unless the consent authority is satisfied that the minimum lot size for the co-living housing is not less than 800sqm.
Planner’s comments: The site has an area of 627.9sqm, which is a shortfall of 172.1sqm of the minimum 800sqm. This presents a 21.51% variation to the numerical standard.
The subject site is an existing isolated site that is bounded by the Irwin Place Park to the west (side) and north (rear) and the existing 5 storeys residential apartment building to the east.
A Clause 4.6 Variation request is submitted and addressed below.
· Setbacks
Section 69(2)(a)(ii) - Development consent must not be granted for development for the purposes of co-living housing unless the consent authority considers whether the front, side and rear setbacks for the co-living housing are not less than the minimum setback requirements for residential flat buildings under a relevant planning instrument.
Planner’s comments: The required rear setback under Part B3 of the Cumberland DCP 2021 for no less than 30% of the lot length is applicable to the site.
The subject site is irregular in shape and requires a variable rear setback of between 11.1m and 12.48m.
As shown on the architectural plans, the proposed co-living housing will provide a minimum 6.01m from rear property boundary (north) which presents a variation of between 45.86% and 48.16% to the standard.
This rear setback non-compliance is the consequence of the isolated nature and under-sized lot of the subject site. However, the numerical variations are considered acceptable in this case given the building provides a compliant front setback to ensure consistency with the streetscape as seen from Irwin Place. The subject site adjoins Irwin Place Park to the rear and the variation to the rear setback will not result in amenity issues to the neighbouring properties.
Therefore, the non-compliance is considered acceptable and can be supported for the reasons outlined above.
· Building separation
Section 69(2)(b) - Development consent must not be granted for development for the purposes of co-living housing unless the consent authority considers whether the building will comply with the minimum building separation distances specified in the Apartment Design Guide (ADG) if the co-living housing has at least 3 storeys.
Planner’s comments: The ADG requires a 6m setback on the ground floor to Level 3 (fourth storey) for habitable rooms (up to 12m, 4 storeys) from the side and rear boundaries. The Level 4 (fifth storey) requires a 9m setback for habitable rooms (up to 18m, 8 storeys) from the side and rear boundaries.
The separation distance between habitable rooms / balconies of the proposed building and the eastern side boundary is 3.2m only on all levels and are less than the requirements stated.
Review of the approved building plans of the eastern adjoining residential flat building at 5 Bransgrove Road, Wentworthville (CC2022/0290) identifies that the building is constructed to provide a 7.4m setback on the ground floor level, 9.9m setback on Levels 1 to 3 and 10.22m on Level 4 from the western side boundary which is the common side boundary with 5 Irwin Place. This presents the building separation in accordance with the table below:
|
Floor Level |
ADG setback requirement between habitable rooms / balconies |
Setback from eastern side boundary |
5 Bransgrove St setback from western side boundary |
Total building separation |
|
Ground floor |
6m |
3.2m |
7.4m |
10.6m |
|
Level 1, 2 and 3 |
6m |
3.2m |
9.9m |
13.1m |
|
Level 4 |
9m |
3.2m |
10.22m |
13.42m |
The east facing windows of the co-living rooms on Level 1 to 3 are setback 13.1m from the balconies of 5 Bransgrove Street which is considered adequate and acceptable in this instance.
Local Environmental Plans
Cumberland Local Environmental Plan 2021
The provision of the Cumberland Local Environmental Plan 2021 (Cumberland LEP 2021) is applicable to the development proposal. It is noted that the development achieves compliance with most of the key statutory requirements of the Cumberland LEP 2021 and the objectives of the R4 High Density Residential zone.
(a) Permissibility
The provision of the Cumberland Local Environmental Plan 2021 is applicable to the development proposal.
The proposed development is defined as ‘co-living housing’
co-living housing means a building or place that—
(a) has at least 6 private rooms, some or all of which may have private kitchen and bathroom facilities, and
(b) provides occupants with a principal place of residence for at least 3 months, and
(c) has shared facilities, such as a communal living room, bathroom, kitchen or laundry, maintained by a managing agent, who provides management services 24 hours a day,
but does not include backpackers’ accommodation, a boarding house, a group home, hotel or motel accommodation, seniors housing or a serviced apartment.
Note - Co-living housing is a type of residential accommodation—see the definition of that term in this Dictionary.
Pursuant to Section 67 of the Housing SEPP 2021, co-living housing development may be carried out with consent on land in a zone which development for the purposes of co-living housing, residential flat buildings and shop top housing is permitted under Chapter 5 or another environmental planning instrument. Residential Flat Buildings and shop-top housing are permitted with consent in an R4 High Density Residential zone under the Cumberland LEP 2021. Therefore, the proposed development is permissible pursuant to Section 67 of the Housing SEPP 2021.
The relevant matters to be considered under Cumberland LEP 2021 and the applicable clauses for the proposed development are summarised below. A comprehensive Cumberland LEP 2021 assessment is contained at Appendix B.
|
Development Standard |
Compliance |
Discussion |
|
Clause 4.3 Height of Buildings Max. 15m |
No |
Proposed 5 storey co-living housing with a maximum building height of 16.008m. |
|
Clause 4.4 Floor Space Ratio Max. 1.5:1 + 10% Housing SEPP 2021 bonus = 1.65:1 |
Yes |
The proposed development has a total gross floor area of 1,004.61sqm which equates to a floor space ratio of 1.6:1.
This complies when considering the bonus 10% granted under the Housing SEPP 2021 for co-living housing. |
|
Clause 4.6 Exceptions to Development Standards |
Yes |
Two cl 4.6 written justifications to vary the minimum lot size and the height of building are provided and the discussions to justify the development standard are acceptable and can be supported by Council. |
(b) Clause 4.6 - Exceptions to development standards
Clause 4.6 aims to achieve better design outcomes for and from development by allowing an appropriate degree of flexibility to development standards if particular circumstances are satisfied.
Consent may only be granted upon the consent authority being satisfied that the applicant has demonstrated in a document submitted with the application that (a) compliance with the development standard is unreasonable or unnecessary in the circumstances and (b) there are sufficient environmental planning grounds to justify the contravention of the development standard.
i. Minimum Lot Size
The application seeks to vary the development standard for minimum lot size for co-living housing under section 69(1)(b)(ii) of the Housing SEPP 2021.
(a) compliance with the development standard is unreasonable or unnecessary in the circumstances.
The decision of Wehbe v Pittwater Council (2007) 156 LGERA 446; [2007] NSWLEC 827, affirmed in Initial Action Pty Ltd v Woollahra Municipal Council [2018] NSWLEC 118 set out five common and non-exhaustive ways in which an applicant might demonstrate that compliance with a development standard is unreasonable or unnecessary. They were that:
i) the objectives of the development standard are achieved notwithstanding non-compliance with the standard.
ii) the underlying objective or purpose is not relevant to the development with the consequence that compliance is unnecessary.
iii) the underlying objective or purpose would be defeated or thwarted if compliance was required with the consequence that compliance is unreasonable.
iv) the development standard has been virtually abandoned or destroyed by the Council’s decisions in granting development consents that depart from the standard and hence compliance with the standard is unnecessary and unreasonable.
v) the zoning of the particular land on which the development is proposed to be carried out was unreasonable or inappropriate so that the development standard, which was appropriate for that zoning, was also unreasonable or unnecessary as it applied to that land and that compliance with the standard in the circumstances of the case would also be unreasonable or unnecessary.
Applicant’s justification: The proposal satisfies the principles identified in the Housing SEPP 2021 and the Cumberland DCP 2021 in accordance with the Wehbe v Pittwater Council (2007) 156 LGERA 446; [2007] NSWLEC 827 despite the non-compliance to the numerical development standard.
The subject site is isolated and constrained with no opportunity to amalgamate with surrounding development. The proposed co-living housing development will “encourage” housing for more vulnerable members of the community that is compatible with the desired future character of the locality and consistent with the density envisaged by the R4 High Density Residential zone. The proposal is compliant with building height and FSR controls which helps shape the desired bulk, scale and character of the site. The variation to the standard does not result in site planning or building design, which is inconsistent with the desired future character, nor does it impact the amenity of future occupants or neighbouring properties.
In addition, the proposed development has been designed to minimise impacts on surrounding properties in terms of views, privacy, overshadowing and visual instruction. The proposal will provide consistent streetscape alignment, side setbacks and building height and the extent of view loss caused by the non-compliant of lot size would be acceptable.
Therefore, the site area is demonstrably capable of accommodating the development and is considered acceptable with regards to the assumed objective.
Planner’s comments: The variation to the minimum lot size for co-living housing on the site is supported by Council given the existing isolated nature of the site.
As discussed in the report, the amended proposal has incorporated sufficient communal open space on site and the excessive amount of communal living area to the proposed co-living housing development. In this regard, the proposed development is will provide a reasonable level of residential amenity with the locality.
(b) there are sufficient environmental planning grounds to justify the contravention of the development standard.
In respect of there being sufficient environmental planning grounds to justify the contravention of the development standard, Initial Action found that although the phrase ‘environmental planning’ is not defined, it would refer to grounds that relate to the subject matter, scope and purpose of the Environmental Planning and Assessment Act 1979, including the objects in section 1.3. To be sufficient, the environmental planning grounds advanced in the written request must justify the contravention of the development standard, not simply promote the benefits of carrying out the development as a whole Four2Five Pty Ltd v Ashfield Council [2015] NSWCA 248.
Applicant’s justification: The applicant’s justification on environmental planning grounds is noted given the subject site is isolated and effectively rule out of any potential amalgamation with respect to the existing surrounding developments. It is also noted that co-living housing is an appropriate use and economic use for the subject site given it is highly accessible nature and proximity to services.
The social benefits of providing additional affordable housing within a highly sought after location should be given weight in the consideration of the variation request. It would be contrary to the public interest to deny the variation due the non-compliance and halt the delivery of much needed accommodation in an accessible and strategic location.
It is considered that there is an absence of any significant material impacts attributed to the breach on the amenity or the environmental values of surrounding properties, the amenity of future building occupants and on the character of the locality.
The above environmental planning grounds are unique circumstances to the proposed development, particularly given the isolated nature of the site with respect to the high density, ownership pattern of the neighbouring property to the east of the site. The proposal will provide for a better planning outcome than a strictly compliant development in many respects. Therefore, there are sufficient environmental planning grounds to justify contravening the development standard.”
Planner’s comments: The applicant’s justification is considered to be well founded and the proposal as amended can be supported by Council subject to a merit assessment given that the proposal has incorporated sufficient communal open space and communal living area on site despite the under-sized lot.
Therefore, Council is satisfied that the proposal in its current design is compatible with the future desire character of the area. Therefore, Council is satisfied that the variation request to the minimum lot size may be supported.
ii. Height of Building
The application seeks to vary the development standard for height of building for under clause 4.3 of the Cumberland LEP 2021 that requires the height of buildings not to exceed 15m on the subject site.
(a) compliance with the development standard is unreasonable or unnecessary in the circumstances.
The decision of Wehbe v Pittwater Council (2007) 156 LGERA 446; [2007] NSWLEC 827, affirmed in Initial Action Pty Ltd v Woollahra Municipal Council [2018] NSWLEC 118 set out five common and non-exhaustive ways in which an applicant might demonstrate that compliance with a development standard is unreasonable or unnecessary. They were that:
i) the objectives of the development standard are achieved notwithstanding non-compliance with the standard.
ii) the underlying objective or purpose is not relevant to the development with the consequence that compliance is unnecessary.
iii) the underlying objective or purpose would be defeated or thwarted if compliance was required with the consequence that compliance is unreasonable.
iv) the development standard has been virtually abandoned or destroyed by the Council’s decisions in granting development consents that depart from the standard and hence compliance with the standard is unnecessary and unreasonable.
v) the zoning of the particular land on which the development is proposed to be carried out was unreasonable or inappropriate so that the development standard, which was appropriate for that zoning, was also unreasonable or unnecessary as it applied to that land and that compliance with the standard in the circumstances of the case would also be unreasonable or unnecessary.
Applicant’s justification: The Height of Buildings Map nominates a maximum height of 15m at the site. The proposed development exceeds the height of building standard by a maximum of 1.008m (6.72%) associated with the lift overrun. The lift overrun is setback from the front of the building and the edge as viewed from the street. This will ensure the built form will not be imposing or visually jarring to the streetscape.
Excluding the lift overrun, the roof and upper floor protrudes above the maximum building height standard by a maximum of 675mm and this is within the rear portion of the roof plate. The numerical exceedances are extremely minor and will not be noticeable when viewed from the streetscape, public reserve and neighbouring developments.
It is also noted that the existing building at No. 1 Irwin Place was approved with a height variation of approximately 1.35m associated with the lift overrun with a similar variation to the roof level to that proposed by the co-living development. It can therefore be argued that the appropriate density is influenced by the approved and constructed building at No. 1 Irwin Place which contravenes the 15m building height control to a greater extent than that proposed on the subject site.
The subject site is in transition to higher density development reflective of the applicable planning controls and the recently constructed development immediately to the north and east. The proposed development is considered to be compatible with the height, built form, bulk and scale of the recently approved and emerging character of the locality despite the height breach.
The proposal has been designed to ensure a compliant solar outcome for neighbouring properties. The building at No. 1 Irwin Place will be unimpacted between 9am and approximately 2pm and a portion of the public place to the west in the afternoon (12pm-4pm). Therefore, the extent of the variation will not result in any significant loss of solar access for surrounding properties.
In terms of privacy, along the eastern boundary, a minimum 3m setback has been provided to habitable windows on the upper level. A minor encroachment is noted with regard to a blank wall, providing a minimum setback of 2.87m. The residential flat building at No. 1 Irwin Place has a minimum setback of 10.3m and when adding the varying 2.8m eastern side setback for the subject site, the proposal reasonably satisfies ADG separation distances.
Planner’s comments: The proposed building has a maximum building height of 16.008m to the lift overrun and 15.675m to part of the habitable space of the communal living area and private rooms on Level 5. The variation is up to 6.72%.
The proposal has been amended to provide the minimum floor to floor height of 2.9m to all habitable area on all levels, the proposed 200mm thickness slab. As such, it is believed that the proposed development is providing a reasonable level of amenity for the future occupants of the co-living housing development.
(b) there are sufficient environmental planning grounds to justify the contravention of the development standard.
In respect of there being sufficient environmental planning grounds to justify the contravention of the development standard, Initial Action found that although the phrase ‘environmental planning’ is not defined, it would refer to grounds that relate to the subject matter, scope and purpose of the Environmental Planning and Assessment Act 1979, including the objects in s.1.3. To be sufficient, the environmental planning grounds advanced in the written request must justify the contravention of the development standard, not simply promote the benefits of carrying out the development as a whole Four2Five Pty Ltd v Ashfield Council [2015] NSWCA 248.
Applicant’s justification: The maximum extent of variation sought is minor and is considered that there is an absence of any significant material impacts attributed to the breach on the amenity or the environmental values of surrounding properties, the amenity of future building occupants and on the character of the locality.
The non-compliant will not contribute to a loss of privacy but improve passive surveillance onto the public road and public reserve. The proposed height variation will not be visually dominant from the street frontages of the site, public reserves or adjoining properties given its minor in nature and the overshadowing caused by the proposed development is minor. Further, the built form is compatible with that of the recently constructed building at No. 1 Irwin Place any height variation is not a new element in the streetscape and will not appear out of context.
The height breach is in part, a result of the site topography, which has a fall of approximately 700mm over the length of the subject site. That is, with the exception of the lift overrun, the change in topography is greater than the greatest extent of the variation to the building (675mm). This is a specific condition that the Cumberland LEP 2021 height limit does not contemplate.
The subject site is isolated with respect to the existing development on surrounding properties and the proposed development is entirely compatible with the bulk, scale and building height of properties surrounding the subject site and as per the Cumberland LEP 2021 as discussed above.
Again, co-living housing is considered to be an appropriate form of development for the subject site given its highly accessible nature, proximity to numerous public transport options, services and facilities. The proposal will provide for much needed affordable housing in a strategic location in which co-living housing represents a suitable use for the site.
The proposed development meets the objectives of the development standard and meets the objectives of the R4 High Density Residential zone through the provision of a well-designed and located co-living development, inclusive of affordable and diverse housing. In fact, to request strict compliance would halt redevelopment and would be entirely antipathetic to the zone objectives.
Planner’s comments: The proposed 2.9m floor to floor height including the 200mm slab thickness is considered acceptable and comply with the requirement of the BCA.
Whilst the proposal exceeds the maximum allowable building height that applies to the site, the proposal as amended will unlikely adverse the amenity of the local area and the existing adjoining properties. In addition, the co-living housing is permissible and compatible form of development to this R4 High Density Residential zone land under the Cumberland LEP 2021.
Accordingly, as indicated in the commentary above, there are sufficient environment planning grounds to justify contravening the height of building standard.
The provisions of any proposed instrument that is or has been the subject (EP&A Act s4.15 (1)(a)(ii))
Council has received a Gateway Determination from the Department of Planning, Housing and Infrastructure for the Draft Woodville Road Corridor Planning Proposal. As part of this approval, public exhibition of the Draft Woodville Road Corridor Planning Proposal has commenced. The public exhibition was carried out between the 4 March 2025 to 17 April 2025.
The Draft Planning Proposal seeks to revitalise Woodville Road by amending planning controls in the Cumberland Local Environmental Plan (CLEP) 2021 for 31 sites located around the three (3) precincts of Woodville North, Merrylands East and Woodville South.
The subject application was received on 14 July 2025 and the site does not fall within the Draft Woodville Road Corridor. Therefore, no further consideration is required.
The provisions of any Development Control Plans (EP&A Act s4.15 (1)(a)(iii))
Cumberland Development Control Plan 2021 (Cumberland DCP 2021)
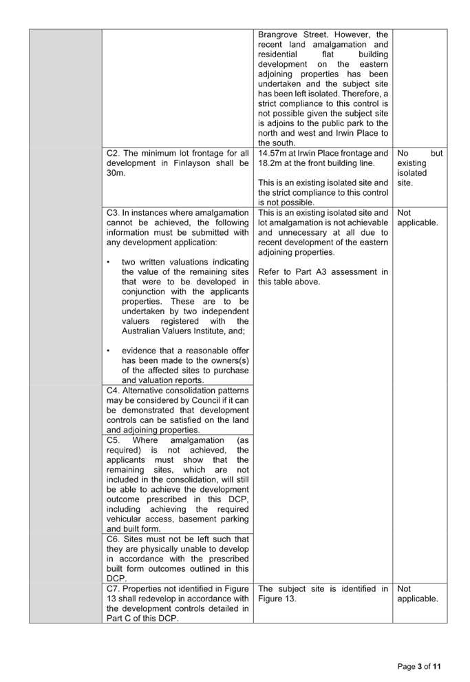
The Cumberland DCP 2021 does not specify any development control for co-living housing development within the local government area. However, given the subject site is zoned as R4 High Density Residential under the Cumberland LEP 2021, the residential flat building controls being Part B3 Residential Flat Building and Part F4-2(3) Finlayson Transitway Precinct and Part G Miscellaneous Development Controls of the Cumberland DCP 2021 are the most applicable development controls to inform the built form for this development.
The development fails to comply with the relevant provisions of the Cumberland DCP 2021, whilst non-compliances occur in relations to side and rear setback, building separation/visual privacy, access and basement design and considered unacceptable. A comprehensive Cumberland DCP 2021 assessment is contained in Appendix C.
|
Clause |
Control |
Proposed |
Complies |
|
Part B3 Section 3.1
Building Envelope |
Table 7: Rear setback to be 30% of the length of the site.
Require 11.1m-12.48m due to the irregular shape of the lot. |
Minimum setback - 6.01m from rear property boundary - Variation up to 48.16%.
Variation to the numerical control is considered acceptable and may be supported due to the isolated nature and no amenity impact to the rear adjoining park. |
No but considered acceptable. |
|
Table 7: Site area to be minimum 1,000sqm |
Development control overridden by the minimum lot size for co-living housing development identified under s.68(2)(d) of the Housing SEPP 2021. Discussed above. |
No but considered acceptable. |
|
|
Table 7: Minimum 24m wide street frontage |
Subject site - 18.2m wide when measured at the front building line. Variation - 24.17%. |
No but considered acceptable. |
|
|
Part B3 Section 3.2
Basement design
|
C1. Basement walls should be located directly under the building walls where practical.
C3. Basement walls to be min. 1.2m setback from side boundaries. |
The proposed basement car park is situated on the property boundaries.
|
No but considered acceptable. |
|
Part G3 Section 4.3
Basement parking |
C1. Basement and driveways area designed in accordance with relevant Australian Standards |
Basement design unacceptable and unsatisfactory to support.
|
No but considered acceptable subject to conditions. |
|
C2. Basement parking shall be located within the building footprint. |
Basement car park situated on the property boundaries. |
No but considered acceptable. |
|
|
C7. Basement access/ramp design shall comply with AS2890. |
The proposal fails to satisfy AS2890.1 in relation to the waiting bay, ramp gradients and access for B99 vehicles. |
No but considered acceptable subject to conditions. |
As indicated in the compliance table above, the proposed development departs from controls in Parts B3 and G3 of the Cumberland DCP 2021. Having regard to site restrictions, it is considered that the proposal performs satisfactorily from an environmental planning viewpoint as detailed in the above table.
The provisions of any planning agreement that has been entered into under section 7.4, or any draft planning agreement that a developer has offered to enter into under section 7.4 (EP&A Act s4.15(1)(a)(iiia))
There is no draft planning agreement associated with the subject Development Application.
The provisions of the Regulations (EP&A Act s4.15 (1)(a)(iv))
The proposed development raises no concerns as to the relevant matters arising from the Environmental Planning and Assessment Regulation 2021 (EP&A Reg).
The Likely Environmental, Social or Economic Impacts (EP&A Act s4.15 (1)(b))
All relevant issues have been considered in the assessment of this proposal.
The suitability of the site for the development (EP&A Act s4.15 (1)(c))
The subject site and locality are known to be affected by flooding and overland flow. The design and site constraints together with being an under-sized lot for co-living housing are unlikely to have a significant adverse impact on the surrounding residential properties. Accordingly, it is considered that the development is suitable in the context of the site and surrounding locality.
Submissions made in accordance with the Act or Regulation (EP&A Act s4.15 (1)(d))
|
Advertised (Website) |
|
Sign |
Not Required |
In accordance with Council’s Notification requirements contained within the Cumberland DCP, the proposal was publicly notified for a period of 14 days between 24 July 2025 and 7 August 2025. The notification generated 10 submissions in respect of the proposal with no submissions disclosing a political donation or gift.
The issues raised in the public submissions are summarised and commented on as follows:
Figure 7 - Submissions summary table
|
Issue |
Planner’s Comment |
|
Serious privacy concerns due to proximity to 5 Bransgrove Street. |
Whilst the proposed development fails to provide the required setback from the eastern side boundary (common boundary of 5 Bransgrove Street), the proposed development is not anticipated to result in a privacy impact subject to conditions.
The development at 5 Bransgrove Street is situated 10.9m to 13.4m from the walls of the new development. Should consent be granted, conditions would be improved requiring all east facing habitable windows to have privacy screening to prevent unreasonable overlooking toward the neighbouring residential flat building. |
|
Impact to park and children safety. |
The proposed co-living housing development will be setback 3.2m from the western side boundary and 6.01m from the rear boundary. A dense landscaped area with variety of native species and mature height will be planted along the western and northern elevations of the development to soften the visual amenity of the proposed development from Irwin Place Park.
Based on the assessment detailed throughout this report, adverse impact to the safety of children or the useability of the park is not anticipated. |
|
Obstruction of views. |
Whilst the proposed development exceeds the maximum allowable building height on site, the non-compliance is very minor in nature given the tight floor to floor building height proposed to the co-living housing. Therefore, the loss of view of the proposed development at its current design is very minimal. |
|
Decline in property values in surrounding area. |
Land and property values are not matters for consideration under Section 4.15 of the Environmental Planning and Assessment Act 1979. |
|
Blocking access to Irwin Place Park. |
The proposed development is contained within the property boundary and access to the Irwin Place Park will be retained as existing. The proposal has been referred to Council’s Parks & Open Space Officer for comment who advised the proposal is satisfactory. |
|
Insufficient street parking and illegal parking. |
The proposed development provides car parking that complies with 2(e), Chapter 3, Part 3 of the State Environmental Planning Policy (Housing) 2021.
In this case, a minimum of 6 car parking spaces is required to service 30 private rooms. The proposal provides 6 car parking spaces within the basement level which demonstrate compliance with the standard. |
|
Additional traffic flow on Irwin Place which is a narrow street will pose safety risk to children that occupy the park. |
The Traffic Report prepared by Varga Traffic Planning Pty Ltd dated 4 July 2024 (ref. 24232) submitted in support of the application concludes that the traffic generated by the development will not result in significant traffic impacts to Irwin Place and the extended local area. |
|
Overshadow to the adjoining properties |
Given the physical location of the site, any development on site will cast a shadow onto the eastern and southern adjoining properties.
As identified in the content of the report above, the proposed building height is considered acceptable and the proposal can be supported by Council. |
|
Impact of the existing habitat of the street. |
The proposed development has been referred to Council’s Landscape and Tree Officer for comment who raised no objection to the proposed excavation subject to conditions. |
|
Increase noise pollution. |
Council’s Environmental Health Officer has reviewed the development and has supported the development subject to conditions. |
|
Additional pressure to existing overburden infrastructure. |
Development contribution will be imposed as a condition of consent should the proposed co-living housing to be supported by Council to maintain existing public infrastructure in the area. |
|
Same proposal being relodged for Council’s reconsideration. |
The proposal is a Review of Determination Application under Part 8 Division 8.2 Reviews of the EP&A Act 1979. Council is obliged to consider and assess the application within the 6 month period as required by the relevant legislation. |
|
The community voices consistently being disregarded? |
All public submissions raised during the public notification period have been addressed in this table and the content of the report. |
|
What is the purpose of re-electing same local representatives if our views are not reflected in decision-making? |
Election of local representatives is not matters for consideration under Section 4.15 of the Environmental Planning and Assessment Act 1979. |
|
What value do Council rates and fees offer if resident petitions and objections are overlooked? |
The proposal has been reviewed against all relevant planning standards and controls that apply to the proposed co-living housing development. All issued raised in the submissions have been addressed in this table and the content of the report. |
|
How can this development be permanently prevented from proceeding? |
Council is not in the position to stop any person to lodge an application for any development on a property regardless the permissibility, compliance and design of the development. |
|
Poor street lighting of Irwin Place. |
Any concern relates to insufficient street lighting does not form part of the assessment of this application as the proposal does not involve the removal or relocation of any streetlights. |
|
The proposed 5 storeys development is inconsistent with the surrounding developments. |
The subject site is zoned R4 High Density Residential and high density multi-storey developments up to 15m tall are permitted with consent.
The site inspection confirmed the surrounding one to two storeys buildings are constructed within the existing R2 Low Density Residential zoned land located to the southern side of Irwin Place. |
|
Loss of vegetation. |
The proposal has been referred to Council’s Senior Tree Management Officer who has advised that the development is satisfactory for the site subject to conditions. |
|
Unpleasant smell from overflow garbage bin storage area next to the park. |
A condition in the consent will be imposed to ensure the kerbside waste collection will occur twice a week to reduce odour from the garbage should the proposal to be supported by the Panel. |
The public interest (EP&A Act s4.15(1)(e))
In view of the foregoing analysis it is considered that the development, if carried out subject to the conditions set out in the recommendation below, will have no significant adverse impacts on the public interest.
CUMBERLAND LOCAL INFRASTRUCTURE CONTRIBUTIONS PLANS 2020
The development would require the payment of contributions in accordance with Cumberland Local Infrastructure Contributions Plan 2020.
In accordance with the Contribution Plan a contribution of $201,898.00 is payable, pursuant to Section 7.11 of the EP&A Act 1979, as calculated on the cost of works. A condition of consent has been imposed on the development approval the ensure this contribution payment would be payable prior to the issue of a Construction Certificate.
HOUSING AND PRODUCTIVITY OF CONTRIBUTION (HPC)
In accordance with s7.24, s7.26 and s7.28 of the Environmental Planning and Assessment Act 1979, the proposed development is subject to the payment of the HPC given co living housing is defined as commercial development under the Environmental Planning and Assessment (Housing and Productivity Contributions) Order 2024.
A condition of consent has been imposed on the development consent in accordance with Section 7.28 of the EP&A Act 1979 requiring the payment of the HPC.
DISCLOSURE OF POLITICAL DONATIONS AND GIFTS
The applicant and notification process did not result in any disclosure of Political Donations and Gifts.
Conclusion:
The development application has been assessed in accordance with the relevant requirements of the Environmental Planning and Assessment Act 1979, State Environmental Planning Policy (Biodiversity and Conservation) 2021, State Environmental Planning Policy (Housing) 2021, State Environmental Planning Policy (Resilience and Hazards) 2021, State Environmental Planning Policy (Transport and Infrastructure) 2021, Cumberland Local Environmental Plan 2021 and Cumberland Development Control Plan 2021.
The proposed development is appropriately located within the E1 Local Centre zone under the relevant provisions of the Cumberland Local Environmental Plan 2021. The proposal is consistent with all statutory and non-statutory controls applying to the development. The development is considered to perform adequately in terms of its relationship to its surrounding built and natural environment, particularly having regard to impacts on adjoining properties.
For these reasons, it is considered that the proposal is satisfactory having regard to the matters of consideration under Section 4.15 of the Environmental Planning and Assessment Act 1979, and the development may be approved as a deferred commencement consent subject to conditions.
Consultation:
There are no consultation processes for Council associated with this report.
Financial Implications:
There are no financial implications for Council associated with this report.
Policy Implications:
There are no policy implications for Council associated with this report.
Communication / Publications:
The final outcome of this matter will be notified. The objectors will also be notified in writing of the outcome.
1. That the Clause 4.6 variation request to contravene the minimum lot size development standard, pursuant to Section 69(1)(b)(ii) the State Environmental Planning Policy (Housing) 2021 be supported.
2. That the Clause 4.6 variation request to contravene the height of building development standard, pursuant to Clause 4.3 the Cumberland Local Environmental Plan 2021 be supported.
3. That the Review Application REV2025/0006 being a Section 8.2 Review of the Refusal of DA2024/0515 for the demolition of the existing structures and construction of a five (5) storey co-living housing development comprising of 30 single rooms over basement parking including external building changes and reconfiguration of the basement parking and internal layout on land at 5 Irwin Place, Wentworthville be approved as a deferred commencement consent subject to conditions as listed in Attachment A.
4. Persons whom have lodged a submission in respect to the application be notified of the determination of the application.
Attachments
1. Draft Notice of Determination
2. Architectural and Landscape Plans
3. Stormwater/Engineering Plans
5. Clause 4.6 Variation Request - Minimum Lot Size
6. Clause 4.6 Variation Request - Height of Building
8. Appendix A - Housing SEPP 2021 Assessment
9. Appendix B - Cumberland LEP 2021 Assessment
DOCUMENTS
ASSOCIATED WITH
REPORT ELPP020/25
Attachment 1
Draft Notice of Determination
DOCUMENTS
ASSOCIATED WITH
REPORT ELPP020/25
Attachment 5
Clause 4.6 Variation Request - Minimum Lot Size
DOCUMENTS
ASSOCIATED WITH
REPORT ELPP020/25
Attachment 6
Clause 4.6 Variation Request - Height of Building
DOCUMENTS
ASSOCIATED WITH
REPORT ELPP020/25
Attachment 9
Appendix B - Cumberland LEP 2021 Assessment
DOCUMENTS
ASSOCIATED WITH
REPORT ELPP020/25
Attachment 10
Appendix C - Cumberland DCP 2021 Assessment
8 October 2025
Item No: ELPP021/25
Development application -77 Warren Road, Woodpark
Directorate: Environment and Planning
Responsible Officer: Executive Manager City Planning and Development
|
Application lodged |
6 July 2025 |
|
Applicant |
E Makra |
|
Owner |
Mrs N Makra & Mr P Makra |
|
Application No. |
DA2025/0449 |
|
Description of Land |
77 Warren Road WOODPARK NSW 2164, Lot 11 DP 200128 |
|
Proposed Development |
Demolition of existing garage and pergola at rear, construction of a secondary dwelling pursuant to the State Environmental Planning Policy (Housing) 2021 |
|
Site Area |
557.4 m2 |
|
Zoning |
Zone R2 – Low Density Residential |
|
Disclosure of political donations and gifts |
Nil disclosure |
|
Cost of works |
$110,700.00 |
|
Heritage |
No |
|
Principal Development Standards |
Number of parking provisions for detached secondary dwelling under SEPP (Housing) 2021 Number of existing parking: One (1) Number of proposed parking: Zero (0) |
|
Issues |
Variation to Clause 53(2)(b) of State Environmental Planning Policy (Housing) 2021 – Loss of car parking |
Summary:
1. Development Application No. DA2025/0449 was accepted on 6 July 2025 for the demolition of existing garage and pergola at rear and construction of a secondary dwelling pursuant to the State Environmental Planning Policy (Housing) 2021
2. The application was publicly notified to occupants and owners of the adjoining properties for a period of 14 days between 16 July 2025 and 30 July 2025. In response, no submissions were received.
3. There are no heritage items located on the subject site, nor is the site located within a Heritage Conservation Area. However, the site is located in close approximately of a heritage item known as Pipehead, water supply canal and associated works and is identified as item no. I01629 under Cumberland Local Environmental Plan 2021. The Pipehead, water supply canal and associated works is of State significance for its historic, associative, aesthetic, social, scientific, rarity and representative values. Historically, the Pipehead is significant for its importance in the history of water supply in Sydney, as one of the key components of the Upper Nepean System from 1913 until 1995.
4. The subject application has been assessed against the relevant provisions of the Environmental Planning and Assessment Act 1979, the State Environmental Planning Policy (Housing) 2021 (SEPP Housing 2021), the Cumberland Local Environmental Plan 2021(CLEP 2021), and the Cumberland Development Control Plan 2021 (CDCP 2021).
5. Clause 53(2)(b) of the Statement of Environmental Planning Policy Housing (2021) stipulates that the number of parking spaces provided on the site is the same as the number of parking spaces provided on the site immediately before the development is carried out. The proposal seeks approval for demolition of existing single garage and construction of a secondary dwelling under Housing SEPP 2021. It should be noted that one approved parking space currently exists on site.
6. The variations are as follows:
|
Control |
Required |
Provided |
% variation |
|
Number of parking on site
(Clause 53(2)(b) State Environmental Planning Policy (Housing) 2021) |
Same as existing (1) |
0 |
100% |
|
Parking Rate – Part G3, Section 4.1, Control 1 vi) (Cumberland Development Control Plan 2021) |
Parking rates shall comply with the minimum parking rates in Section 3 of this Part of the DCP.
Section 3 nominates minimum 1 covered space / dwelling house |
0 |
100% |
|
Secondary dwellings – Part B1, Section 2.21, Control 10 |
Maximum floor to ceiling height of 2.7m |
Maximum floor to ceiling height of 3.6m |
33.34% |
7. The application is referred to the Panel as the proposal contravenes a development standard by more than 10%. (Clause 53(2)(b) of the Statement of Environmental Planning Policy Housing (2021))
8. The application is recommended for Approval subject to the conditions as recommended in Council’s assessment report.
Report:
Subject Site and Surrounding Area
The site forms Lot 11 DP 200128 and is known as 77 Warren Road Woodpark. The site has an area of 557.4 square metres and has a frontage to Warren Road of 15.24m. The site is fairly flat.
A site inspection of the premises, carried out on 31st of May 2024 confirmed that the site is currently occupied by a single storey dwelling with attached and detached ancillary structures including a detached garage and pergola, a driveway servicing Warren Road located on the south-east corner of the site and associated soft and hard paved areas. There are trees located the site and on council’s nature strip. There is an existing tree located at the rear that requires to be removed to facilitate the construction of the proposed development. Application is referred to the Council’s tree management officer who has advised that the development proposal is satisfactory subject to recommended conditions of consent.
The site does not consist of any Council easement. However, council notes a Sydney water pipe traverses through the rear and front of the site. Therefore, conditions have been imposed requiring the plan to be submitted to the ‘Tap In’ portal to be reviewed.
The existing developments adjoining the site include single storey dwelling on north and side. The area is generally low-density residential character. The location of the site is shown below and edged in purple.

Figure 1 – Locality Plan of subject site

Figure 2 – Aerial view of subject site
![]()

Figure 3 – Street view of subject site and the existing garage at the rear
Description of The Development
Development application (DA2025/0449) was accepted on 6 July 2025 seeking approval for the demolition of existing garage and pergola at rear, construction of a secondary dwelling pursuant to the State Environmental Planning Policy (Housing) 2021. The detailed breakdown of the proposal is shown below:
· Demolition of a single garage and a pergola located at the rear.
· Construction of a secondary dwelling with an internal floor area of 60m2 consisting of:
o Bathroom and laundry, open style living and kitchen area, two (2) bedrooms and a deck at the rear.
History
1. Building application (74-150) was approved for garage on 14 Feb 1974
2. Building application (84-935) was approved for addition to the existing dwelling on 25 Sep 1984
3. DA1999/809/1 was approved for construction of pergola on 23 Feb 1999.
4. Prelodgement meeting was conducted on 4 Feb 2025 for Demolition of existing garage and construction of a new carport and secondary dwelling
Applicants Supporting Statement
The applicant has provided a Statement of Environmental Effects prepared by Edith Makra dated 13 May 2025, received by Council on 28 June 2025 and a Clause 4.6 Variation Statement prepared by Natalie Richter dated 8 May 2025 which received by Council on 28 June 2025.
Contact With Relevant Parties
The assessing officer has undertaken a site inspection of the subject site and surrounding properties and has been in regular contact with the applicant throughout the assessment process.
Internal Referrals
Development Engineering
The development application was referred to Council’s Development Engineer for comment who has advised that the development proposal is satisfactory subject to recommended conditions of consent.
Environmental Health
The development application was referred to Council’s Environmental Health Officer for comment who has advised that the proposal is satisfactory subject to recommended conditions of consent.
Tree Management
The development application was referred to Council’s Tree Management Officer for comment who has advised that the proposal is satisfactory subject to recommended conditions of consent.
External Referrals
The development application was referred to Sydney Water for comments who has advised that the proposal is satisfactory subject to recommended conditions of consent.
Planning Comments
The provisions of any Environmental Planning Instruments (EP&A Act s4.15 (1)(a)(i))
State Environmental Planning Policies
The proposed development is affected by the following State Environmental Planning Policies:
|
State Environmental Planning Policies (SEPPs) |
Relevant Clause(s) |
Compliance with Requirements |
|
· State Environmental Planning Policy (Biodiversity and Conservation) 2021.
|
Chapter 2 -Vegetation in non Rural Areas. |
The development application includes the removal of one (1) tree which has been assessed by Council’s tree management officer.
The proposal does not exceed the biodiversity offsets scheme threshold. Therefore, the proposed vegetation removal is considered acceptable subject to conditions. |
|
Chapter 6 - Water Catchments.
Georges River Catchment. |
It is determined that given the location of the site/development, a detailed assessment is not required given that there is no direct impact upon the catchment and no direct impact upon watercourses. As such, the development is acceptable under the provisions that came into effect on Monday 21 November 2022. |
|
|
· State Environmental Planning Policy (Resilience and Hazards) 2021.
|
Chapter 2 - Coastal Management. |
The subject site is not identified as a coastal wetland or ‘land identified as “proximity area for coastal wetlands” or coastal management area. |
|
Chapter 4 - Remediation of Land.
Part 4.6. |
A review of Council’s files has revealed that the site has been historically used for residential purposes and there is no evidence to suggest that the site is contaminated or used for potentially contaminating activities.
As such, it is considered that the development application is satisfactory under Part 4.6 of Chapter 4 of the State Policy. |
|
|
· State Environmental Planning Policy (Transport and Infrastructure) 2021. |
Chapter 2 - Infrastructure.
|
State Environmental Planning Policy (Transport and Infrastructure) 2021 is relevant to the development application as follows.
|
|
Clause 2.48
Chapter 2 - Infrastructure. |
N/A – No power pole or electricity easement impacted by the proposed development. |
|
| Clause 2.119 |
The application is not subject to clause 2.119 of the SEPP as the subject site does not have frontage to Betts Road which is a classified road (main road). |
|
| Clause 2.120 |
A Road Traffic Noise and Vibration Assessment has been submitted and the proposal has been reviewed and supported by Council’s Environmental Health Unit, subject to conditions to comply with the report. |
|
|
· State Environmental Planning Policy (Sustainable Buildings) 2022
|
Chapter 2
Standards for residential Development -BASIX
|
BASIX Certificate number 1794260S dated 06 May 2025 has been submitted. It is shown that the proposal will meet the required target for Water, Thermal Comfort and Energy. The BASIX Certificate is determined as being acceptable for approval. |
Statement Environmental Planning Policy (Housing) 2021
The application has been submitted under Part 1 Division 2 of the Housing SEPP. It should be noted that the proposal fully complies with the key planning controls contained within the Housing SEPP, with the exception of Clause 53(b)(2), which states that “the number of parking spaces provided on the site is the same as the number of parking spaces provided on the site immediately before the development is carried out.”
Notwithstanding the variation noted above, the proposed development is considered acceptable from an environmental planning viewpoint and a comprehensive assessment against SEPP (Housing) 2021 and a discussion of the clause 4.6 request is provided below.
|
Planning Commentary |
Compliance |
|
|
50 This Part applies to development for the purposes of a secondary dwelling on land in a residential zone if development for the purposes of a dwelling house is permissible on the land under another environmental planning instrument. |
The subject site is zoned the R2 Low Density Residential. This Part applies to development for the purposes of a secondary dwelling on land in a residential zone if development for the purposes of a dwelling house is permissible on the land under another environmental planning instrument. As per the definitions of this division of the SEPP, a residential zone includes R2 Low Density Residential Zone.
In this regard, a secondary dwelling is permissible under the provisions of SEPP (Housing) 2021. |
Yes
|
|
51 A secondary dwelling cannot be subdivided from the subject lot |
Subdivision is not proposed as part of the subject application. A condition of consent has been imposed for no separating fences to be erected between the primary and secondary dwellings on the subject site. |
Yes |
|
52 (2) Development consent must not be granted for development to which this Part applies unless— |
The proposed secondary dwelling is assessed against Division 2, Clause 52(2) of the SEPP (Housing) 2021. Refer to the detailed assessment against all subclauses of Clause 52 below. |
Yes |
|
Subclause 2(a) Only one (1) primary dwelling and only one (1) secondary dwelling is permitted on the subject land |
This proposal consists of (1) existing primary dwelling and one (1) proposed secondary dwelling at the rear. |
Yes
|
|
Subclause 2(b) the total floor area of the principal dwelling and the secondary dwelling is no more than the maximum floor area permitted for a dwelling house on the land under another environmental planning instrument, and |
The site is on land zone R2 Low Density Residential. No FSR is applicable in land zoned R2 under the Cumberland Local Environmental Plan CLEP 2021. |
Yes |
|
Subclause 2(c) the total floor area of the secondary dwelling is— (i) >60 m2 or (ii) the greater floor area permitted in another EPI |
The total floor area of the proposed secondary dwelling is calculated to be 60 sqm. |
Yes
|
|
53(2)(a) for a detached secondary dwelling—a minimum site area of 450m2, |
The development site has a total site area of 557.4 sqm in accordance with the submitted survey plan. |
Yes |
|
53(2)(b) the number of parking spaces provided on the site is the same as the number of parking spaces provided on the site immediately before the development is carried out. |
The approved car park space is a single garage, while the proposal does not provide any carpark space.
It has been noted that the existing driveway does not comply with AS2890.1:2004 and lacks sufficient width to service a garage or carport at the rear. Furthermore, due to flood controls on the site, a garage or carport cannot be supported within the southern setback, as any such structure would need to be elevated to a minimum flood level. This would require alterations to the driveway access, which in turn would obstruct the natural overland flow path and restrict the free flow of water. Therefore, the proposed development will result in the loss of one parking space.
Please refer to detailed discussion below for Clause 4.6 variation to number of car parking spaces on site. |
No – Refer to Clause 4.6 discussion below.
|
Local Environmental Plans
Cumberland Local Environmental Plan 2021
The provision of the Cumberland Local Environmental Plan 2021 is applicable to the development proposal. It is noted that the development achieves compliance with the key statutory requirements of the Cumberland Local Environmental Plan 2021 and the objectives of the R2 Low Density Residential Zone.
a) Permissibility:
The proposed development is defined as a secondary dwelling and is not permissible under the Cumberland Local Environmental Plan on R2 zone with consent. However, pursuant to Clause 50 of State Environmental Planning Policy (Housing) 2021 the following applies:
“… development for the purposes of a secondary dwelling on land in a residential zone if development for the purposes of a dwelling house is permissible on the land under another environmental planning instrument.”
As per the definitions within this division of the SEPP, a residential zone includes the R2 Low Density Residential Zone. In this regard, a secondary dwelling is permissible with consent within the R2 zoned land under the provisions of the SEPP (Housing) 2021.
The relevant matters to be considered under Cumberland LEP and the applicable clauses for the proposed development are summarised below. A comprehensive LEP assessment is contained in Attachment 4.
(b) Clause 4.6 – Variation to Clause 53(2)(b) of SEPP (Housing) 2021 – Number of parking spaces
Clause 4.6 aims to achieve better design outcomes for and from development by allowing an appropriate degree of flexibility to development standards if particular circumstances are satisfied.
The application seeks to vary the development standard under section 53(2)(b) of State Environmental Planning Policy (Housing) 2021 which requires that the number of parking spaces provided on site is to be the same as the number of parking spaces provided on the site immediately before the development is carried out. The approved car park space is a single garage, while the proposal does not provide any carpark space. The variation is 100%.
Consent may only be granted upon the consent authority being satisfied that the applicant has demonstrated in a document submitted with the application that (a) compliance with the development standard is unreasonable or unnecessary in the circumstances and (b) there are sufficient environmental planning grounds to justify the contravention of the development standard.
(a) compliance with the development standard is unreasonable or unnecessary in the circumstances.
The decision of Wehbe v Pittwater Council (2007) 156 LGERA 446; [2007] NSWLEC 827, affirmed in Initial Action Pty Ltd v Woollahra Municipal Council [2018] NSWLEC 118 set out five common and non-exhaustive ways in which an applicant might demonstrate that compliance with a development standard is unreasonable or unnecessary. They were that:
i) he objectives of the development standard are achieved notwithstanding non-compliance with the standard.
ii) the underlying objective or purpose is not relevant to the development with the consequence that compliance is unnecessary.
iii) the underlying objective or purpose would be defeated or thwarted if compliance was required with the consequence that compliance is unreasonable.
iv) the development standard has been virtually abandoned or destroyed by the Council’s decisions in granting development consents that depart from the standard and hence compliance with the standard is unnecessary and unreasonable.
v) the zoning of the particular land on which the development is proposed to be carried out was unreasonable or inappropriate so that the development standard, which was appropriate for that zoning, was also unreasonable or unnecessary as it applied to that land and that compliance with the standard in the circumstances of the case would also be unreasonable or unnecessary.
Applicant’s justification:
The applicant states that strict compliance with Clause 53(2)(b) of the Housing SEPP 2021 is unreasonable in this instance, as the existing rear garage requires to be removed to enable the proposed secondary dwelling to be appropriately sited having regard to setbacks, open space, access and flood levels. The replacement carport cannot be supported due to flooding constraints.
Planner’s comments:
The proposed development is consistent with the objectives of the Housing SEPP 2021, which seek to promote diverse housing types, address the needs of vulnerable members of the community, provide residents with a reasonable level of amenity, encourage housing in well-serviced locations, minimise environmental and climate impacts, ensure design compatibility that enhances the locality, support short-term rental accommodation, and prevent the loss of existing affordable rental housing. The proposed secondary dwelling also complies with the Cumberland Local Environmental Plan 2021, the Cumberland Development Control Plan 2021 (with the exception of the provision of covered parking spaces, discussed below), and Clauses 52 and 53 of State Environmental Planning Policy (Housing) 2021.
The development is suitable for the locality as the site meets the relevant controls relating to minimum lot size, landscaping, and site coverage. The design is compatible with the surrounding low-density residential character. As the proposed secondary dwelling located at the rear of the site, the proposal will not create adverse environmental or amenity impacts for neighbouring properties, nor will it result in a perception of overdevelopment along Warren Road.
The non-compliance relates to the provision of parking on the site. Neither the Housing SEPP 2021 nor the CDCP 2021 prescribe parking requirements for secondary dwellings. The existing driveway width of 2.5 metres, measured from the boundary to the principal dwelling wall, does not satisfy the 3 metres requirement under Australian Standard AS2890.1:2004 for B85 class vehicles. This constraint limits safe manoeuvring and the functionality of any garage or car space at the rear. Achieving compliance would require significant alterations to the existing principal dwelling, which are outside the scope of this application. The area in front of the proposed secondary dwelling is also unsuitable for parking, as it would be unsafe during major storm events, reduce floodplain storage capacity, and obstruct floodwater flows. In this regard, strict compliance with the control is not considered necessary, as the variation will not result in any adverse amenity or environmental impacts, and the proposal remains consistent with the objectives of the Housing SEPP 2021 and the CDCP 2021.
(b) there are sufficient environmental planning grounds to justify the contravention of the development standard.
In respect of there being sufficient environmental planning grounds to justify the contravention of the development standard, Initial Action found that although the phrase ‘environmental planning’ is not defined, it would refer to grounds that relate to the subject matter, scope and purpose of the Environmental Planning and Assessment Act 1979, including the objects in s.1.3. To be sufficient, the environmental planning grounds advanced in the written request must justify the contravention of the development standard, not simply promote the benefits of carrying out the development as a whole Four2Five Pty Ltd v Ashfield Council [2015] NSWCA 248.
Applicant’s justification:
The applicant states that there are sufficient environmental planning grounds to support the variation, as the proposal facilitates the delivery of an affordable, low-scale dwelling that is consistent with the objectives of the Housing SEPP, CLEP 2021 and the R2 Low Density Residential zone. The development maintains residential amenity, privacy, solar access and landscaping, while providing additional housing supply within a serviced location. e. The applicant argues that strict compliance would produce an inferior outcome, whereas the variation achieves the objectives of the standard and broader policy aims and is therefore well founded.
Planner’s comments:
Strict compliance with Clause 53(2)(b) of the State Environmental Planning Policy (Housing) 2021 in relation to the provision of a secondary dwelling is considered both unreasonable and unnecessary in the context of the subject application. The proposed development aligns with the key principles of the Housing SEPP and satisfies the objectives applicable to R2 Low Density Residential zoned land. Having regard to the nature of the proposed works and the pattern of similar development within the locality, the proposal is deemed appropriate in its context. The variation to the development standard concerning onsite parking provision is acceptable on environmental planning grounds, and the applicant’s written justification is well founded.
Conclusion
Council is satisfied that the applicant’s written request has appropriately addressed the requirements set out under Clause 4.6(3). Furthermore, Council is satisfied that the proposed development is in the public interest as it demonstrates consistency with both the objectives of the development standard in question and the objectives of the R2 Low Density Residential zone in which the development is situated. Having assessed the application on its individual merits, Council officers are of the view that the justification provided in support of the variation is reasonable and well founded. Accordingly, the proposed variation to Clause 53(2)(b), relating to the number of on-site parking spaces, is considered acceptable in this instance.
The provisions of any proposed instrument that is or has been the subject (EP&A Act s4.15 (1)(a)(ii))
Council has received a Gateway Determination from the Department of Planning, Housing and Infrastructure for the Draft Woodville Road Corridor Planning Proposal. As part of this approval, public exhibition of the Draft Woodville Road Corridor Planning Proposal has commenced. The public exhibition was carried out between the 4 March 2025 to 17 April 2025.
The Draft Planning Proposal seeks to revitalise Woodville Road by amending planning controls in the Cumberland Local Environmental Plan (CLEP) 2021 for 31 sites located around the three (3) precincts of Woodville North, Merrylands East and Woodville South.
The subject application was received on 06 July 2025 and the site does not fall within the Draft Woodville Road Corridor and therefore no further consideration is required.
The provisions of any Development Control Plans (EP&A Act s4.15 (1)(a)(iii))
The Cumberland Development Control Plan 2021 provides guidance for the design and operation of development to achieve the aims and objectives of the Cumberland Local Environmental Plan 2021. A comprehensive assessment and compliance table is contained in Attachment 5.
The development has been assessed using the following chapters:
· Part B1 – Dwelling Houses and Secondary Dwellings
· Part G3 – Traffic, Parking, Transport and Access (Vehicle)
· Part G4 – Stormwater and Drainage
· Part G5 – Sustainability, Biodiversity and Environmental Management
· Part G7 – Tree Management and Landscaping
· Part G8 – Waste Management
The following highlights a non-compliance with the CDCP 2021, which relates primarily to the number of parking requirements. The variations sought is considered satisfactory on merit in this instance:
Figure 4 – Cumberland DCP 2021 - Compliance Table.
|
Clause |
Control |
Proposed |
Complies |
|
Parking Rate – Part G3, Section 4.1, Control 1 |
vii) Parking rates shall comply with the minimum parking rates in Section 3 of this Part of the DCP. viii) Section 3 nominates minimum 1 covered space / dwelling house |
No covered space for the principal dwelling provided.
This is a 100% variation.
Please see variation discussion below. |
No, 100% variation acceptable on merit. Please see variation discussion below. |
|
Secondary dwellings – Part B1, Section 2.21, Control 10 |
ix) Maximum floor to ceiling height of 2.7m |
Maximum floor to ceiling height of 3.6m
This is a 33.34% variation.
Please see variation discussion below. |
No, 33.34% variation acceptable on merit. Please see variation discussion below. |
Part G3 – Traffic, Parking, Transport and Access (Vehicle), Section 4.1 Parking and Site Access
Objective 1: Minimise visual and environmental impacts of car parking and access.
Control 1 of the CDCP 2021 which requires minimum 1 covered space per dwelling house.
Justification: The existing driveway width of 2.5 metres, measured from the boundary to the principal dwelling wall, does not satisfy the 3 metres required under Australian Standard AS2890.1:2004 for B85 class vehicles. This constraint limits safe manoeuvring and the functionality of any garage or car space at the rear. Achieving compliance would require significant alterations to the existing principal dwelling, which are outside the scope of this application. The area in front of the proposed secondary dwelling is also unsuitable for parking, as it would be unsafe during major storm events, reduce floodplain storage capacity, and obstruct floodwater flows. Consequently, achieving compliance with this control is not feasible. The proposed variations will ultimately keep the functionality of the development.
In conclusion, the variation is considered reasonable and will not compromise the overall amenity of the development or the surrounding area.
Part B1 –Dwelling House and Secondary dwelling, Section 2.21 Secondary dwellings
Objectives
O1: Ensure a secondary dwelling is integrated with the design of the principal dwelling house, and is subservient in size, scale and nature to the principal dwelling house.
O2: Ensure secondary dwellings does not detract from the amenity of adjoining neighbours.
O3: Ensure that room sizes within secondary dwellings are functional, of sufficient size and cater for the intended use of the secondary dwelling.
Control 10 of section 2.21 requires a maximum floor to ceiling height of 2.7m
Justification: The proposed secondary dwelling includes a floor-to-ceiling height exceeding the maximum 2.7m control at certain points, with the highest internal point reaching approximately 3.6m due to the skillion style roof. This represents a variation of approximately 33.34% (0.9m). However, the increased height is limited to part of the structure and arises naturally from the roof form rather than any additional bulk. The variation is internal in effect and is not visually distinguishable from the exterior.
The roof design has been intentionally articulated to improve internal amenity through enhanced access to natural light and ventilation. The elevated section reduces reliance on artificial lighting and improves passive environmental performance. Importantly, the proposed building height remains compliant with the overall height limit and does not result in adverse impacts on neighbouring properties in terms of overshadowing, visual bulk, or privacy.
The secondary dwelling remains well suited and appropriate in scale and form to the principal dwelling and is consistent with the objectives of the relevant development standards. Therefore, the proposed variation is considered reasonable and acceptable in this instance on merit basis.
The provisions of any planning agreement that has been entered into under section 7.4, or any draft planning agreement that a developer has offered to enter into under section 7.4 (EP&A Act s4.15(1)(a)(iiia))
There is no draft planning agreement associated with the subject Development Application.
The provisions of the Regulations (EP&A Act s4.15 (1)(a)(iv))
The proposed development raises no concerns as to the relevant matters arising from the Environmental Planning and Assessment Regulation 2021 (EP&A Reg).
The Likely Environmental, Social or Economic Impacts (EP&A Act s4.15 (1)(b))
It is considered that the proposed development will have no significant adverse environmental, social or economic impacts in the locality.
The suitability of the site for the development (EP&A Act s4.15 (1)(c))
The subject site and locality is not known to be affected by any natural hazards or other site constraints likely to have a significant adverse impact on the proposed development. Accordingly, it is considered that the development is suitable in the context of the site and surrounding locality.
Submissions made in accordance with the Act or Regulation (EP&A Act s4.15 (1)(d))
There is no draft planning agreement associated with the subject Development Application
|
Advertised (Website) |
|
Sign |
Not Required |
In accordance with Council’s Notification requirements contained within the Cumberland Development Control Plan 2021, the proposal was publicly notified for a period of 14 days between 16 July 2025 and 30 July 2025. The notification generated no submission in respect of the proposal with nil disclosing a political donation or gift.
The public interest (EP&A Act s4.15(1)(e))
In view of the foregoing analysis, it is considered that the development, if carried out subject to the conditions set out in the recommendation below, will have no significant adverse impacts on the public interest.
CUMBERLAND LOCAL INFRASTRUCTURE CONTRIBUTIONS PLANS 2020
The development would require the payment of contributions in accordance with Cumberland Local Infrastructure Contributions Plan 2020.
In accordance with the Contribution Plan a contribution is payable, pursuant to Section 7.11 of the EP&A Act, calculated on the cost of works. A total contribution of $19,084.00 would be payable prior to the issue of a Construction Certificate.
HOUSING AND PRODUCTIVITY OF CONTRIBUTION (HPC)
In accordance with the HPC Order, the proposed development is exempt from paying a contribution as it does not generate additional infrastructure demand and is solely for the construction of a secondary dwelling with an attached pergola.
DISCLOSURE OF POLITICAL DONATIONS AND GIFTS
The applicant and notification process did not result in any disclosure of Political Donations and Gifts.
Conclusion:
The development application has been assessed in accordance with the relevant requirements of the Environmental Planning and Assessment Act 1979, Statement Environmental Planning Policy (Housing) 2021, Cumberland Local Environmental Plan 2021 and Cumberland Development Control Plan 2021 and is considered to be satisfactory for approval subject to the conditions of the development consent.
The proposed development is appropriately located within the R2 – Low Density Residential Zone under the relevant provisions of the Cumberland LEP 2021, however a variation in relation to the number of parking spaces on site under 53(2)(b) of the Statement Environmental Planning Policy (Housing) 2021 is sought.
Having regard to the assessment of the proposal from a merit perspective, Council may be satisfied that the development has been responsibly designed and provides for acceptable levels of amenity for future residents. It is considered that the proposal successfully minimises adverse impacts on the amenity of neighbouring properties. Hence the development, irrespective of the departures noted above, is consistent with the intentions of Council’s planning controls and represents a form of development contemplated by the relevant statutory and non-statutory controls applying to the land.
For these reasons, it is considered that the proposal is satisfactory having regard to the matters of consideration under Section 4.15 of the Environmental Planning and Assessment Act 1979, and the development may be approved subject to conditions
Consultation:
There are no consultation processes for Council associated with this report.
Financial Implications:
There are no financial implications for Council associated with this report.
Policy Implications:
There are no policy implications for Council associated with this report.
Communication / Publications:
The final outcome of this matter will be notified. The objectors will also be notified in writing of the outcome.
1. That the Clause 4.6 variation request to contravene the parking space requirement under Clause 53(2)(b) development standard, pursuant to the SEPP (Housing) 2021, be supported.
2. That Development Application No. DA2025/0449 for Demolition of existing garage and pergola at rear, construction of a secondary dwelling pursuant to the State Environmental Planning Policy (Housing) 2021 on land at 77 Warren Road WOODPARK NSW 2164 be Approved subject to conditions listed in the attached schedule.
Attachments
1. Draft Notice of Determination
3. Clause 4.6 Variation Report
4. Appendix A Cumberland LEP 2021 Assessment
DOCUMENTS
ASSOCIATED WITH
REPORT ELPP021/25
Attachment 1
Draft Notice of Determination
8 October 2025
Item No: ELPP022/25
Development Application - 297-301 & 305A Parramatta Road, Auburn
Directorate: Environment and Planning
Responsible Officer: Executive Manager City Planning and Development
|
Application lodged |
7 March 2025. |
|
Applicant |
H Hunt. |
|
Owner |
Associated World Investments Pty Ltd. |
|
Application No. |
DA2025/0123. |
|
Description of Land |
297-301 & 305A Parramatta Road Auburn. Lot 1 in DP 668936, Lot 1 in DP 316730, Lots B & C in DP 316729 and Lot 6 in DP 312763. |
|
Proposed Development |
Alterations and additions to the existing building to create a four (4) storey self-storage facility with ancillary office, at-grade parking and associated signage. |
|
Site Area |
6,504.9 sqm. |
|
Zoning |
E3 - Productivity Support. |
|
Disclosure of political donations and gifts |
Nil disclosure. |
|
Cost of works |
$8,372,592.00. |
|
Heritage |
The subject site is not an item of heritage significance, or within a conservation area. The subject site is in the vicinity of an archaeological site under the State Heritage List (item no. A4) and Schedule 5 of the Cumberland LEP (item no. I330) located at 312 Parramatta Road, Auburn. |
|
Principal Development Standards |
Floor Space Ratio Permissible: 1:1. Proposed: 1.27:1.
Height of Building
Permissible (No height limit stated). Application does not fall under Clause 4.3(2A) regarding a 27 metre height limit. Current height of 21.96 metres. No change. |
|
Issues |
Floor Space Ratio. |
Summary:
1. Development Application 2025/0123 was lodged on the 7 March 2025 for the alterations and additions to the existing building to create a four (4) storey self-storage facility with ancillary office, at-grade parking and associated signage.
2. The application was publicly notified to occupants and owners of the adjoining properties for a period of 14 days between 4 April 2025 and 18 April 2025. In response, no submissions were received.
3. On the 23rd of July 2025 and 5th of August 2025, the applicant lodged amended plans and documents. The amended plans did not require re-notification as the environmental impact is insignificant.
4. The subject site is not listed as a heritage item or located within the heritage conservation area within the Cumberland Local Environmental Plan 2021. The subject site is in the vicinity of an archaeological site under the State Heritage List (item no. A4) and Schedule 5 of the Cumberland LEP (item no. I330) located at 312 Parramatta Road, Auburn.
5. The variations are as follows:
|
Control |
Required |
|
Provided |
% variation |
|
CLEP 2021 Floor Space Ratio |
1:1 (6,504.9 sqm) |
|
1.27:1 (8,273.4 sqm) |
(variation of 1,768.4 sqm) |
6. The application is referred to the Panel as the proposal contravenes a development standard by more than 10%.
7. The application is recommended for approval subject to the conditions as recommended in the Council’s assessment report.
Report:
Subject Site and Surrounding Area
The site consists of 5 lots forming Lot 1 in DP 668936, Lot 1 in DP 316730, Lots B & C in DP 316729 and Lot 6 in DP 312763 and is known as 297-301 and 305A Parramatta Road, Auburn. The subject site is ‘rectangular’ in shape with a total area of 6,504.9 sqm, a street frontage of 57.54m to Parramatta Road and 61m to Short Street. The site is zoned E3- Productivity Support under the Cumberland Local Environmental Plan 2021 (CLEP) and forms part of the ‘Parramatta Road Precinct’.
The site currently comprises a freestanding industrial warehouse with a two-storey brick building to the southern boundary (Parramatta Road). Hardstand areas are located west and east of the warehouse. Existing vehicle access is provided along the northern boundary of the site from Short Street. The building is currently occupied by TORO Waste Equipment, a company which manufactures and supplies skip bins, waste bins and shipping containers. There are no significant trees on the site. It is noted that Sydney Water sewer main line traverses though the site.
The surrounding land uses of the site are predominantly commercial, industrial and retail uses. Duck River is located approximately 150m to the northwest of the site. To the north of the site is a Concrete batching Plant, to the east an (RV Store), to the south, the site adjoins Parramatta Road (classified road) and to the west is the Bingo head office and workshop.
The Parramatta Road commercial precinct locality is characterised by a mix of light/general industrial, warehouse and distribution centres, specialised retail premises, shopping centres and food and drink premises development immediately to the north, east, west and south of the site. The site is within proximity to major road corridors including the Western Motorway.
The site is shown below edged in red and purple below.

Figure 1 - Locality Plan of subject site

Figure 2 - Aerial view of subject site


Description of The Development
Council has received a development application for alterations and additions to the existing building to create a four (4) storey self-storage facility with ancillary office, at-grade parking and associated signage. The detailed breakdown of the proposal is provided below:
Partial Demolition
- The proposal involves the demolition of the existing office building, internal stairs, roller doors existing facilities, crane structures within the warehouse and minor demolition of façade to allow for the installation of openings.
- Relocation of existing stormwater downpipes.
Proposed alterations and additions
- Alterations and additions to the existing warehouse building including the construction of three floor slabs to create the four levels of self-storage facility comprising of around 654 storage units ranging in size from 9 sqm to 15 sqm.
Ground Floor
- 61 sqm of office space including an accessible toilet and a kitchenette.
- Self storage area.
- 3 lift cores and 3 stair wells.
- Loading dock and loading bays.
- Bin room.
- Hardstand areas along the eastern and western boundaries
- 30 car parking spaces along the eastern boundary including one accessible car space.
First - Third Floors (typical)
- Self storage units.
- 3 lift cores and 3 stair wells.
Landscape works
- Perimeter landscaping along the primary frontage and side boundaries including trees and shrubs.
Stormwater works
- Retention of the existing stormwater pipes running from the western boundary of the site towards the northern boundary.
- Installation of new pipes and pits and storm filter system.
Access
- Access to the site is to be maintained via Short Street, featuring a 2-way entry/exit driveway along the western end.
- The existing entry/exit driveway located on the eastern end of the Short Street site frontage is to be converted to an exit-only driveway.
Signage
- 3 business identification signs are proposed across the eastern and northern building elevations:
· 6.9m x 2.8m - Eastern elevation.
· 9m x 3m - Northern elevation.
· 2.41m x 1.18m - office entrance.
- 3 way finding signs are proposed across the eastern elevation:
· 6.9m x 1.6m.
· 2.75m x 0.64m.
· 6.26m x 0.64m.
Office Premises - Hours of Operation
- Mondays to Saturdays 6:00am - 10:00pm.
- Sundays 9:00am - 6:00pm.
Note: The self-storage facility will be open 24 hours daily.
History
- On 12 February 1997, a development application (Development Consent No. 234/96) was approved under Deferred Commencement for additions, alterations and fit out of existing building at 297-301 Parramatta Road, Auburn.
- On 28 February 2012, a development application (Development Consent No. 2011/135) was approved for alterations and additions to existing industrial development including the construction of 5 new buildings, signage and associated site works at 305A, Parramatta Road, Auburn.
- On 2 May 2014, a development application (Development Consent No. 2012/348) was approved for the construction of an administration building and hard stand area for the purposes of storage of empty waste bins and truck parking 305A, Parramatta Road, Auburn.
Applicants Supporting Statement
The applicant has provided a Statement of Environmental Effects prepared by Gyde dated 27 February 2025 which was accepted by Council on 10 March 2025 in support of the application.
Contact With Relevant Parties
The assessing officer has undertaken a site inspection of the subject site and surrounding properties and has been in regular contact with the applicant throughout the assessment process.
Internal Referrals
Development Engineering
The development application was referred to Council’s Development Engineer for comment who has advised that the development proposal is satisfactory and therefore can be supported subject to recommended conditions of consent.
Environmental Health
The development application was referred to Council’s Environmental Health Officer for comment who has advised that the proposal is satisfactory and therefore can be supported subject to recommended conditions of consent.
Waste Management
The development application was referred to Council’s Waste Management Officer for comment who has advised that the development proposal is satisfactory in terms of the proposed waste collection and therefore can be supported subject to recommended conditions of consent.
External Referrals
Ausgrid
Ausgrid has raised no concern with the proposal subject to the inclusion of conditions in any consent for the development to ensure the proposed driveways and any other works do not interfere with existing underground cables located in the vicinity of the development and that available electricity services are adequate for the development.
Sydney Water
In accordance with Section 78 of the Sydney Water Act 1994, the development was referred to Sydney Water for comment. Sydney Water has raised no objection to the proposal subject to conditions.
Planning Comments
The provisions of any Environmental Planning Instruments (EP&A Act s4.15 (1)(a)(i))
State Environmental Planning Policies
The proposed development is affected by the following State Environmental Planning Policies:
|
· State Environmental Planning Policy (Biodiversity and Conservation) 2021.
|
Chapter 2 -Vegetation in non Rural Areas. |
No significant vegetation is proposed to be removed as part of the proposed application. |
|
Chapter 6 - Water Catchments.
Sydney Harbour Catchment
|
It is determined that given the location of the site, a detailed assessment is not required given that there is no direct impact upon the catchment and no direct impact upon watercourses. As such, the development is acceptable under the provisions that came into effect on Monday, 21 November 2022. |
|
|
· State Environmental Planning Policy (Resilience and Hazards) 2021.
|
Chapter 2 - Coastal Management. |
N/A –The site is in the vicinity of Duck River which is located approximately 150m to the northwest of the site. However, the subject site is not identified as a coastal wetland and ‘land identified as “proximity area for coastal wetlands” and coastal management area.
Notwithstanding, given the nature of the proposed works being mainly internal building alterations with no change to the overall building footprint, it is considered that the proposal will have no adverse on the watercourse. |
| Chapter 3 |
The proposed development is only for ‘self storage facility’ which is not considered to be hazardous or offensive development. |
|
|
Chapter 4 - Remediation of Land.
Part 4.6. |
Part 4.6 - Contamination and remediation to be considered in determining development application.
Comments A Detailed Site Investigation (DSI) prepared by Getex was submitted to support the proposal.
A Hazardous Building Materials Survey report has also been prepared by Environmental Consulting Services and submitted under separate cover. The report identifies that the building materials currently on the site have not been damaged or deteriorated and pose a low risk.
1. Council’s Environmental Health Officer has reviewed the reports and considered the proposal to be satisfactory in accordance with the provisions of this chapter. 2. 2. It is considered that the development application is satisfactory under Part 4.6 of Chapter 4 of the State Policy. |
|
|
· State Environmental Planning Policy (Sustainable Buildings) 2022
|
Chapter 3 – Standards for non-residential development |
Chapter 3 of SEPP (Sustainable Buildings) 2022 does not apply to this development as the alterations, enlargement or extension of the existing building does not have a capital investment value of $10 million or more. |
|
· State Environmental Planning Policy (Industry and Employment) 2021. |
Chapter 3 Advertising and Signage. |
Signage is proposed as part of the development application. Refer to Attachment 6 for detailed assessment. |
|
· State Environmental Planning Policy (Transport and Infrastructure) 2021. |
Chapter 2 - Infrastructure.
|
Where relevant, appropriate referrals have been undertaken to service authorities. |
|
Clause 2.48
|
Chapter 2 - Infrastructure.
Determination of development applications (Subpart (2) - Give written notice to electricity providers and take account of responses received within 21 days.
Comment The development application was referred to Ausgrid for comment who raised no issue with the proposal subject to the inclusion of conditions into any consent for the development to ensure the proposed driveways and any other construction activities do not interfere with existing underground cables located in the vicinity of the development and the available electricity services are adequate for the development. |
|
|
Clause 2.119
|
Parramatta Road is a classified road. Notwithstanding, no works are proposed along the classified road. Vehicular access to the site is provided via Short Street at and the proposal has been designed to front this street as its primary pedestrian and vehicular entrance. There are no proposed or existing access to the site via Parramatta Road. In this regard, no referral to Transport for NSW is warranted in this instance. |
Local Environmental Plans
Cumberland Local Environmental Plan 2021
The provision of the Cumberland Local Environmental Plan 2021 is applicable to the development proposal. It is noted that, with the exception of the Floor Space Ratio non compliance, the development generally satisfies the relevant provisions of the Cumberland Local Environmental Plan 2021 and the objectives of the E3 - Productivity Support zone.
(a) Permissibility:
The proposed development comprises a ‘self-storage unit’ facility and or a storage premises, ancillary ‘office premises’ and ‘business identifications signs’ which are permitted with consent under the E3 Zone as follows:
Self-storage units is defined in the CLEP 2021 as “… premises that consist of individual enclosed compartments for storing goods or materials (other than hazardous or offensive goods or materials). Note: Self-storage units are a type of storage premises—see the definition of that term in this Dictionary.”
Storage premises means a building or place used for the storage of goods, materials, plant or machinery for commercial purposes and where the storage is not ancillary to any industry, business premises or retail premises on the same parcel of land, and includes self-storage units, but does not include a heavy industrial storage establishment, local distribution premises or a warehouse or distribution centre.
Office premises is defined in the CLEP 2021 as a building or place used for the purpose of administrative, clerical, technical, professional or similar activities that do not include dealing with members of the public at the building or place on a direct and regular basis, except where such dealing is a minor activity (by appointment) that is ancillary to the main purpose for which the building or place is used. Note: Office premises are a type of commercial premises—see the definition of that term in this Dictionary.”
Business identification sign is defined as: “a sign that identifies or names a building and that may include the name of a building, the street name and number of a building, and a logo or other symbol but does not include general advertising of products, goods or services.
Note- Building identification signs are a type of signage—see the definition of that term in this Dictionary”.
The proposed self-storage unit facility promotes businesses and provides employment uses (including the ancillary office) along Parramatta Road and is a use which is compatible with the surrounding uses. The development is consistent with the objectives of the E3 - Productivity Support Zone.
The relevant matters to be considered under CLEP 2021 and the applicable clauses for the proposed development are summarised below. A comprehensive CLEP assessment is contained in Attachment 7.
Cumberland LEP 2021 Compliance Table
|
DEVELOPMENT STANDARD |
COMPLIANCE |
DISCUSSION |
|
4.3 Height of Buildings.
Clause 4.3(2A): The maximum height of office premises and hotel or motel accommodation in the “Parramatta Road Precinct”, shown edged orange on the Height of Buildings Map is 27 metres. |
N/A |
The site is identified in the CLEP 2021 as part of the Parramatta Road Precinct. Pursuant to Clause 4.3(2A), the precinct has no nominated height except for office premises and hotel or motel accommodation (where a maximum height of 27m applies).
As the proposal is for a self-storage unit facility, the HOB Development Standard does not apply.
The existing building height of 21.96 metres remains unchanged. |
|
4.4 Floor Space Ratio - 1:1
|
Proposed FSR = 1.27:1 (an excess of 1,768.4 sqm). |
No - the proposal exceeds 1:1.
Refer to Clause 4.6 Variation below. |
|
4.6 Exceptions to Development Standards |
Yes |
Refer to detailed assessment below. |
Clause 4.6 - Exceptions to development standards
Clause 4.6 aims to achieve better design outcomes for and from development by allowing an appropriate degree of flexibility to development standards if particular circumstances are satisfied.
The proposed change of use seeks to adapt the existing warehouse building into a four-storey self-storage facility by inserting additional internal floor slabs, generating a 27% exceedance of the maximum FSR. In this regard, the application seeks to vary the development standard for floor space ratio under Clause 4.4 of the Cumberland Local Environmental Plan 2021 by proposing an FSR of 1.27:1 resulting in a variation of 27% or 1,732.5 sqm.
Consent may only be granted upon the consent authority being satisfied that the applicant has demonstrated in a document submitted with the application that (a) compliance with the development standard is unreasonable or unnecessary in the circumstances and (b) there are sufficient environmental planning grounds to justify the contravention of the development standard.
(a) compliance with the development standard is unreasonable or unnecessary in the circumstances.
The decision of Wehbe v Pittwater Council (2007) 156 LGERA 446; [2007] NSWLEC 827, affirmed in Initial Action Pty Ltd v Woollahra Municipal Council [2018] NSWLEC 118 set out five common and non-exhaustive ways in which an applicant might demonstrate that compliance with a development standard is unreasonable or unnecessary. They were that:
(i) the objectives of the development standard are achieved notwithstanding non-compliance with the standard.
(ii) the underlying objective or purpose is not relevant to the development with the consequence that compliance is unnecessary.
(iii) the underlying objective or purpose would be defeated or thwarted if compliance was required with the consequence that compliance is unreasonable.
(iv) the development standard has been virtually abandoned or destroyed by the Council’s decisions in granting development consents that depart from the standard and hence compliance with the standard is unnecessary and unreasonable.
(v) the zoning of the particular land on which the development is proposed to be carried out was unreasonable or inappropriate so that the development standard, which was appropriate for that zoning, was also unreasonable or unnecessary as it applied to that land and that compliance with the standard in the circumstances of the case would also be unreasonable or unnecessary.
Applicant’s Justification:
The applicant relies on the Wehbe v Pittwater Council (2007) NSW LEC 827, claiming the following:
· The objectives of Clause 4.4 of the CLEP 2021 are as follows:
(a) to establish a maximum floor space ratio to enable appropriate development density,
(b) to ensure that development intensity reflects its locality.
· The proposed FSR is considered to be appropriate in this particular case because the proposal overall relies entirely on the existing building envelope and footprint.
· The proposal does not result in any further amenity impacts such as overshadowing. The additional traffic generation has been assessed by Varga Traffic Planning Pty Ltd and deemed to be negligible, largely because self-storage land uses are categorised as low intensity land uses. Therefore, as the proposal does not result in any unreasonable impacts, it is considered to be appropriate development density as sought by objective A, and reflective of the subject locality’s intensity as sought by objective B.
· Any external alterations result in an improved streetscape presentation.
Planner’s comments:
· The proposal does not alter the existing building height, footprint or external envelope. The perceived bulk and scale from the public domain remain consistent with the existing warehouse form.
· The FSR variation arises solely from internal subdivision of space by introducing additional floor slabs which increases the Gross Floor Area without enlarging the building.
· A self-storage facility is a low-intensity land use that generates substantially less demand on traffic, parking and services compared with other forms of commercial or industrial development permissible on the site.
· The development does not introduce additional overshadowing, overlooking or visual bulk impacts to adjoining properties.
· The development delivers a compatible built form outcome, provides employment opportunities, and contributes to local economic activity while meeting the objectives of both the FSR development standard and the zone.
The applicant’s justification is therefore considered to be well founded.
(b) there are sufficient environmental planning grounds to justify the contravention of the development standard.
In respect of there being sufficient environmental planning grounds to justify the contravention of the development standard, Initial Action found that although the phrase ‘environmental planning’ is not defined, it would refer to grounds that relate to the subject matter, scope and purpose of the Environmental Planning and Assessment Act 1979, including the objects in s.1.3. To be sufficient, the environmental planning grounds advanced in the written request must justify the contravention of the development standard, not simply promote the benefits of carrying out the development as a whole Four2Five Pty Ltd v Ashfield Council [2015] NSWCA 248.
Applicant’s justification:
· The additional floor area is contained entirely within the existing building footprint and envelope. Subsequently, the development does not create any additional bulk, scale or amenity impacts.
· Self-storage is a low-intensity use, as evidenced by its relatively low traffic generation. Varga Traffic Planning Pty Ltd has determined that the proposed development result in a slight reduction in the traffic generation potential of the site of approximately 5 vph compared to the existing use on the site.
· Development with far greater FSR (i.e. between 1.5:1 to 3:1) is permitted on the site according to Clause 4.4(2B)(a) and (b) of the CLEP 2021.
· Self storage is a low intensity use, this is demonstrated by the relatively low traffic generation.
· Self-storage is becoming an increasingly residential use, supporting higher housing densities
Planner’s comments:
The additional floor space ratio does not alter the originally approved building bulk and scale and ‘as built’ building. The building alterations are mainly internal and the proposal does not unduly change the interrelationship of the development with either of the adjoining properties or the streetscape character. Further, the proposed alterations will not contribute to additional shadow impact on adjoining properties. The variation arises solely from internal floor slabs to create additional storeys within the existing volume of the building, with no changes to the building height, footprint, or external envelope.
Having regard to the above, the numerical floor space ratio departure is considered acceptable on merit.
Conclusion
Council is satisfied that the applicant’s written request has adequately addressed the matters required to be demonstrated by clause 4.6 subclause (3). Council is further satisfied that the proposed development is consistent with the objectives of the particular standard and the objectives for development within the zone in which the development is proposed to be carried out.
It is the view of Council Officers that justification provided is satisfactory and having considered the application on its merit, the exception to the floor space ratio development standards is considered acceptable in this instance.
The provisions of any proposed instrument that is or has been the subject (EP&A Act s4.15 (1)(a)(ii))
Cumberland Council | Woodville Road Corridor - Draft Planning Proposal
Council has received a Gateway Determination from the Department of Planning, Housing and Infrastructure for the Draft Woodville Road Corridor Planning Proposal. As part of this approval, public exhibition of the Draft Woodville Road Corridor Planning Proposal has commenced. The public exhibition was carried out between the 4 March 2025 to 17 April 2025.
The Draft Planning Proposal seeks to revitalise Woodville Road by amending planning controls in the Cumberland Local Environmental Plan (CLEP) 2021 for 31 sites located around the three (3) precincts of Woodville North, Merrylands East and Woodville South.
The subject application was accepted on 10 March 2025 and the site does not fall within the Draft Woodville Road Corridor. Therefore, no further consideration is required.
The provisions of any Development Control Plans (EP&A Act s4.15 (1)(a)(iii))
The Cumberland Development Control Plan 2021 is relevant to the development proposal.
The development has been assessed using the following chapters:
- Part C – Development in Business Zones.
- Part G1 – Advertising and Signage.
- Part G3 – Traffic, Parking, Transport and Access.
- Part G4 – Stormwater and Drainage.
- Part G5 – Sustainability, Biodiversity and Environmental Management.
- Part G7 – Tree Management and Landscaping.
- Part G8 – Waste Management.
The development is found to generally comply with the relevant provisions of the DCP.
A comprehensive assessment and compliance table is contained in Attachment 8.
The provisions of any planning agreement that has been entered into under section 7.4, or any draft planning agreement that a developer has offered to enter into under section 7.4 (EP&A Act s4.15(1)(a)(iiia))
There is no draft planning agreement associated with the subject Development Application.
The provisions of the Regulations (EP&A Act s4.15 (1)(a)(iv))
The proposed development raises no concerns as to the relevant matters arising from the Environmental Planning and Assessment Regulation 2021 (EP&A Reg).
The Likely Environmental, Social or Economic Impacts (EP&A Act s4.15 (1)(b))
It is considered that the proposed development will have no significant adverse environmental, social or economic impacts in the locality.
The suitability of the site for the development (EP&A Act s4.15 (1)(c))
The subject site and locality is not known to be affected by any natural hazards or other site constraints likely to have a significant adverse impact on the proposed development. Accordingly, it is considered that the development is suitable in the context of the site and surrounding locality.
Submissions made in accordance with the Act or Regulation (EP&A Act s4.15 (1)(d))
|
Advertised (Website) |
|
Sign |
Not Required
|
In accordance with Council’s Notification requirements contained within the Cumberland DCP 2021, the proposal was publicly notified for a period of 14 days between 4 April 2025 and 18 April 2025. The notification generated no submissions in respect of the proposal.
The public interest (EP&A Act s4.15(1)(e))
In view of the foregoing analysis, it is considered that the development, if carried out subject to the conditions set out in the recommendation below, will have no significant adverse impacts on the public interest.
CUMBERLAND LOCAL INFRASTRUCTURE CONTRIBUTIONS PLANS 2020
The development would require the payment of contributions in accordance with Cumberland Local Infrastructure Contributions Plan 2020.
In accordance with the Contribution Plan a contribution is payable, pursuant to Section 7.12 of the EP&A Act, calculated on the cost of works. If the development is approved, a total contribution of $84,261.00 would be payable prior to the issue of a Construction Certificate.
HOUSING AND PRODUCTIVITY OF CONTRIBUTION (HPC)
In accordance with s7.24, s7.26 and s7.28 of the Environmental Planning and Assessment Act, 1979, the proposed development is subject to the payment of the Housing and Productivity Contribution (HPC).
A condition of consent has been imposed on the development consent in accordance with s7.28 of the EP&A Act 1979 requiring the payment of the HPC. The amount is calculated at $79,400.33.
DISCLOSURE OF POLITICAL DONATIONS AND GIFTS
The applicant and notification process did not result in any disclosure of Political Donations and Gifts.
Conclusion:
The development application has been assessed in accordance with the relevant requirements of the Environmental Planning and Assessment Act 1979, State Environmental Planning Policy (Resilience and Hazards) 2021, State Environmental Planning Policy (Industry and Employment) 2021 and State Environmental Planning Policy (Transport and Infrastructure) 2021, Cumberland Local Environmental Plan 2021, Cumberland Development Control Plan 2021 and is satisfactory for approval subject to conditions.
The proposed development is appropriately located within the E3 - Productivity Support Zone under the relevant provisions of the CLEP 2021. The proposal is generally consistent with most of the statutory and non-statutory controls applying to the development except for the floor space ratio. Having regard to the assessment of the proposal from a merit perspective, Council may be satisfied that the development has been responsibly designed and provides a built form consistent with and appropriate to the desired future character of the site. Hence the development, irrespective of the departures in relation to floor space ratio, is consistent with the intentions of Council’s planning controls and represents a form of development contemplated by the relevant statutory and non-statutory controls applying to the land.
For these reasons, it is considered that the proposal is satisfactory having regard to the matters of consideration under Section 4.15 of the Environmental Planning and Assessment Act 1979, and the development may be approved subject to conditions
Consultation:
There are no consultation processes for Council associated with this report.
Financial Implications:
There are no financial implications for Council associated with this report.
Policy Implications:
There are no policy implications for Council associated with this report.
Communication / Publications:
The final outcome of this matter will be notified. The objectors will also be notified in writing of the outcome.
1. That the Clause 4.6 variation request to contravene the Floor Space Ratio development standard, pursuant to the Cumberland Local Environmental Plan 2021, be supported.
2. That Development Application No. DA2025/0123 for alterations and additions to the existing building to create a four (4) storey self-storage facility with ancillary office, at-grade parking and associated signage on land at 297- 301 and 305A Parramatta Road Auburn be approved subject to conditions listed in the attached schedule.
Attachments
1. Draft Notice of Determination
3. Stormwater/Engineering Plans
4. Clause 4.6 Variation Request - Floor Space Ratio
6. Appendix A - State Environmental Planning Policy (Industry and Employment) 2021
7. Appendix B - Cumberland LEP 2021 Assessment
DOCUMENTS
ASSOCIATED WITH
REPORT ELPP022/25
Attachment 1
Draft Notice of Determination
DOCUMENTS
ASSOCIATED WITH
REPORT ELPP022/25
Attachment 4
Clause 4.6 Variation Request - Floor Space Ratio
DOCUMENTS
ASSOCIATED WITH
REPORT ELPP022/25
Attachment 6
Appendix A - State Environmental Planning Policy (Industry and Employment) 2021
DOCUMENTS
ASSOCIATED WITH
REPORT ELPP022/25
Attachment 7
Appendix B - Cumberland LEP 2021 Assessment
DOCUMENTS
ASSOCIATED WITH
REPORT ELPP022/25
Attachment 8
Appendix C - Cumberland DCP 2021 Assessment
8 October 2025
Item No: ELPP023/25
Development Application - 459 Guildford Road, Guildford
Directorate: Environment and Planning
Responsible Officer: Executive Manager City Planning and Development
|
Application lodged |
Tuesday 22 May 2025. |
|
Applicant |
Yw Property Development Pty Ltd. |
|
Owner |
YW Property Development Pty Ltd. |
|
Application No. |
DA2025/0309. |
|
Description of Land |
459-461 Guildford Road Guildford being Lot B DP 171122 and Lot A in DP 10962. |
|
Proposed Development |
Demolition of existing structures erection of a co-living and residential flat building containing 44 co-living units and 5 residential flats of which 4 are nominated for infill affordable housing. |
|
Site Area |
1,013.6 square metres. |
|
Zoning |
R4 High Density Residential. |
|
Disclosure of political donations and gifts |
Nil disclosure. |
|
Cost of works |
$8,149,097.11. |
|
Heritage |
N/A. |
|
Principal Development Standards |
FSR
Permissible: 1.2:1 + 10% if the additional floor space is used only for co-living (Maximum 1.32:1).
Proposed: 1.58:1.
Height
Permissible: 15m. Proposed: 17.8m. |
|
Issues |
Floor space ratio. Building height. Car parking. Amenities. |
Summary:
1. Development application 2025/0309 was lodged on the 22 May 2025 for demolition of existing structures erection of a co-living and residential flat building containing 44 co-living units and 5 residential flats of which 4 are nominated for infill affordable housing.
2. The application was publicly notified to occupants and owners of the adjoining properties for a period of 14 days between 5 June 2025 and 19 June 2025. In response, no submissions were received.
3. The primary non-compliances are as follows:
|
Control |
Required |
Provided |
% variation |
|
Clause 4.4 Floor Space Ratio
s.68 (c)(ii) SEPP Housing (2021) |
Max. 1.2:1
1.2:1 + 10% if the additional floor space is used only for co-living = 1.32 |
1.58:1 |
31.67%
19.7% |
|
Laundry facilities s.69(1)(f) Housing SEPP 2021 |
Adequate laundry facilities. |
Not provided for each unit or floor. |
100% |
|
s. 68(2)(e) & s.148(2)(a) SEPP Housing (2021) |
Minimum 13 car parking spaces |
12 |
8.33% |
|
Clause 4.3 Height of Buildings CLEP 2021 |
Max. 15m |
17.8m |
18.67% |
4. The application is referred to the Panel as the proposal is considered to be contentious development under Chapter 4 of the State Environmental Planning Policy (Housing) 2021.
5. The application is recommended to be refused for the reasons listed in the Council’s assessment report.
Report:
Subject Site and Surrounding Area
The subject site forms Lot B in DP 171122 and Lot A DP 10962 and is identified as 459-461 Guildford Road, Guildford. The site is rectangular in shape with frontages of 26.82m to the northern side of Guildford Road and 37.795m to the eastern side of Berwick Street. The site occupies an area of 1,013.6 square metres. The site falls approximately 1.5m from the Guildford Road frontage to the rear (north) at a gentle to moderate grade of 4%. The site contains two single storey detached dwelling houses, a detached garage and several small to medium sized trees.
Surrounding development comprises one and two storey dwelling houses, older style residential flat buildings of up to three storeys and new style residential flat buildings of up to four storeys. The site is located approximately 620 metres west of the entry to the Guildford railway station.
The location of the site is shown below edged in purple.

Figure 1 - Locality Plan of subject site highlighted in purple [Source: Intramap]

Figure 2 - Aerial view of subject site highlighted in purple [Source: Intramap]

Figure 3 - Street view of subject site as seen from Guildford Road
Description of The Development
Council has received a development application for the demolition of existing structures and erection of a co-living and residential flat building containing 44 co-living units and 5 residential apartments of which 4 are nominated as being infill affordable housing. The detailed breakdown of the proposal is shown below:
Demolition work
All structures on the site is earmarked to be demolished.
Construction work
The construction work is shown within the table below.
|
Level |
Details |
|
Basement Level |
- 12 parking spaces inclusive of 1 accessible space. - 11 motorcycle parking spaces. - 12 bicycle parking spaces. - Bin room with bulky waste storage area. - Communications room. - Pump room. - 5 storage rooms / cases, 1 each for the residential flats. |
|
Ground Floor |
- 8 double occupancy co-living rooms with 7 of the rooms having a ground level private open space area. - 2 communal living areas. - Lobby areas, accessed through the front communal living area. |
|
Levels 1 to 3. |
- 12 double occupancy co-living rooms, inclusive of 1 accessible room. All rooms have a balcony. |
|
Level 4 |
- 4 x studio units all with balconies and of which 3 are for affordable housing and 1 which is an adaptable unit. - 1 x 2 bedroom unit with balcony identified as being for affordable housing. |
In addition to the above:
· One lift will service all levels of the building.
· There is a storage area on each of the ground floor and levels 1-4 to accommodate one garbage, one recycling and one green waste bin per level.
· Vehicular access to the basement levels is via a single width ramp located proximate to the site’s eastern side boundary.
· Pedestrian access to the ground level is proposed via a ramp from a point centrally located along the site’s Guildford Road frontage.
The Panel is informed that an appeal has been lodged in relation to the application for deemed refusal. A Section 34 conciliation conference is set to be held on Thursday, 11 December 2025.
History
Council records do not show any history relevant to the scope of this development.
Applicants Supporting Statement
The applicant has provided a Statement of Environmental Effects prepared by Planning Ingenuity dated 6 May 2025 and was received by Council on 22 May 2025 in support of the application.
Contact With Relevant Parties
The assessing officer has undertaken a site inspection of the subject site and surrounding properties and has been in regular contact with the applicant throughout the assessment process.
Internal Referrals
Development Engineering
The development application was referred to Council’s Development Engineer for comment who has advised that the driveway access should be relocated from Guildford Road to Berwick Street to improve vehicle safety and that a splay should be provided at the corner of Guildford Road and Berwick Street.
As a result, the development in its current form is not fully supported.
Environmental Health
The development application was referred to Council’s Environmental Health Officer for comment who has advised that the proposal is satisfactory subject to conditions of consent.
Tree Management
The development application was referred to Council’s Tree Management Officer for comment who has advised that the proposal is satisfactory subject to conditions of consent (if approved).
Waste Management
The development application was referred to Council’s Waste Management Officer for comment who has advised that the proposal is satisfactory subject to conditions of consent (if approved).
External Referrals
Endeavour Energy
The development application was referred to Endeavour Energy for comment who has advised that the proposal is satisfactory subject to conditions of consent.
Sydney Water
The development application was referred to Sydney Water for comment who raised no objections to the development subject to conditions.
Planning Comments
The provisions of any Environmental Planning Instruments (EP&A Act s4.15 (1)(a)(i))
State Environmental Planning Policies
The proposed development is affected by the following State Environmental Planning Policies:
|
State Environmental Planning Policies (SEPPs) |
Relevant Clause(s) |
Compliance with Requirements |
|
· State Environmental Planning Policy (Biodiversity and Conservation) 2021.
|
Chapter 2 -Vegetation in non Rural Areas. |
Yes - The development application involves the removal of 7 trees with a maximum height of 7m.
Council’s Tree Management Officer has reviewed the proposed tree removal and raised no objections subject to conditions (if approved).
The proposal does not exceed the biodiversity offsets scheme threshold. Therefore, the proposed vegetation removal is considered acceptable. |
|
Chapter 6 - Water Catchments.
Sydney Harbour Catchment
|
It is determined that given the location of the site location, a detailed assessment is not required given that there is no direct impact upon the catchment and no direct impact upon watercourses. As such, the development is acceptable. |
|
|
· State Environmental Planning Policy (Resilience and Hazards) 2021.
|
Chapter 2 - Coastal Management. |
The subject site is not identified as being within a coastal wetland or ‘land identified as “proximity area for coastal wetlands” or coastal management area. |
|
Chapter 4 - Remediation of Land.
Part 4.6. |
Part 4.6 - Contamination and remediation to be considered in determining development application.
Comments
The application was submitted with a Preliminary Site Investigation Report, which conclude that the site is suitable for the proposed use. Council’s Environmental Health Officer has assessed the application and raised no objections, subject to conditions (if approved). i) As such, it is considered that the development application is satisfactory under Part 4.6 of Chapter 4 of the State Policy. |
|
|
· State Environmental Planning Policy (Industry and Employment) 2021. |
Chapter 3 Advertising and Signage. |
No signage is proposed as part of the development application and thus no assessment of signage is required. |
|
· State Environmental Planning Policy (Sustainable Buildings) 2022
|
Chapter 2 Standards for residential Development -BASIX. |
BASIX Certificate No. 1792196M dated 16 April 2025 has been submitted for the 5 apartment units and is acceptable. |
|
· State Environmental Planning Policy (Housing) 2021
|
Chapter 2, Part 2. Division 1 – Infill affordable housing |
The development seeks to provide In-fill affordable housing pursuant to Chapter 2, Division 1.
The proposal does not meet the criteria of Section 15C(1)(a) as the development is not permitted with consent under (i) Chapter 3 Part 4 (build-to rent housing), (ii) Chapter 5 (transport orientated development), (iii) Chapter 6 (low and mid rise housing) or (iv) another environmental planning instrument (Cumberland Local Environmental Plan 2021).
The proposed development has two components, co-living housing and a residential flat building which includes 4 affordable units. The co-living housing is not specified in the above chapters nor the Cumberland LEP 2021 and therefore the requirements under section 16 do not apply. |
|
Chapter 3 (Part 3) Co-living Housing
|
The subject site is located within the R4 High Density Residential zone. The Clause permits co-living housing in a zone where residential flat buildings or shop top housing is permitted under another environmental planning instrument. In this case, both land uses are permitted within the zone.
State Environmental Planning Policy (Housing) 2021 permits co-living housing on the site with consent.
An assessment against the relevant provisions of Chapter 3 identifies 3 variations being:
· Floor space ratio. · Car parking. · Laundry facilities
In addition to the variations identified, there are no Clause 4.6 Variation requests submitted to enable any Council assessment to occur as relevant.
A detailed analysis of the provisions under this part is provided under Attachment 4. |
|
| Chapter 4 Design of residential apartment development |
The development incorporates a residential apartment building component.
An assessment against the relevant provisions of Chapter 4 of the SEPP (Housing) 2021 identifies the following variation that requires further assessment.
a) car parking numbers.
There is inadequate car parking provided within the basement car park to support the number of apartments proposed.
In addition to the variations identified, there is no Clause 4.6 Variation request submitted to enable any Council assessment to occur. A detailed assessment of Chapter 4 is provided within Attachment 4. |
(a) State Environmental Planning Policy (Housing) 2021 Chapter 2 (Affordable housing) - Part 2 Development for affordable housing:
The development seeks consent for in-fill affordable housing pursuant to Chapter 2, Division 1. under Chapter 2 (Part 2) of State Environmental Planning Policy (Housing) 2021. As stated in the above table, no floor space ratio (FSR) or building height bonus under s.16 of State Environmental Planning Policy Housing (2021) (Housing SEPP) applies to the development. Therefore, no further assessment under this division has been made.
(b) State Environmental Planning Policy (Housing) 2021 Chapter 3 (Diverse Housing) - Part 3 Co Living Housing:
The development application has been submitted under Chapter 3 (Part 3) of State Environmental Planning Policy (Housing) 2021. As stated in the above table, there are three variations identified being:
· Floor Space Ratio - No floor space ratio (FSR) bonus under s.16 of State Environmental Planning Policy Housing (2021) (Housing SEPP) shall apply to the development.
Section 68(2)(a)(ii) allows for a 10% bonus FSR if the additional floor space is used only for the purpose of co-living housing. The manner of assigning or attributing additional floor space to one particular use compared to another use, within the concept of gross floor area is arbitrary and uncertain. The applicant has not provided what it asserts to the additional floor area nor demonstrated that the purported additional area is used only for the purpose of co-living housing. For the shared floor space area being the ground floor lobby area from the front door to the lift, it is uncertain how the floor area is to be distributed amongst the co-living and the residential apartment building uses.
The co living part of the development has a floor space ratio that is calculated at 1.333:1 which exceeds the maximum permitted of 1.319:1 by 14 square metres.
No clause 4.6 submission has been lodged seeking variation to the standard and hence the application is incapable of being approved.
· Car Parking - The proposed development does not provide car parking that complies fully with the requirements detailed under s.68(2)(e). The co living part of the development should be provided with 9 car parking spaces at a rate of 0.2 spaces per co living room. The submitted plans do not allocate parking to the co living rooms or to the other land use proposed.
· Laundry Facilities - The proposed development has failed to provide adequate laundry facilities to service each room in accordance with s69(1)(f).
In addition to the above, there are no Clause 4.6 Variation requests submitted to enable any Council assessment to occur especially for the floor space ratio and laundry facility issue.
The issue of car parking could have been addressed if the applicant had allocated the car parking spaces accordingly to support the co living rooms.
(c) State Environmental Planning Policy (Housing) 2021 Chapter 4 Design of Residential Apartment Development:
The development application has been submitted under Chapter 4 (Part 3) of State Environmental Planning Policy (Housing) 2021. As per the above table, there is one variation identified that requires attention being car parking.
Car parking
Similar to what is stated above, the proposed development does not allocate car parking to either land use (Residential or co living rooms).
It is found that the building would need at a minimum 13 car parking spaces including at least 4 spaces to support the apartments. There is a shortfall of one car parking space to support the entire development.
This is a non discretionary requirement of the State Policy and thus a Clause 4.6 Variation request to cover any shortfall of car parking under either Chapter 3 or Chapter 4 has not been submitted for Council assessment. Hence, the development application cannot be supported by the Panel.
Local Environmental Plans
Cumberland Local Environmental Plan 2021
The provision of the Cumberland Local Environmental Plan 2021 is applicable to the development proposal. It is noted that the development does not achieve compliance with the key statutory requirements of the Cumberland Local Environmental Plan 2021 and the objectives of the R4 High Density Residential zone.
(d) Permissibility:
The provision of the Cumberland Local Environmental Plan 2021 is applicable to the development proposal.
The proposed development is defined as both ‘co-living housing’ and ‘residential flat building’
residential flat building means a building containing 3 or more dwellings, but does not include an attached dwelling, co-living housing or multi dwelling housing.
Residential flat buildings are permissible with consent in the R4 High Density Residential zone.
co-living housing means a building or place that—
(a) has at least 6 private rooms, some or all of which may have private kitchen and bathroom facilities, and
(b) provides occupants with a principal place of residence for at least 3 months, and
(c) has shared facilities, such as a communal living room, bathroom, kitchen or laundry, maintained by a managing agent, who provides management services 24 hours a day,
but does not include backpackers’ accommodation, a boarding house, a group home, hotel or motel accommodation, seniors housing or a serviced apartment.
Note- Co-living housing is a type of residential accommodation—see the definition of that term in this Dictionary.
Pursuant to Section 67 of the Housing SEPP 2021, co-living housing development may be carried out with consent on land in a zone which development for the purposes of co-living housing, residential flat buildings and shop top housing is permitted under Chapter 5 or another environmental planning instrument. Residential Flat Buildings and shop-top housing are permitted with consent in an R4 High Density Residential zone under the Cumberland LEP 2021, and therefore the proposed development is permissible pursuant to Section 67 of the Housing SEPP 2021.
The relevant matters to be considered under Cumberland LEP 2021 and the applicable clauses for the proposed development are summarised below. A comprehensive Cumberland LEP 2021 assessment is contained in Attachment 7.
Figure 4 - Cumberland LEP 2021 Compliance Table
|
Development Standard |
Compliance |
Discussion |
|
Height of Buildings Max. 15m |
No |
The proposed height of 17.8m exceeds the maximum. |
|
Clause 4.4 Floor Space Ratio Max. 1.2:1 |
No |
The maximum FSR permitted under clause 4.4 of the Cumberland Local Environmental Plan 2019 (LEP) is 1.2:1. The proposed FSR of 1.58:1 (1,585.13sqm / 1,013.6sqm) exceeds the maximum FSR. |
|
Clause 4.6 Exceptions to development standards
|
No |
No clause 4.6 submission has been lodged seeking variation to the above standards and hence the application is incapable of being approved. |
The provisions of any proposed instrument that is or has been the subject (EP&A Act s4.15 (1)(a)(ii))
Council has received a Gateway Determination from the Department of Planning, Housing and Infrastructure for the Draft Woodville Road Corridor Planning Proposal. As part of this approval, public exhibition of the Draft Woodville Road Corridor Planning Proposal has commenced. The public exhibition was carried out between the 4 March 2025 to 17 April 2025.
The Draft Planning Proposal seeks to revitalise Woodville Road by amending planning controls in the Cumberland Local Environmental Plan (CLEP) 2021 for 31 sites located around the three (3) precincts of Woodville North, Merrylands East and Woodville South.
The subject application was received on 8 May 2025 and the site does not fall within the Draft Woodville Road Corridor. Therefore, no further consideration is required.
The provisions of any Development Control Plans (EP&A Act s4.15 (1)(a)(iii))
The following parts of the Cumberland Development Control Plan 2021 are of relevance to the proposed development:
· A1 Introduction and Notification
· A3 Site Amalgamation and Isolated Sites
· B3 Residential Flat Buildings
· B5 Adaptable Housing
· G3 Traffic, Parking, Transport and Access (Vehicle)
· G4 Stormwater and Drainage
· G5 Sustainability, Biodiversity and Environmental Management
· G7 Tree Management and Landscaping
· G8 Waste Management.
A comprehensive Cumberland DCP 2021 assessment is contained in Attachment 6.
The development is found to comply with the relevant provisions except for the following:
The provisions of any planning agreement that has been entered into under section 7.4, or any draft planning agreement that a developer has offered to enter into under section 7.4 (EP&A Act s4.15(1)(a)(iiia))
There is no draft planning agreement associated with the subject Development Application.
The provisions of the Regulations (EP&A Act s4.15 (1)(a)(iv))
The proposed development raises no concerns as to the relevant matters arising from the Environmental Planning and Assessment Regulation 2021 (EP&A Reg).
The Likely Environmental, Social or Economic Impacts (EP&A Act s4.15 (1)(b))
It is considered that the proposed development will have no significant adverse environmental, social or economic impacts in the locality.
The suitability of the site for the development (EP&A Act s4.15 (1)(c))
The subject site and locality is not known to be affected by any natural hazards or other site constraints likely to have a significant adverse impact on the proposed development. Accordingly, it is considered that the development is suitable in the context of the site and surrounding locality.
Submissions made in accordance with the Act or Regulation (EP&A Act s4.15 (1)(d))
|
Advertised (Website) |
|
Sign |
Not Required |
In accordance with Council’s Notification requirements contained within the Cumberland Development Control Plan 2021, the proposal was publicly notified for a period of 14 days between 5 June 2025 and 19 June 2025. No submissions were received in respect of the proposed development.
The public interest (EP&A Act s4.15(1)(e))
In view of the foregoing analysis, it is considered that the development, if carried out subject to the conditions set out in the recommendation below, will have no significant adverse impacts on the public interest.
CUMBERLAND LOCAL INFRASTRUCTURE CONTRIBUTIONS PLANS 2020
The development would require the payment of contributions in accordance with Cumberland Local Infrastructure Contributions Plan 2020.
In accordance with the Contribution Plan a contribution is payable, pursuant to Section 7.11 of the EP&A Act, calculated on the cost of works. A total contribution of $302,349.00 would be payable prior to the issue of a Construction Certificate
HOUSING AND PRODUCTIVITY OF CONTRIBUTION (HPC)
In accordance with s7.24, s7.26 and s7.28 of the Environmental Planning and Assessment Act, 1979, the proposed development is subject to the payment of the Housing and Productivity Contribution (HPC).
If approved, a condition of consent would be imposed on the development consent in accordance with s7.28 of the EP&A Act 1979 requiring the payment of the HPC.
DISCLOSURE OF POLITICAL DONATIONS AND GIFTS
The applicant and notification process did not result in any disclosure of Political Donations and Gifts.
Conclusion:
The development application has been assessed in accordance with the relevant requirements of the Environmental Planning and Assessment Act 1979, State Environmental Planning Policy (Biodiversity and Conservation) 2021, State Environmental Planning Policy (Housing) 2021, State Environmental Planning Policy (Resilience and Hazards) 2021, State Environmental Planning Policy (Transport and Infrastructure) 2021, Cumberland Local Environmental Plan 2021 and Cumberland Development Control Plan 2021.
It is considered that the proposed development is unacceptable for the reasons outlined in this report. It is recommended that the development be refused, as outlined in the reasons for refusal.
Consultation:
There are no consultation processes for Council associated with this report.
Financial Implications:
There are no financial implications for Council associated with this report.
Policy Implications:
There are no policy implications for Council associated with this report.
Communication / Publications:
The final outcome of this matter will be notified. The objectors will also be notified in writing of the outcome.
That Development Application 2025/0309 for the demolition of existing structures erection of a co-living and residential flat building containing 44 co-living units and 5 residential flats, of which 4 are nominated for infill affordable housing on land at 459 Guildford Road Guildford be refused for the reasons listed in the attached schedule.
Attachments
1. Draft Notice of Determination
4. Housing SEPP 2021 & ADG Assessment
5. Cumberland LEP 2021 Assessment
DOCUMENTS
ASSOCIATED WITH
REPORT ELPP023/25
Attachment 1
Draft Notice of Determination
8 October 2025
Item No: ELPP024/25
Development Application - 2-4 Gilba Road, Pendle Hill
Directorate: Environment and Planning
Responsible Officer: Executive Manager City Planning and Development
|
Application lodged |
13 November 2024. |
|
Applicant |
Siva Projects. |
|
Owner |
Pearl Property No.2 Pty Ltd. |
|
Application No. |
DA2024/0618. |
|
Description of Land |
2-4 Gilba Road, Pendle Hill NSW 2145. Lots 7 and 8 in DP 20186. |
|
Proposed Development |
Alterations and additions to the shop-top housing development including reconfiguration of basement levels 1 and 2, ground floor and levels 1 to 4, an additional basement level and two residential levels (levels 5 and 6) comprising in total two (2) commercial tenancies and kiosk on the ground floor and 44 residential units over three (3) levels of basement parking. |
|
Site Area |
1,985.1sqm. |
|
Zoning |
E1 Local Centre Zone. |
|
Disclosure of political donations and gifts |
Nil disclosure. |
|
Cost of works |
$5,721,876.00. |
|
Heritage |
Not Heritage Listed or a Heritage Conservation Area. |
|
Principal Development Standards |
Floor Space Ratio Permissible: 2.6:1. (comprising Cumberland LEP 2.0:1 and Housing SEPP 0.6:1) Propose: 2.34:1.
And
Height of Building Permissible: 22.1m. (comprising Cumberland LEP 17m and Housing SEPP 5.1m) Propose: maximum 23.94m (lift overrun, stairs and roof). |
|
Issues |
Height of building. Building separation. Submissions. |
Summary:
1. Development Application 2024/0618 was lodged on the 13 November 2024 for the alterations and additions to the shop-top housing development including reconfiguration of basement levels 1 and 2, ground floor and levels 1 to 4, an additional basement level and two residential levels (levels 5 and 6), comprising in total two (2) commercial tenancies and kiosk on the ground floor and 44 residential units over three (3) levels of basement parking.
2. The application was publicly notified to occupants and owners of the adjoining properties for a period of 14 days between the 28 November 2024 and the 12 December 2024. In response, 3 submission/s were received.
3. The variations are as follows:
|
Control |
Required |
Provided |
% variation |
|
Height of building (Cumberland LEP 2021 and Housing SEPP 2021) |
Maximum 22.1m |
23.94m (lift overrun and stairs) |
8.33% |
|
Building separation (ADG) |
- 6m (habitable) or 3m (non-habitable) for up to 4 storeys.
- 9m (habitable) or 4.5m (non-habitable) for 5-8 storeys. |
Ground floor - 3m to eastern side boundary.
Levels 1 to 3 - 0m to eastern side boundary.
Level 4 - 0m to eastern side boundary.
Levels 5 to 6 - Min. 2.5m to north front boundary. - 3.3m to east side boundary from bedroom walls. - 4.5m to east side boundary from non-habitable room windows. |
Existing non-compliance
Existing non-compliance
Existing non-compliance
44.44%
26.67%
complies
|
4. The application is referred to the Panel as the proposal is sensitive development being a residential apartment development comprising more than four dwellings and with a height exceeding three storeys.
5. The application is recommended for approval subject to the conditions as recommended in the Council’s assessment report.
Report:
Subject Site and Surrounding Area
The subject site is legally described as Lots 7 and 8 in DP 20186, with a street address of 2-4 Gilba Road, Pendle Hill. The site is within zone E1 Local Centre. The site is located on the southern side of Gilba Road and directly adjoins the R2 Low Density Residential zone to the west and south.
The R4 High Density Residential zone lies to the south-east and land zone E1 Local Centre lies to the east and north.
The site is a regular block with a combined frontage of 24.685m to Gilba Road and a depth of 80.46m with a total site area of 1,985.1sqm. The site is currently vacant and the existing dwellings on site have been demolished as part of the original development consent (DA2017/275/1) issued.
The site is surrounded by residential properties comprising of low to medium density dwelling types.
The location of the site is shown below edged in purple.
Figure 1 - Locality Plan of subject site (source: Council Intramap)

Figure 2 - Aerial view of subject site (source: Nearmap)

Figure 3 - Street view of subject site (source: site inspection)

Description of The Development
Development Application DA2024/0618 is an amending development application that seeks alterations and additions to the shop-top housing development approved under DA2017/275 (as amended) including reconfiguration of basement levels 1 and 2, alterations to the ground floor and Levels 1 to 4, an additional basement level and two additional residential levels (Levels 5 and 6) pursuant to the State Environmental Planning Policy (Housing) 2021.
The development application is taking advantage of the additional floor space ratio (FSR) and additional height of building that provides for in-fill affordable housing under Chapter 2, Part 2, Division 1 In-fill affordable housing of the State Environmental Planning Policy (Housing) 2021.
It is identified that the lift overrun, stairs and a small part of the roof structure on Level 6 residential level are in breach of the height control provisions of the amended development. Such matters are discussed in detail within the assessment report below.
Key features of the development proposal including the original approved 5 storeys shop top housing and this amending development application are as follows:
· Construction of a 7 storey shop top housing over basement parking incorporating: -
Basement – Three Levels
· Construction of a new Basement Level 3 comprising:
- 38 residential car parking spaces (5 of which are accessible).
- 15 bicycle parking spaces.
- 1 car wash bay; and
- Mechanical service room.
· Amend the layout of the approved Basement Level 2 as follows:
- 4 x residential car parking spaces (2 of which are accessible).
- 20 x commercial car parking spaces (1 of which is accessible).
- 6 x bicycle parking spaces.
- 2 x bin storage rooms.
- 24 x storage compartments.
- waste collection room.
- waste collection loading/unloading bay; and
- service room.
· Amend the layout of the approved Basement Level 1 as follows:
- 12 x residential visitor car parking spaces (1 of which is accessible).
- 15 x bicycle parking spaces.
- 45 x storage compartments.
- OSD tank; and
- fire/hydrant pump room.
Ground Floor
· Amend the approved medical centre to become 2 x commercial tenancies:
- COM01 (rear) with access from the pedestrian access footpath; and
- COM02 (front) with café space and direct access from Gilba Road;
· Relocate the approved substation room; and
· Amend the approved pedestrian access adjoins to the eastern side boundary of the site.
Level 1 and 2
· Amend the layout and configuration of the residential level to provide 9 residential units comprising 2 x 1 bedroom units; 4 x 2 bedroom units; and 3 x 3 bedroom units.
Level 3
· Amend the layout and configuration of the residential level to provide 9 residential units comprising 2 x 1 bedroom units; 5 x 2 bedroom units; and 2 x 3 bedroom units.
Level 4
· Amend the layout and configuration of the residential level to provide 8 residential units comprising 2 x 1 bedroom units; and 6 x 2 bedroom units.
Level 5
· Construction of new additional residential level to provide 7 residential units comprising 3 x 1 bedroom units; and 4 x 2 bedroom units.
Level 6
· Construction of new additional residential level to provide 2 residential units comprising 2 x 3 bedroom units.
· Construction of new hot water plant; and
· Construction of new communal open space comprising rooftop lawn area, seating areas, planter boxes, BBQ and cooking facilities and pergola structure above.
The crucial elements of the whole development across are outlined within the table below:
|
Items |
Original approval (DA2017/275) |
Modification approval (MOD2022/0258) |
Proposal (DA2024/0618) |
Change |
|
Gross floor area. |
3,455sqm |
3,553.7sqm |
4,645.87sqm |
Increase by 1,190.87sqm. |
|
In-fill affordable housing. |
Nil |
Nil |
716.45sqm |
Increase by 716.45sqm. |
|
Floor space ratio. |
1.74:1 |
1.79:1 |
2.34:1 |
Increase by 0.6:1. |
|
Height in storeys. |
5 storeys |
|
7 storeys |
Increase by 2 storeys. |
|
Height in metres |
20.2m (Includes the lift overrun). |
20.2m (Included the lift overrun). |
23.94m (included lift overrun and stairs). |
Increase of 3.74m. |
|
32 apartments: - 1 x studio unit - 5 x 1 bedroom units - 22 x 2 bedroom units - 4 x 3 bedroom units |
33 apartments: - 1 x studio unit - 6 x 1 bedroom units - 21 x 2 bedroom units - 5 x 3 bedroom units |
44 apartments: - 11 x 1 bedroom units - 23 x 2 bedroom units - 10 x 3 bedroom units |
Increase of 37 apartments |
|
|
Commercial tenancies |
Medical centre and 3 commercial tenancies (730.86sqm) |
1 commercial tenancy (732.59sqm) |
2 commercial tenancies including a café area (713.34sqm) |
Decrease by 17.52sqm from the original consent. |
|
Commercial car parking spaces |
32 spaces |
19 spaces |
20 spaces |
Increase by 1 space |
|
Residential car parking spaces |
30 spaces |
38 spaces |
43 spaces |
Increase by 5 spaces |
|
Residential visitor car spaces |
7 spaces |
5 spaces |
11 spaces |
Increase by 6 spaces |
|
Bicycle parking spaces |
Nil |
23 spaces |
36 Spaces |
Increase by 13 spaces |
|
Storage compartments |
32 compartments |
36 compartments |
69 compartments |
Increase by 33 compartments |
History
|
Application No. |
Proposal |
Determination |
Date |
|
PL2016/108/1 |
Construction of a mixed use development |
Minutes issued |
28/10/2016 |
|
DA2017/275/1 |
Demolition of existing structures, consolidation of 2 lots into 1 lot, construction of a 5 storey shop top housing development comprising a medical centre and 3 commercial tenancies at ground floor level, 32 residential units above 2 levels of basement carpark accommodating 72 parking spaces. |
Deferred commencement approved by IHAP
|
25/07/2018 |
|
Operational consent. |
18/06/2019 |
||
|
MOD2022/0258 |
S4.55(2) modification for amendments to the approved shop top housing development including reconfiguration of unit mix, sizes and layouts, conversion of units to accessible (NDIS) units, amalgamation of ground floor commercial tenancies into a single tenancy, relocation of ground floor pedestrian pathway to access rear of site, reduction in basement areas and reconfiguration of car parking, and various changes to plant, waste and store rooms, substation, stairwells, communal open space and landscaping. |
Approved under staff delegation. |
27/02/2023 |
|
DA2024/0618 |
Alterations and additions to the shop-top housing development including reconfiguration of basement levels 1 and 2, ground floor and levels 1 to 4, an additional basement level and two residential levels (levels 5 and 6), comprising in total two (2) commercial tenancies and kiosk on the ground floor and 44 residential units over three (3) levels of basement parking pursuant to Chapter 2, Part 2, Division 1 In-fill affordable housing of the Housing SEPP 2021. |
Subject of this development application. |
|
Applicants Supporting Statement
The applicant has provided a Statement of Environmental Effects prepared by MMDC Pty Ltd dated 4 October 2024 (Revision A) and was received by Council on 30 October 2024 in support of the application.
Contact With Relevant Parties
The assessing officer has undertaken a site inspection of the subject site and surrounding properties and has been in regular contact with the applicant throughout the assessment process.
Internal Referrals
Development Engineering
The development application was referred to Council’s Development Engineer for comment who has advised that the development proposal is satisfactory and therefore can be supported subject to recommended conditions of consent.
Environmental Health
The development application was referred to Council’s Environmental Health Officer for comment who has advised that the development sought is satisfactory and therefore can be supported subject to conditions.
Tree Management
The development application was referred to Council’s Tree Management Officer for comment who has advised that the proposal is satisfactory and therefore can be supported subject to conditions.
Waste Management
The development application was referred to Council’s Waste Management Officer for comment who has advised that the proposal is satisfactory and therefore can be supported subject to conditions.
External Referrals
Endeavour Energy
The development application was referred to Endeavour Energy for comment who has advised that the proposal is satisfactory and the conditions that imposed as part of the original development approval (DA2017/275) remains applicable. Therefore, the proposed amendment to the original approved 5 storeys shop-top housing can be supported without further conditions.
Sydney Water
The development application was referred to Sydney Water for comment who has advised that the proposal is satisfactory and therefore can be supported subject to conditions.
Planning Comments
The provisions of any Environmental Planning Instruments (EP&A Act s4.15 (1)(a)(i))
State Environmental Planning Policies
The proposed development is affected by the following State Environmental Planning Policies:
|
State Environmental Planning Policies |
Relevant Clause(s) |
Compliance with Requirements |
|
State Environmental Planning Policy (Building Sustainability Index: BASIX) 2004 |
- |
Commitments made under the original Development Approval DA2017/275 have been modified and a revised BASIX Certificate number 832384M_05, dated 11 June 2025 has been submitted and determined as being acceptable for the development application. |
|
State Environmental Planning Policy (Biodiversity and Conservation) 2021.
|
Chapter 2 - Vegetation in non Rural Areas. |
Due to the previous development approval (DA2017/275), this proposal will not result in any additional tree removal.
Therefore, the proposed vegetation removal which is previously approved is considered acceptable and not subject to change. |
|
Chapter 6 - Water Catchments.
Sydney Harbour Catchment. |
It is determined that given the location of the site/development, a detailed assessment is not required given that there is no direct impact upon the catchment and no direct impact upon watercourses. As such, the development is acceptable under the provisions that came into effect on Monday 21 November 2022. |
|
|
Chapter 4 - Remediation of Land.
Part 4.6. |
The matter addressing land contamination has been addressed within the processing of the original development application DA2017/275. As this application is relating to additional floors across original approved shop-top housing, additional contamination assessment is not required.
It is considered that the development application is satisfactory under Part 4.6 of Chapter 4 of the State Policy. |
|
|
State Environmental Planning Policy (Housing) 2021. |
Chapter 2 - Affordable housing.
Part 2, Division 1 In-fill affordable housing |
As outlined throughout this report, the proposal is generally compliant with all non-discretionary development standards and design requirements with the exception of clause 16(3) relating to the building height.
A clause 4.6 variation request is provided to address the non-compliances. Refer to discussion following this table.
A comprehensive Housing SEPP 2021 assessment is contained in Appendix A. |
|
Chapter 4 – Design of residential apartment development |
This chapter applies to the development as the building is 3 storeys or more and contains more than 4 dwellings.
A design statement addressing the design quality principles prescribed by Housing SEPP 2021 was prepared by the project architect. Integral to Chapter 4 of Housing SEPP 2021 is the Apartment Design Guide (ADG) which sets benchmarks for the appearance, acceptable impacts and residential amenity of the development.
Assessment against all relevant provisions of the ADG and development standards of chapter 4 of the Housing SEPP 2021 confirmed the proposal does not give rise to any non-compliance with the controls.
The comprehensive Housing SEPP 2021 and an ADG assessments are contained in Appendices A and B respectively. |
|
|
State Environmental Planning Policy (Industry and Employment) 2021. |
Chapter 3 – Advertising and Signage. |
No signage is proposed as part of the development application and thus no assessment of signage is required. |
|
State Environmental Planning Policy (Resilience and Hazards) 2021. |
Chapter 2 – Coastal Management. |
The subject site is not identified as a coastal wetland or ‘land identified as “proximity area for coastal wetlands” or coastal management area. |
|
State Environmental Planning Policy (Sustainable Buildings) 2022 |
- |
State Environmental Planning Policy (Sustainable Buildings) 2022 sets sustainability standards of buildings across NSW for residential and non-residential development. The Sustainable Buildings SEPP was notified on 29 August 2022 and came into effect on Sunday 1 October 2023. |
|
Chapter 2 – Standards for residential Development – BASIX |
The proposal does not trigger any assessment against this chapter in accordance with the savings and transitional provisions in accordance with Clause 4.2(1)(c) of the Sustainable Buildings SEPP given the proposal is a BASIX development submitted on the NSW planning portal on or after 1 October 2023 with the BASIX certificate that was issued before 1 October 2023.
The original development application was approved with a shop-top housing that committed to the BASIX Certificate no. 832384M that was issued on the 29 June 2017. |
|
|
Chapter 3 – Standards for non-residential development |
This chapter does not apply to this development as the estimated development cost of the proposed alterations and additions to the approved commercial tenancies on the ground floor is less than $5m. |
|
|
State Environmental Planning Policy (Transport and Infrastructure) 2021. |
Chapter 2 – Infrastructure.
|
State Environmental Planning Policy (Transport and Infrastructure) 2021 is relevant to the development application as follows:
Division 5 Subdivision 2 Clause 2.48
The existing overhead electricity power line is currently traverses within 5m distance parallelly along the Gilba Road frontage of the subject site. The comment received from Endeavour Energy dated 25 November 2024 confirmed the proposal can be supported and the conditions that imposed as part of the original development approval (DA2017/275) remain applicable. |
(a) State Environmental Planning Policy (Housing) 2021 - Chapter 2 Affordable housing and Chapter 4 Design of residential apartment development
Following a detailed assessment of the proposal against the provisions of Chapter 4 of the Housing SEPP 2021 and the ADG, the proposal is generally considered compliant and therefore performs satisfactorily with the exception of the building height and building separation. These variations are discussed below:
|
Control |
Required |
Provided |
% variation |
|||||||||
|
Clause 16(3) Housing SEPP 2021.
Additional building height |
Up to a 30% additional building may be granted in addition to the maximum height of building that applies to the site based on the minimum affordable housing component.
Proposed affordable housing component GFA = 15.42%.
Maximum permissible building height = 22.1m |
Maximum overall building height is 23.94m including lift overrun and stairs. |
8.33% |
|||||||||
|
Part 3F-1
Apartment Design Guide
Visual Privacy |
x) |
Ground floor - Retain existing approved 3m to the eastern side boundary. - Level 1 to Level 3 - Retain existing approved 0m to the eastern side boundary.
Level 4 - Retain existing approved 0m to the eastern side boundary.
Level 5 to Level 6 - Min. 2.5m to the northern front boundary from stairs, lift and bedroom walls - 3.3m to the eastern side boundary from bedroom walls - 4.5m to the eastern side boundary from non-habitable room windows |
Existing non-compliance
Existing non-compliance
Existing non-compliance
44.44%
26.67%
complies
|
Housing SEPP 2021 Clause 16 Affordable housing requirements
(1) The maximum floor space ratio for development that includes residential development to which this division applies is the maximum permissible floor space ratio for the development on the land plus an additional floor space ratio of up to 30%, based on the minimum affordable housing component calculated in accordance with subsection (2).
(2) The minimum affordable housing component, which must be at least 10%, is calculated as follows-
![]()
(3) If the development includes residential flat buildings or shop top housing, the maximum building height for a building used for residential flat buildings or shop top housing is the maximum permissible building height for the development on the land plus an additional building height that is the same percentage as the additional floor space ratio permitted under subsection (1).
Commentary
The proposed gross floor area to the mixed use development on the site comprising the commercial tenancies and shop-top housing is 4,645.87sqm. The proposal shall provide a minimum 696.88sqm of in-fill affordable housing floor area on site which equates to 15% of total GFA proposed to receive the maximum 30% of additional Building Height.
The development will provide 716.45sqm of in-fill affordable housing floor among 8 residential apartments on Level 2 and Level 3 which equates to 15.42% of the overall gross floor area on site. Therefore, the development is entitled to receive the full 30% height increase benefit that also applies being 22.1m.
The overall mixed use development is proposed to be maximum 23.94m when measured from the existing natural ground level including the lift overrun and stairs. This presents a 1.84m exceed in the maximum allowable building height or 8.33% variation to the numerical standard.
A clause 4.6 variation of development standards prepared by MMDC Pty Ltd dated 22 August 2025 was submitted to address the variation for Council consideration and further discussed in detail under the heading ‘Clause 4.6 - Exceptions to development standards’ of this report.
Apartment Design Guide Part 3F-1 - Visual Privacy
The separation distance between proposed building and the eastern side boundary are less than the requirements stated. In this regard, a building separation on level 5 and Level 6 of the shop-top housing is required to be minimum 4.5m from non-habitable rooms and minimum 9m from all habitable rooms.
The building separations of the stairs/lift of the proposed development are 2.6m to 3.3m and the bedroom walls/bathroom windows are 3.3m to 4.5m.
The architectural plans are showing that all the east facing bathroom windows are to be fixed windows which cannot be opened. This retains a satisfactory level of privacy for the future residential developments on all eastern adjoining properties facing Pendle Way. For this reason, the proposal is satisfactory.
The comprehensive assessments against Chapter 2 Division 1, Chapter 4 of the Housing SEPP 2021 and the ADG in Appendices A and B respectively.
Local Environmental Plans
Cumberland Local Environmental Plan 2021
The provision of the Cumberland LEP 2021 is applicable to the development proposal. It is noted that the development achieves compliance with the key statutory requirements of the Cumberland LEP 2021 and the objectives of the E1 Local Centre zone with the exception to the height of building control which is considered acceptable.
(a) Permissibility
The proposed development is defined as a ‘shop-top housing’ and is permissible in the E1 Local Centre zone under the Cumberland LEP 2021 with consent.
shop top housing means one or more dwellings located above the ground floor of a building, where at least the ground floor is used for commercial premises or health services facilities.
Note- Shop top housing is a type of residential accommodation—see the definition of that term in this Dictionary.
The relevant matters to be considered under Cumberland LEP 2021 and the applicable clauses for the proposed development are summarised below. A comprehensive LEP assessment is contained in Appendix C.
Figure 4 - Cumberland LEP 2021 Compliance Table
|
DEVELOPMENT STANDARD |
COMPLIANCE |
DISCUSSION |
|
4.3 Height of Buildings
17m
Plus 30% bonus pursuant to Chapter 2, Division 1, Clause 16(3) of the Housing SEPP 2021 equates to 22.1m |
No
No |
The lift overrun of the front portion (6 storeys component) of the proposed development is maximum 23.94m, which exceeds the 22.1m development standard by 1.84m or 8.33%.
The roof slab of the rear portion (7 storeys component) of the proposed development is maximum 22.46m, which exceeds the 22.1m development standard by 360mm or 1.63%. |
|
4.4 Floor Space Ratio
2:1
Plus 30% bonus pursuant to Chapter 2, Division 1, Clause 16(1) of the Housing SEPP 2021 equates to 2.6:1 |
Yes |
The proposed development has a gross floor area of 4,645.87sqm, an FSR of 2.34:1 which meets the requirements of Chapter 2, Division 1, Clause 16 of the Housing SEPP 2021 which overrides Cumberland LEP 2021.
Refer to detailed discussion below the table on floor space ratio. |
|
4.6 Exceptions to Development Standards. |
Yes |
A Clause 4.6 written justification prepared by MMDC Lty Ltd (dated 22 August 20250 was submitted for Council’s consideration.
Refer to detailed assessment below. |
Floor space ratio
The floor space ratio for the development is governed by Chapter 2, Division 1, Clauses 16(1) and 16(2) of Housing SEPP 2021 which allows for increases providing that a compliant level of affordable housing is achieved within the development. The proposal provides the required affordable housing component being 716.45sqm representing (15.42%) whereas 696.89sqm (15%) is required and therefore is compliant.
Building height
In this regard, developments that are eligible for the additional floor space ratio is also eligible for a corresponding increase to the height of the building based on the percentage of the in-fill affordable housing component. In relation to this development, the maximum building height permitted on the site as per Clause 16(3) of the Housing SEPP 2021 is 22.1m. The proposal provides for a building height of maximum 23.94m including the lift overrun and stairs of the proposed shop-top housing, a variation of 8.33%. The breach to the building height is addressed in detail under the heading of ‘Clause 4.6 - Exceptions to development standards’ below.
(b) Clause 4.6 - Exceptions to development standards
Clause 4.6 aims to achieve better design outcomes for and from development by allowing an appropriate degree of flexibility to development standards if particular circumstances are satisfied.
The application seeks to vary the development standard and non-discretionary development standard respectively for the maximum building height under Chapter 2, Division 1, Clause 16(3) of the Housing SEPP 2021.
Clause 16(3) Additional building height
Consent may only be granted upon the consent authority being satisfied that the applicant has demonstrated in a document submitted with the application that (a) compliance with the development standard is unreasonable or unnecessary in the circumstances and (b) there are sufficient environmental planning grounds to justify the contravention of the development standard.
|
|
Housing SEPP 2021 |
Proposed |
Variation |
Location of height breach |
|
Front portion of the building (6 storeys component) |
22.1m |
23.94m |
1.84m or 8.33%. |
Lift overrun and stairs. |
|
Rear portion of the building (7 storeys component) |
22.1m |
22.46m |
360mm or 1.63%. |
Upper roof structure of the habitable Level 6. |
(a) compliance with the development standard is unreasonable or unnecessary in the circumstances.
The decision of Wehbe v Pittwater Council (2007) 156 LGERA 446; [2007] NSWLEC 827, affirmed in Initial Action Pty Ltd v Woollahra Municipal Council [2018] NSWLEC 118 set out five common and non-exhaustive ways in which an applicant might demonstrate that compliance with a development standard is unreasonable or unnecessary. They were that:
(i) the objectives of the development standard are achieved notwithstanding non-compliance with the standard.
(ii) the underlying objective or purpose is not relevant to the development with the consequence that compliance is unnecessary.
(iii) the underlying objective or purpose would be defeated or thwarted if compliance was required with the consequence that compliance is unreasonable.
(iv) the development standard has been virtually abandoned or destroyed by the Council’s decisions in granting development consents that depart from the standard and hence compliance with the standard is unnecessary and unreasonable.
(v) the zoning of the particular land on which the development is proposed to be carried out was unreasonable or inappropriate so that the development standard, which was appropriate for that zoning, was also unreasonable or unnecessary as it applied to that land and that compliance with the standard in the circumstances of the case would also be unreasonable or unnecessary.
Applicant’s justification:
The applicant relies on the first Wehbe point: The objectives of the standard are achieved notwithstanding non-compliance with the standard, stating that:
It is contended that compliance with the maximum height of building standard is unreasonable and unnecessary in the circumstances of the case as the objectives of the standards are achieved nonetheless as follows:
1. The variations are a result of the 2.2m cross-fall diagonally over the site from south (rear) to north (front) and requirement to achieve compliance with the flood planning level.
2. The variation relating to the lift overrun/stairs is a minor point encroachment that will be virtually imperceptible from the street and adjoining lower density R2 zoned properties.
3. The variation relating to Level 6 is well setback from the street and would be virtually imperceptible as viewed from the street and the proposed development would still be entirely consistent with the desired future built form anticipated for the locality.
4. The lift overrun/stair encroachments relate to the potential future provision of rooftop open space and increased amenity for future occupants, which is consistent with the previously approved variation to enable rooftop communal open space under DA2017/275/1.
5. The proposal does not result in additional yield or developable area given the proposal is well under the potential additional FSR permitted and the affordable housing component must be at least 10% and cannot be reduced any further.
6. There are no adverse visual bulk impacts given the majority of the encroachments will not be visible from the street and generous side and rear setbacks are maintained from the adjoining lower density R2 zoned properties.
7. There are no adverse amenity or solar access impacts within the proposed development or on adjoining properties. The design of the proposed development has ensured that privacy and solar access is achieved generally in accordance with the requirements of SEPP 65 and the Apartment Design Guide.
8. The proposed development for shop top housing with commercial uses at the ground floor and higher density residential above is permissible in the E1 zone and consistent with the objectives of the zone. The proposed development achieves the objectives of the development standard and facilitates the delivery of new in-fill affordable housing on the site, which would not otherwise be achieved pursuant to the provisions of section 16 of the Housing SEPP.
Accordingly, it is considered that the proposal achieves the following objectives of the standard:
(a) to establish a maximum height of buildings to enable appropriate development density,
(b) to ensure that the height of buildings is compatible with the character of the locality,
(c) to minimise the visual impact of development,
(d) to ensure sufficient solar access and privacy for neighbouring properties.
15A Objective of division
The objective of this division is to facilitate the delivery of new in-fill affordable housing to meet the needs of very low, low and moderate income households. Furthermore, strict compliance through the deletion of Level 6 would prevent the development from proceeding and defeat or thwart the underlying purpose of the standard given the proposal is well under the permitted potential additional FSR and the affordable housing component must be at least 10% of total gross floor area and cannot be reduced any further.
Planner’s comments:
Council concurs with the applicant’s justification and considers strict compliance with the height provision to be unnecessary in this instance given that it does not result in any unreasonable impact on the adjoining neighbours or developments. The proposed development is consistent with the zone and associated zone objectives and provides a high degree of residential amenity within a local centre environment and provides for a variety of housing to meet the needs of the community including affordable housing.
(b) there are sufficient environmental planning grounds to justify the contravention of the development standard.
In respect of there being sufficient environmental planning grounds to justify the contravention of the development standard, Initial Action found that although the phrase ‘environmental planning’ is not defined, it would refer to grounds that relate to the subject matter, scope and purpose of the Environmental Planning and Assessment Act 1979, including the objects in s.1.3. To be sufficient, the environmental planning grounds advanced in the written request must justify the contravention of the development standard, not simply promote the benefits of carrying out the development as a whole Four2Five Pty Ltd v Ashfield Council [2015] NSWCA 248.
Applicant’s justification:
The proposed variation to the development standard has been considered in light of the abovementioned objectives and potential environmental impacts and hence, there are sufficient environmental planning grounds to justify the contravention of the standard as follows:
1. The variations are a result of the 2.2m cross-fall diagonally over the site from south (rear) to north (front) and requirement to achieve compliance with the flood planning level.
2. The variation relating to the lift overrun/stairs is a minor point encroachment that will be virtually imperceptible from the street and adjoining lower density R2 zoned properties.
3. The variation relating to Level 6 is well setback from the street and would be virtually imperceptible as viewed from the street and the proposed development would still be entirely consistent with the desired future built form anticipated for the locality.
4. The lift overrun/stair encroachments relate to the potential future provision of rooftop open space and increased amenity for future occupants, which is consistent with the previously approved variation to enable rooftop communal open space under DA2017/275/1.
5. The proposal does not result in additional yield or developable area given the proposal is well under the potential additional FSR permitted and the affordable housing component must be at least 10% and cannot be reduced any further.
6. There are no adverse visual bulk impacts given the majority of the encroachments will not be visible from the street and generous side and rear setbacks are maintained from the adjoining lower density R2 zoned properties.
7. There are no adverse amenity or solar access impacts within the proposed development or on adjoining properties. The design of the proposed development has ensured that privacy and solar access is achieved generally in accordance with the requirements of SEPP 65 and the Apartment Design Guide.
8. The proposed development for shop top housing with commercial uses at the ground floor and higher density residential above is permissible in the E1 zone and consistent with the objectives of the zone. The proposed development achieves the objectives of the development standard and facilitates the delivery of new in-fill affordable housing on the site.
9. Furthermore, strict compliance through the deletion of Level 6 would prevent the development from proceeding and defeat or thwart the underlying purpose of the standard under section 16(3) of the Housing SEPP given the proposal is well under the permitted potential additional FSR and the affordable housing component must be at least 10% of total gross floor area and cannot be reduced any further.
The proposal has been assessed against the relevant statutory provisions of clause 4.6 and this written request has provided justification that compliance with the site width development standard is unreasonable or unnecessary in the circumstances of this particular case and that there are sufficient environmental planning grounds to justify the contravention.
Planner’s comments:
Council concurs with the applicant’s justification and that there are sufficient planning grounds to justify the contravention to the height breach as the development does not result in any unreasonable impact on the adjoining neighbours or developments, provides a high degree of amenity which is improved by breaking the development into three separate buildings with each building having different design forms and building material finishes and the development is addressing the site constraints notably flooding.
It is also noted that the non-compliant only relates to the lift overrun and a small portion of the roof structure on the top level which is minor. No part of the habitable floor space is identified outside the maximum allowable 22.1m building height.
Conclusion
As the applicant’s justification has satisfied the test under clause 4.6, the application is capable of being approved, subject to a satisfactory merit assessment.
The provisions of any proposed instrument that is or has been the subject (EP&A Act s4.15 (1)(a)(ii))
Council has received a Gateway Determination from the Department of Planning, Housing and Infrastructure for the Draft Woodville Road Corridor Planning Proposal. As part of this approval, public exhibition of the Draft Woodville Road Corridor Planning Proposal has commenced. The public exhibition was carried out between the 4 March 2025 to 17 April 2025.
The Draft Planning Proposal seeks to revitalise Woodville Road by amending planning controls in the Cumberland Local Environmental Plan (CLEP) 2021 for 31 sites located around the three (3) precincts of Woodville North, Merrylands East and Woodville South.
The subject application was received on 13 November 2024 and the site does not fall within the Draft Woodville Road Corridor. Therefore, no further consideration is required.
The provisions of any Development Control Plans (EP&A Act s4.15 (1)(a)(iii))
The Cumberland Development Control Plan 2021 is relevant to the development proposal.
The development has been assessed using the following chapters:
· Part A1 - Introduction and General Controls.
· Part A3 - Site Amalgamation and Isolated Sites.
· Part C - Development in Business Zones.
· Part F2-11 - Pendle Hill Town Centre.
· Part G3 - Traffic, Parking, Transport and Access.
· Part G4 - Stormwater and Drainage.
· Part G5 - Sustainability, Biodiversity and Environmental Management.
· Part G8 - Waste Management.
The development is found to comply with the relevant provisions except for the following:
The development is generally found to comply with the relevant provisions of the Cumberland DCP 2021, whilst non-compliances occur in relations to building height and building separation/visual privacy, they are generally overridden by the State Environmental Planning Policy (Housing) 2021 which allows for a bonus to the height and FSR of up to 30% if affordable housing is provided.
See discussions under Appendix D of this report.
The provisions of any planning agreement that has been entered into under section 7.4, or any draft planning agreement that a developer has offered to enter into under section 7.4 (EP&A Act 1979 s4.15(1)(a)(iiia))
There is no draft planning agreement associated with the subject Development Application.
The provisions of the Regulations (EP&A Act 1979 s4.15 (1)(a)(iv))
The proposed development raises no concerns as to the relevant matters arising from the Environmental Planning and Assessment Regulation 2021 (EP&A Reg 2021).
The Likely Environmental, Social or Economic Impacts (EP&A Act 1979 s4.15 (1)(b))
It is considered that the proposed development will have no significant adverse environmental, social or economic impacts in the locality.
The suitability of the site for the development (EP&A Act s4.15 (1)(c))
The subject site and locality is not known to be affected by any natural hazards or other site constraints likely to have a significant adverse impact on the proposed development. Accordingly, it is considered that the development is suitable in the context of the site and surrounding locality.
Submissions made in accordance with the Act or Regulation (EP&A Act s4.15 (1)(d))
|
Advertised (Website) |
|
Sign |
Not Required |
In accordance with Council’s Notification requirements contained within the Cumberland Development Control Plan 2021, the proposal was publicly notified for a period of 14 days between 28 November 2024 and 12 December 2024. The notification generated 3 submissions in respect of the proposal with no submissions disclosing a political donation or gift. The issues raised in the public submissions are summarised and commented on as follows:
Figure 7 - Submissions summary table
|
Issue |
Planner’s Comment |
|
The edges of walls on level 1 and above are sitting on top of common fencing between 2 Gilba Road and the eastern adjoining properties. |
All parts of the building, including the edge of walls are contained within the subject property boundary.
A standard condition will be imposed to ensure all works undertaken on site must be fully contained with the property boundary. |
|
The development is too close to the eastern side boundary. |
The additional Level 5 and Level 6 is setback at least 2.6m from the eastern side boundary.
Having considered that no clearly glazed openings are proposed facing the eastern side boundary, the additional levels is considered to provide appropriate separation to the adjoining properties that will in turn achieve reasonable levels of external and internal visual privacy for future residents and residents of adjoining properties.
The building separations on the lower levels (ground floor to Level 4) of the approved mixed use remains unchanged. |
|
Illegal dumping, trespass or break-in into the eastern adjoining properties from their backyards given the development is too close from the common boundary. |
No balconies are proposed along the east elevation of the development. Therefore, it is considered that illegal dumping or entering the backyards of the eastern adjoining properties from the upper levels are considered to be minimal. |
|
Existing parking problems and illegal car parking in the area. |
The proposal is not designed to rely on any street car parking spaces. In accordance with the Clause 19(2) of the Housing SEPP 2021, the Apartment Design Guide and the Cumberland DCP 2021, the proposal will require 59 car parking spaces to service the proposed 44 residential dwellings and commercial tenancy on site.
As shown on the proposed architectural plans, the development will be amended to provide 3 levels of basement car park level that provides a total of 74 car parking spaces on site comprising of 54 residential and visitor parking and 20 commercial car parking spaces which satisfy the provision of parking within the site. |
|
The development would create traffic impacts for the local area and in particular, the intersection of Gilba Road and Pendle Way. |
As discussed above, due to the provision of the required on-site parking spaces, it is considered that traffic generated by this development will not adversely affect the existing traffic in the street. The proposed amendment to the original approved development is accompanied by a traffic management report which has been reviewed by Council’s Development engineers and considered satisfactory. |
|
Loss of solar access and overshadowing impacts on adjoining properties because of the height of the building. |
The proposed additional Level 5 and 6 has a smaller footprint and additional setbacks from the side and rear property boundaries. This results in an acceptable level of solar access to the adjoining properties.
In addition, the development is benefited by the additional building height control under Clause 16(3) of the Housing SEPP 2021. In this regard, majority of the building will remain compliant with the height requirement and the non-compliance to the building height will relate to the lift overrun and a small portion of the slab of the roof on the top level which is minor.
The development has been supported by shadow diagrams which demonstrate a limited additional shadow impact on adjoining properties, given the north/south orientation of the site. |
|
Impact on existing Sydney Water sewer line. |
The application has been referred to Sydney Water for comment who raised no objection. It is advised by Sydney Water on 13 December 2024 that the conditions imposed to the original development approval (DA2017/275) remains applicable to this development for alterations and additions to the approved 5 storey shop-top housing. |
|
The site is less than 26m wide to allow a building for 44 units under the NSW State government regulation |
Neither the Housing SEPP 2021 or the ADG identifies a minimum lot width for residential apartment building within NSW. However, in accordance with Part B3 of the Cumberland DCP 2021, the minimum street frontage for residential flat building/shop-top housing is 24m.
The subject site is 24.69m in width which complies with the control.
It is also noted that the subject site has been approved with a shop-top housing and development approval (DA2017/275) of this development remains valid. The design of the building confirmed the subject site is sufficient in width to accommodate all required service and access from the public domain. |
|
Concerns raised regarding potential privacy impacts on multi-dwelling housing development located to the west of the subject site |
The proposed development is considered to provide appropriate separation to the adjoining properties that will in turn achieve reasonable levels of external and internal visual privacy for future residents and residents of adjoining properties. As shown on the west facing louvers detail plan (drawing no. A36), permanently fixed louvers will be installed to those west facing balconies that are 6m setback from the western side boundary to improve the privacy of the adjoining properties.
In addition, appropriate conditions of consent have been imposed for the construction of a 2.1m to 2.4m high boundary fencing comprising 1.8m to 2.1m lapped and capped timber or Colourbond fencing and 300mm lattice screening on top along the western and southern side of the communal open space on the ground floor at full cost to the developer to ameliorate any privacy concerns from the ground floor public open space. |
The public interest (EP&A Act s4.15(1)(e))
In view of the foregoing analysis, it is considered that the development, if carried out subject to the conditions set out in the recommendation below, will have no significant adverse impacts on the public interest.
CUMBERLAND LOCAL INFRASTRUCTURE CONTRIBUTIONS PLANS 2020
The development would require the payment of contributions in accordance with Cumberland Local Infrastructure Contributions Plan 2020.
In accordance with the Contribution Plan a contribution is payable, pursuant to Section 7.11 of the EP&A Act, calculated on the cost of works. A total contribution of $103,669.00 would be payable prior to the issue of a Construction Certificate.
HOUSING AND PRODUCTIVITY OF CONTRIBUTION (HPC)
In accordance with s7.24, s7.26 and s7.28 of the EP&A Act 1979, the proposed development is subject to the payment of the Housing and Productivity Contribution (HPC).
A condition of consent (Condition 38) has been imposed on the development consent in accordance with s7.28 of the EP&A Act 1979 requiring the payment of the HPC of $103.518.45 would be made payable prior to the issue of a Construction Certificate.
DISCLOSURE OF POLITICAL DONATIONS AND GIFTS
The applicant and notification process did not result in any disclosure of Political Donations and Gifts.
Conclusion:
The development application has been assessed in accordance with the relevant requirements of the Environmental Planning and Assessment Act 1979, State Environmental Planning Policy (Housing) 2021, Cumberland LEP 2021 and Cumberland DCP 2021 and is considered to be satisfactory for approval subject to conditions.
The proposed development is appropriately located within the E1 Local Centre zone under the relevant provisions of the Cumberland LEP 2021, however variations in relation to the height of building under the is sought.
Having regard to the assessment of the proposal from a merit perspective, Council may be satisfied that the development has been responsibly designed and provides for acceptable levels of amenity for future residents. It is considered that the proposal successfully minimises adverse impacts on the amenity of neighbouring properties. Hence the development, irrespective of the departures noted above, is consistent with the intentions of Council’s planning controls and represents a form of development contemplated by the relevant statutory and non-statutory controls applying to the land.
For these reasons, it is considered that the proposal is satisfactory having regard to the matters of consideration under Section 4.15 of the Environmental Planning and Assessment Act 1979, and the development may be approved subject to conditions.
Consultation:
There are no consultation processes for Council associated with this report.
Financial Implications:
There are no financial implications for Council associated with this report.
Policy Implications:
There are no policy implications for Council associated with this report.
Communication / Publications:
The final outcome of this matter will be notified. The objectors will also be notified in writing of the outcome.
1. That the Clause 4.6 variation request to contravene the height of building development standard, pursuant to Clause 16 of the Housing SEPP 2021 be supported.
2. That Development Application 2024/0618 for alterations and additions to the shop-top housing development including reconfiguration of basement levels 1 and 2, ground floor and levels 1 to 4, an additional basement level and two residential levels (levels 5 and 6), comprising in total two (2) commercial tenancies and kiosk on the ground floor and 44 residential units over three (3) levels of basement parking pursuant to Chapter 2, Part 2, Division 1 In-fill affordable housing of the Housing SEPP 2021 on land at 2-4 Gilba Road, Pendle Hill be approved subject to conditions listed in the attached schedule.
3. Persons whom have lodged a submission in respect to the application be notified of the determination of the application.
Attachments
1. Draft Notice of Determination
4. Clause 4.6 Variation Request - Height of Building
5. Stamped Approved Plans Under DA2014/275
6. Stamped Approved Plans under MOD2022/0258
8. Appendix A - Housing SEPP 2021
9. Appendix B - Apartment Design Guide
10. Appendix C - Cumberland LEP 2021 Assessment
DOCUMENTS
ASSOCIATED WITH
REPORT ELPP024/25
Attachment 1
Draft Notice of Determination
DOCUMENTS
ASSOCIATED WITH
REPORT ELPP024/25
Attachment 4
Clause 4.6 Variation Request - Height of Building
DOCUMENTS
ASSOCIATED WITH
REPORT ELPP024/25
Attachment 8
Appendix A - Housing SEPP 2021
DOCUMENTS
ASSOCIATED WITH
REPORT ELPP024/25
Attachment 10
Appendix C - Cumberland LEP 2021 Assessment
DOCUMENTS
ASSOCIATED WITH
REPORT ELPP024/25
Attachment 11
Appendix D - Cumberland DCP 2021 Assessment
8 October 2025
Item No: ELPP025/25
Development Application - 150 Hawkesbury Road, Westmead
Directorate: Environment and Planning
Responsible Officer: Executive Manager City Planning and Development
|
Application lodged |
8 August 2025. |
|
Applicant |
R Ryan (NSW Department of Education). |
|
Owner |
Department of Education. |
|
Application No. |
DA2025/0545. |
|
Description of Land |
Westmead Public School 150 Hawkesbury Road Westmead. Lot 1 in DP 881383. |
|
Proposed Development |
Demolition of an existing single storey detached building (Block B) and tree removal. |
|
Site Area |
28,210 square metres. |
|
Zoning |
R2 Low Density Residential Zone. |
|
Disclosure of political donations and gifts |
Nil disclosure. |
|
Cost of works |
$183,738. |
|
Heritage |
The subject site contains a Heritage Item (I295), which is identified as, “Westmead Public School, circa 1917”. |
|
Principal Development Standards |
Minimum Lot Size Permissible: 450 square metres. Proposed: N/A.
FSR Permissible: No FSR in R2 Zone. Proposed: N/A.
Height of Building Permissible: 9m. Proposed: N/A. |
|
Issues |
N/A |
Summary:
1. Development Application 2025/0545 was lodged on the 8 August 2025 for the demolition of an existing single storey detached building (Block B) and tree removal.
2. The application was publicly notified to occupants and owners of the adjoining properties for a period of 14 days between 14 August 2025 and 28 August 2025. In response, no submissions were received.
3. The subject site is listed as a heritage item in the Cumberland Local Environmental Plan 2021 as Heritage Item I295. The heritage item is the Westmead Public School.
4. The application is referred to the Panel as the proposal is considered to be a sensitive development as demolition within a site identified as a local heritage item is proposed.
5. The application is recommended for approval subject to the conditions as recommended in the Council’s assessment report.
Report:
Subject Site and Surrounding Area
The site forms Lot 1 in DP 881383 and is known as Westmead Public School at 150 Hawkesbury Road Westmead. The site has an area of 28,210 square metres and has frontages to Hawkesbury Road, Moree Avenue and Grand Avenue.
The subject site is known as Westmead Public School (Circa 1917). The school comprises of 13 permanent buildings and 4 demountables. The school provides 3 off street car parking areas.
The school caters to students from years K-6. The school also provides before and after school care, two libraries, a lecture theatre, a dance studio and two computer rooms.
The subject property contains a Heritage Item (I295) which is identified as, “Westmead Public School, circa 1917”.
However, the Department of Educations’ Section 170 Register identifies that only 3 buildings as contributing to the site’s heritage significance. Those buildings are B00A, B00F and B00I.
The subject site is in close proximity to ten heritage items, which are the following:
· I288 - I290 (15 - 19 Austral Avenue, Westmead); and
· I298 - I304 (5 - 17 Moree Avenue, Westmead).
All of the adjoining heritage items listed above are Inter-war bungalows.
The subject site is also adjacent to the Toohey’s Palm Estate Group Conservation Area.
The site is adjacent to residential dwellings to the north, south, east and west. To the north-east of the subject site is a Sydney Metro West construction site which will house the future Westmead Metro Station.
A site inspection of the premises carried out on the 14 August 2025 identifies that the site is currently occupied by a School.
The location of the site is shown below edged in purple.

Figure 1 – Locality Plan of subject site

Figure 2 – Aerial view of subject site

Figure 3 – Street view of subject site
Development application DA2025/0545 was lodged on the 8 August 2025 seeking approval for the demolition of an existing single storey detached building (Block B) and tree removal. The detailed breakdown of the proposal is shown below:
· Demolition of a single storey detached building (Block B).
· Removal of a demountable classroom.
· Removal of 11 existing trees.
· Removal of an existing metal awning and linkways.
· Removal of site furniture, timber play structures and artificial turf.
· Removal of a concrete pathway.
· Removal of a bitumen pathway, sandstone walls and kerb, a gate, a concrete HOB.
· Removal of garden beds and planting and bitumen.
Whilst the demolition plan indicates that the resurfacing of the existing carpark (that is adjacent to Block B) is proposed, it does not form part of this application.
Whilst the demolition plan indicates the proposed removal of the amenities building (Block U), it does not form part of this application as it is stated that it will be removed as exempt development as it was erected as exempt development.
The development application is a Crown Application as it is an application that has been made by the Crown.
History
· PL2025/0036 was lodged to Cumberland City Council on 12/06/2025 for the Demolition of Building B - Westmead Public School which was finalized on the 09/07/2025.
Applicants Supporting Statement
The applicant has provided a Statement of Environmental Effects prepared by EPM Projects dated 30 July 2025 and was received by Council on 31 July 2025 in support of the application.
Contact With Relevant Parties
The assessing officer has undertaken a site inspection of the subject site and surrounding properties and has been in regular contact with the applicant throughout the assessment process.
Internal Referrals
Environmental Health
The development application was referred to Council’s Environmental Health Officer for comment who has advised that the proposal is satisfactory. The application is supported by both an asbestos management plan and a waste management plan and therefore can be supported subject to conditions.
Tree Management
The development application was referred to Council’s Senior Tree Management Officer for comment who has advised that the proposal is satisfactory subject to recommended conditions of consent.
Heritage
The development application was referred to Council’s Heritage Committee. An enquiry was submitted on the 19/08/2025 by a member of the Heritage Committee on their own behalf who sought clarification on the scope of the works proposed. This is further discussed below under the ‘submissions made’ section of this report.
External Referrals
The application was not required to be referred to any external government authorities for comment.
Planning Comments
The provisions of any Environmental Planning Instruments (EP&A Act s4.15 (1)(a)(i))
State Environmental Planning Policies
The proposed development is affected by the following State Environmental Planning Policies:
|
State Environmental Planning Policies (SEPPs) |
Relevant Clause(s) |
Compliance with Requirements |
|
· State Environmental Planning Policy (Biodiversity and Conservation) 2021.
|
Chapter 2 -Vegetation in non Rural Areas. |
The development application includes the removal of 11 trees which has been assessed as being acceptable by the Council’s Senior Tree Assessment Officer, subject to conditions.
According to the submitted Biodiversity Due Diligence – Preliminary Review (prepared by Ecological Australia, project No. 24SYD9051, dated 30 July 2025), the proposal does not exceed the biodiversity offsets scheme threshold. The Council’s Senior Tree Assessment Officer considers the report to be acceptable. |
|
Chapter 6 - Water Catchments.
Sydney Harbour Catchment |
It is determined that given the location of the site, a detailed assessment is not required given that there is no direct impact upon the catchment and no direct impact upon watercourses. As such, the development is acceptable under the provisions that came into effect on Monday 21 November 2022. |
|
|
· State Environmental Planning Policy (Resilience and Hazards) 2021.
|
Chapter 2 - Coastal Management. |
The subject site is not identified as a coastal wetland or ‘land identified as “proximity area for coastal wetlands” or coastal management area. |
|
Chapter 4 - Remediation of Land.
Part 4.6. |
The site has historically been utilised for educational purposes.
As such, it is considered that the development application is satisfactory under Part 4.6 of Chapter 4 of the State Policy. |
|
|
· State Environmental Planning Policy (Sustainable Buildings) 2022
|
Chapter 3 – Standards for non-residential development |
Chapter 3 of SEPP (Sustainable Buildings) 2022 does not apply to this development as only demolition is proposed. |
|
· State Environmental Planning Policy (Transport and Infrastructure) 2021. |
Chapter 2 - Infrastructure. |
State Environmental Planning Policy (Transport and Infrastructure) 2021 is relevant to the development application as follows. |
| Chapter 3 - |
3.36 – Schools – development permitted with consent.
The controls within s3.36 relate mainly to the construction of a new building and therefore do not apply to this application as demolition of an existing school building is proposed. The works are not exempt development and consent is sought for what will occur on site.
3.37 (1)(e) – Existing or approved government schools – development permitted without consent.
The development is occurring within an existing government school and requires development consent as it entails demolition of structures on a site that is listed as a local heritage item. |
Local Environmental Plans
Cumberland Local Environmental Plan 2021
The provision of the Cumberland Local Environmental Plan 2021 is applicable to the development proposal. It is noted that the development achieves compliance with the key statutory requirements of the Cumberland Local Environmental Plan 2021 and the objectives of the R2 Low Density Residential Zone.
(a) Permissibility:
The proposed development is associated with an existing ‘School’ and an ‘educational establishment’ is permissible in the R2 Low Density Residential Zone with consent.
The proposed development involves demolition work which is permissible with consent as per Clause 2.7 of the Cumberland Local Environmental Plan 2021.
A school is defined within the Cumberland Local Environmental Plan 2021 as follows:
school means a government school or non-government school within the meaning of the Education Act 1990.
Note - Schools are a type of educational establishment—see the definition of that term in this Dictionary.
An education premises is defined within the Cumberland Local Environmental Plan 2021 as follows:
educational establishment means a building or place used for education (including teaching), being—
(a) a school, or
(b) a tertiary institution, including a university or a TAFE establishment, that provides formal education and is constituted by or under an Act.
The relevant matters to be considered under Cumberland LEP and the applicable clauses for the proposed development are summarised below. A comprehensive LEP assessment is contained in Attachment 4.
Figure 4 - Cumberland LEP 2021 Compliance Table
|
DEVELOPMENT STANDARD |
COMPLIANCE |
DISCUSSION |
|
4.3 Height of Buildings max. 9m |
N/A |
The application seeks demolition of specific structures and therefore, the maximum building height development standard does not apply. |
|
4.4 Floor Space Ratio
No FSR in R2 Zone. |
N/A |
The application seeks demolition of specific structures and therefore, the floor space ratio development standard does not apply. |
|
5.10 Heritage Conservation |
Yes |
The subject site contains a local heritage item identified as I295, being ‘Westmead Public School, circa 1917’.
The proposed development is supported by a Heritage Impact Statement (Prepared by Built Environmental Heritage Group, Issue 2, dated 24 June 2025).
The proposed development complies with this clause as the school building proposed to be demolished (Block B) will not adversely impact the heritage significance of the heritage item.
The building proposed to be demolished is a portable weatherboard structure that was erected post war and not considered to be heritage significant when compared to other buildings within the site.
Therefore, the proposed development complies with Clause 5.10 of the Cumberland LEP 2021. |
The provisions of any proposed instrument that is or has been the subject (EP&A Act s4.15 (1)(a)(ii))
Council has received a Gateway Determination from the Department of Planning, Housing and Infrastructure for the Draft Woodville Road Corridor Planning Proposal. As part of this approval, public exhibition of the Draft Woodville Road Corridor Planning Proposal has commenced. The public exhibition was carried out between the 4 March 2025 to 17 April 2025.
The Draft Planning Proposal seeks to revitalise Woodville Road by amending planning controls in the Cumberland Local Environmental Plan (CLEP) 2021 for 31 sites located around the three (3) precincts of Woodville North, Merrylands East and Woodville South.
The subject application was received on 08 August 2025 and the site does not fall within the Draft Woodville Road Corridor. Therefore, no further consideration is required.
The provisions of any Development Control Plans (EP&A Act s4.15 (1)(a)(iii))
The Cumberland Development Control Plan 2021 is relevant to the development proposal.
The development has been assessed using the following chapters:
· Part E – Other Land Use Based Development Controls.
· Part G2 – Heritage.
· Part G5 – Sustainability, Biodiversity & Environmental Management.
· Part G7 – Tree Management & Landscaping.
· Part G8 – Waste Management.
The proposed development complies with the provisions of Council’s Cumberland DCP and is considered acceptable from an environmental planning viewpoint. A comprehensive DCP assessment is contained in Attachment 5.
The provisions of any planning agreement that has been entered into under section 7.4, or any draft planning agreement that a developer has offered to enter into under section 7.4 (EP&A Act s4.15(1)(a)(iiia))
There is no draft planning agreement associated with the subject Development Application.
The provisions of the Regulations (EP&A Act s4.15 (1)(a)(iv))
The proposed development raises no concerns as to the relevant matters arising from the Environmental Planning and Assessment Regulation 2021 (EP&A Reg).
The Likely Environmental, Social or Economic Impacts (EP&A Act s4.15 (1)(b))
It is considered that the proposed development will have no significant adverse environmental, social or economic impacts in the locality.
The suitability of the site for the development (EP&A Act s4.15 (1)(c))
The subject site and locality is not known to be affected by any natural hazards or other site constraints likely to have a significant adverse impact on the proposed development. Accordingly, it is considered that the development is suitable in the context of the site and surrounding locality.
Submissions made in accordance with the Act or Regulation (EP&A Act s4.15 (1)(d))
|
Advertised (Website) |
|
Sign |
Not Required |
In accordance with Council’s Notification requirements contained within the Cumberland DCP 2021, the proposal was publicly notified for a period of 14 days between the 14 August 2025 and the 28 August 2025. Whilst no submissions were received in respect of the proposed development, a member of Council’s Heritage Committee made an enquiry on their own behalf and sought clarification on the scope of the proposed works. The questions the Heritage Committee member made were the following:
· Will the new 2 storey building replace the footprint of the existing Building B or will it have a larger footprint?
Response:
No construction works are proposed within the scope of this application.
· Will the existing car park remain near Building B and if not, will an onsite car park for staff be built elsewhere to save them from having to park in the street? Street parking in the Cumberland LGA is becoming quite an issue, so any off street parking that could be provided would be beneficial.
Response:
Whilst the architectural plans indicate that this carpark is proposed to be resurfaced, clarification has since been given that no works are proposed to the existing carpark within the scope of this Development Application.
· With the removal of quite a number of the existing trees, will Council request new plantings be made to replace them elsewhere for shade purposes?
Response:
The removal of 11 trees are proposed. Conditions have been imposed requiring that tree replacements be planted within the school to replace the 11 trees being removed.
The public interest (EP&A Act s4.15(1)(e))
In view of the foregoing analysis, it is considered that the development, if carried out subject to the conditions set out in the recommendation below, will have no significant adverse impacts on the public interest.
Crown Development (EP&A Act s4.33(1)(b))
The Development Application is considered Crown Development as it is a Development Application that has been made by the Crown. Therefore, prior to determination being granted, the applicant (The Department of Education) has been sent the draft conditions of consent of consent for its approval. The applicant concurs with the draft notice of determination contained in Attachment 1 of this report.
CUMBERLAND LOCAL INFRASTRUCTURE CONTRIBUTIONS PLANS 2020
The development would not require the payment of contributions in accordance with Cumberland Local Infrastructure Contributions Plan 2020.
HOUSING AND PRODUCTIVITY OF CONTRIBUTION (HPC)
In accordance with Schedule 2 of the HPC Order 2024, the proposed development is exempt from the HPC, as the development is for the demolition of specific structures within the subject site.
DISCLOSURE OF POLITICAL DONATIONS AND GIFTS
The applicant and notification process did not result in any disclosure of Political Donations and Gifts.
Conclusion:
The development application has been assessed in accordance with the relevant requirements of the Environmental Planning and Assessment Act 1979, the relevant State Environmental Planning Policies, Cumberland LEP and Cumberland DCP and is considered to be satisfactory for approval, subject to conditions.
Consultation:
There are no consultation processes for Council associated with this report.
Financial Implications:
There are no financial implications for Council associated with this report.
Policy Implications:
There are no policy implications for Council associated with this report.
Communication / Publications:
The final outcome of this matter will be notified. The objectors will also be notified in writing of the outcome.
That Development Application 2025/0545 for the demolition of an existing single storey detached building (Block B) and tree removal on land at Westmead Public School 150 Hawkesbury Road Westmead be approved subject to conditions as listed in the attached schedule.
Attachments
1. Draft Notice of Determination
3. Appendix A - Cumberland LEP 2021 Assessment
4. Appendix B - Cumberland DCP 2021 Assessment
DOCUMENTS
ASSOCIATED WITH
REPORT ELPP025/25
Attachment 1
Draft Notice of Determination
DOCUMENTS
ASSOCIATED WITH
REPORT ELPP025/25
Attachment 3
Appendix A - Cumberland LEP 2021 Assessment
DOCUMENTS
ASSOCIATED WITH
REPORT ELPP025/25
Attachment 4
Appendix B - Cumberland DCP 2021 Assessment
8 October 2025
Item No: ELPP026/25
Development application - 66 Irrigation Road, Merrylands
Directorate: Environment and Planning
Responsible Officer: Executive Manager City Planning and Development
|
Application lodged |
17 June 2025 |
|
Applicant |
J Tannous |
|
Owner |
Mr W Wehbe |
|
Application No. |
DA2025/0398 |
|
Description of Land |
66 Irrigation Road MERRYLANDS NSW 2160, Lot 11 in DP 25504 |
|
Proposed Development |
Demolition of existing structures and construction of a detached two storey dual Occupancy with Torrens Title subdivision and a secondary dwelling to the rear of each lot pursuant to the State Environmental Planning Policy (Housing) 2021 |
|
Site Area |
788.6m2 (by calculation) |
|
Zoning |
R2 Low Density Residential Zone |
|
Disclosure of political donations and gifts |
Nil disclosure |
|
Cost of works |
$1,521,827.10 |
|
Heritage |
No – Subject site is not Heritage Listed or within a Heritage Conservation Area |
|
Principal Development Standards |
Minimum Lot Size for a detached secondary dwelling under Clause 53(2)(a) of State Environmental Planning Policy (Housing) 2021 (SEPP(Housing)).
Minimum lot size requirement: 450m2 Proposed lot size: · Lot 1: 393.18m2 · Lot 2: 390.92m2 |
|
Issues |
Variation to Clause 53(2)(a) of SEPP(Housing)/ Setbacks/ Frontage/ Submission |
SUMMARY
1. Development Application No. DA2025/0398 was lodged on 17 June 2025 for the demolition of existing structures and construction of a detached two storey dual Occupancy with Torrens Title subdivision and a secondary dwelling to the rear of each lot pursuant to the State Environmental Planning Policy (Housing) 2021.
2. The application was publicly notified to occupants and owners of the adjoining properties for a period of 14 days between 24 June 2025 and 8 July 2025. In response, one (1) submission was received.
3. There is no heritage items located on, or in the vicinity of the subject site, nor is the site located within a Heritage Conservation Area.
The variations are as follows:
|
Control |
Required |
Provided |
% variation |
|
Minimum Lot size Clause 53(2)(a) (SEPP (Housing)) |
450m2 |
Lot 1: 393.18m2 Lot 2: 390.92m2 |
Lot 1: 12.6% Lot 2: 13.1% |
|
Front Setback 2.1A Building Envelopes, Objective 2.1A-2 (Low Rise Housing Diversity Design Guide) |
6.21m |
Unit 1: 6.416m Unit 2: 6.409m |
Unit 1: 3.3%. Unit 2: 3.2% |
|
Side Setback (First Floor) 2.1A Building Envelopes, Objective 2.1A-3 (Low Rise Housing Diversity Design Guide) |
Unit 1: 1.7m
Unit 2: 1.725m |
Unit 1:
Eastern side setback: 1.050m – 1.650m
Western side setback: 900mm
Unit 2:
Eastern side setback: 935mm – 988mm
Western side setback: 1.050m – 1.650m |
Unit 1:
38%
47%.
Unit 2:
Maximum 45.8%
39.1%. |
|
Minimum frontage 2.1G Orientation, Siting and Subdivision, Objective 2.1G- 1 (Low Rise Housing Diversity Design Guide) |
18m detached |
17.365m |
3.5% |
|
Building Separation for detached dual occupancy 2.1G Orientation, Siting and Subdivision, Objective 2.1G-8 (Low Rise Housing Diversity Design Guide) |
3m |
2.1m |
30% |
4. The application is referred to the Panel as the proposal contravenes a development standard by more than 10%. (Clause 53(2)(a) of SEPP (Housing).
5. The application is recommended for Approval subject to the conditions as recommended in Council’s assessment report.
Report:
Subject Site and Surrounding Area
The site is legally defined as Lot 11 in DP 25504 and is known as 66 Irrigation Road MERRYLANDS NSW 2160. The site has an area of 788.6m2 (by calculation) and a frontage to Irrigation Road of 17.365m. The site has a fall of approximately 2.13m from rear to front.
A site inspection of the premises was carried out on 18 September 2025, and it was confirmed that the site is currently occupied by a single storey clad dwelling house with tiled roof and ancillary attached and detached structures including an attached carport, a detached garage, metal shed, and associated hard paved areas. There are no trees are located within the subject site. One (1) tree is located on council’s nature strip. A Sydney water sewer traverses through the eastern side boundary of the site.
The existing developments adjoining the site include single storey dwellings with ancillary detached structures to the rear. The area consists of predominately low-density residential buildings, inclusive of one and two storey dwellings, secondary dwellings, and dual occupancy developments.
The location of the site is shown below:

Figure 1 – Locality Plan of subject site (Source: IntraMaps)

Figure 2 – Aerial view of subject site (Source: NearMaps)

Figure 3 – Street view of subject site (Site Inspection conducted on 08/09/2025)

Figure 4-5 – Rear of subject site as viewed from the eastern side boundary and northwestern corner (Site Inspection conducted on 08/09/2025)
Description of The Development
Council has received a development application for the demolition of existing structures and construction of a detached two storey dual Occupancy with Torrens Title subdivision and a secondary dwelling to the rear of each lot pursuant to the State Environmental Planning Policy (Housing) 2021.
· Demolition of existing structures consisting of the following:
- Demolition of existing single storey clad dwelling house and attached ancillary structures;
- Demolition of an attached carport structure;
- Demolition of a detached fibro garage and shed structure; and
- Demolition of all paved areas including the existing driveway.
· Construction of a two-storey detached dual occupancy with each dwelling consisting of the following:
- Ground floor: Single garage; front porch; lounge room; guest bedroom; water closet; laundry room; staircase to first floor; linin cupboard; open plan kitchen with WIP, family and dining area; and attached rear alfresco with BBQ area.
- First floor: One (1) Master bedroom with ensuite, walk-in-robe and with built in robe; three (3) bedrooms (standalone) with built in robe; common bathroom; sitting area; linen cupboard; staircase to ground floor and void.
· Construction of a detached secondary dwelling to the rear of each dwelling consisting of the following:
- Attached porch; open plan kitchen and living area; bathroom / laundry room; and two (2) bedrooms with built in robe.
· Separate vehicular crossings and driveway for each dwelling.
· Torrens title subdivision of the development is sought to create two lots.
- Lot 1 = Site area of 393.18 sqm, and frontage of 8.634m.
- Lot 2 = Site area of 390.92 sqm, and frontage of 8.731m.
History
There are no Environment Protection Orders (EPA) or relevant historical approvals associated with the subject site.
Applicants Supporting Statement
The applicant has provided a Statement of Environmental Effects dated May 2025 in support of the application.
The applicant has also submitted a Clause 4.6 statement prepared by Plan2Comply Pty Ltd, Revision 2, dated 20 August 2025 in support of the application. The applicant has submitted a clause 4.6 variation request for a deviation to Clause 53(2)(a) of the SEPP (Housing
Contact With Relevant Parties
The assessing officer has undertaken a site inspection of the subject site and surrounding properties and has been in regular contact with the applicant throughout the assessment process.
Internal Referrals
Tree Management
The development application was reviewed by Council’s Tree Management Officer, who advised that the proposal is acceptable subject to conditions relating to tree removal, replacement, protection, preservation, and maintenance. Accordingly, the application can be supported, subject to the recommended conditions of consent
External Referrals
Sydney Water Cooperation
Due to the presence of a sewer line traversing through the eastern side boundary of the site, the development application was referred to the Sydney Water Corporation for comments. Advice has been received by the relevant government authority (Sydney Water) on 27 June 2025. Sydney Water did not raise any objections to the proposed development subject to the recommended conditions including Sydney Water ‘Tap In’ Building Plan, out of scope building plan approval and general tree planting requirements.
Planning Comments
The provisions of any Environmental Planning Instruments (EP&A Act s4.15 (1)(a)(i))
State Environmental Planning Policies
The proposed development is affected by the following State Environmental Planning Policies:
|
State Environmental Planning Policies (SEPPs) |
Relevant Clause(s) |
Compliance with Requirements |
|
State Environmental Planning Policy (Biodiversity and Conservation) 2021
|
Chapter 2 -Vegetation in non Rural Areas |
The development application includes the removal of Removal of one (1) Callistemon viminalis tree located on council’s nature strip. The proposal has been reviewed and supported by Council’s Tree Management unit, subject to conditions pertaining tree replacement, protection, preservation, and maintenance.
The proposal does not exceed the biodiversity offsets scheme threshold. Therefore, the proposed vegetation removal is considered acceptable. |
|
Chapter 6 - Water Catchments
Sydney Harbour Catchment |
A detailed assessment is not required given that there is no direct impact upon the catchment and no direct impact upon watercourses. As such, the development is acceptable under the provisions that came into effect on Monday 21 November 2022. |
|
|
State Environmental Planning Policy (Resilience and Hazards) 2021
|
Chapter 2 - Coastal Management |
The subject site is not identified as a coastal wetland or ‘land identified as “proximity area for coastal wetlands” or coastal management area. |
|
Chapter 4 - Remediation of Land
Part 4.6 |
The subject site has historically been used for residential purposes. Council is satisfied that the site is suitable for the proposed development. As such, it is considered that the development application is satisfactory under Part 4.6 of Chapter 4 of the Policy. |
|
|
State Environmental Planning Policy (Sustainable Buildings) 2022
|
Chapter 2 Standards for residential Development -BASIX
|
BASIX Certificate number 1796944S, 1796948S, 1796955S and 1796956S issued 26 May 2025 have been submitted. It is shown that the proposal will meet the required target for Water, Thermal Comfort and Energy. The BASIX Certificate is considered satisfactory. |
State Environmental Planning Policy (Housing) 2021
The application has been submitted under Chapter 3 Part 1 Division 2 of the SEPP (Housing). The proposal generally complies with the key planning controls contained within Policy, with the exception of Clause 53(2)(a), which states that a minimum site area of 450m2 is required for a detached secondary dwelling.
Notwithstanding the variation noted above, the proposed development is considered acceptable from an environmental planning viewpoint. A comprehensive assessment against the SEPP (Housing) and a discussion of the clause 4.6 request is provided below.
|
Relevant Clause |
Planning Commentary |
Compliance |
|
50 This Part applies to development for the purposes of a secondary dwelling on land in a residential zone if development for the purposes of a dwelling house is permissible on the land under another environmental planning instrument. |
Subject site located within the R2 Low Density Residential zone. This Part applies to development for the purposes of a secondary dwelling on land in a residential zone if development for the purposes of a dwelling house is permissible on the land under another environmental planning instrument. As per the definitions of this division of the SEPP, a residential zone includes R2 Low Density Residential Zone.
In this regard, a secondary dwelling is permissible under the provisions of the SEPP (Housing). |
Yes
|
|
51 A secondary dwelling cannot be subdivided from the subject lot |
The subject development application proposes the demolition of existing structures and construction of a detached two storey dual Occupancy with Torrens Title subdivision and a secondary dwelling to the rear of each lot. The proposed secondary dwellings will not be subdivided from their respective lots.
A condition of consent has been imposed for no separating fences to be erected between the primary and secondary dwellings on the subject site. |
Yes
|
|
52 (2) Development consent must not be granted for development to which this Part applies unless— |
The proposed secondary dwelling is assessed against Division 2, Clause 52(2) of the SEPP (Housing). Refer to the detailed assessment against all subclauses of Clause 52 below. |
Yes |
|
Subclause 2(a) Only one (1) primary dwelling and only one (1) secondary dwelling is permitted on the subject land
|
This proposal consists of a detached dual occupancy development with Torrens Title subdivision and a secondary dwelling to the rear of each lot. A summary of the proposed subdivision and associated dwellings is as follows: · Lot 1: One primary dwelling and one secondary dwelling · Lot 2: One primary dwelling and one secondary dwelling |
Yes |
|
Subclause 2(b) the total floor area of the principal dwelling and the secondary dwelling is no more than the maximum floor area permitted for a dwelling house on the land under another environmental planning instrument, and
|
The site is on land zone R2 Low Density Residential. No FSR is applicable in land zoned R2 under the Cumberland Local Environmental Plan 2021 (CLEP 2021). |
Yes |
|
Subclause 2(c) the total floor area of the secondary dwelling is— (i) >60 m2 or (ii) the greater floor area permitted in another EPI
|
Proposed internal floor area of each secondary dwelling is 53.5m².
|
Yes |
|
53(2)(a) for a detached secondary dwelling—a minimum site area of 450m2, |
Each resulting lot is subject to a minimum site area requirement of 450m2. The proposed lot sizes following the construction of a detached dual occupancy development and Torrens Title subdivision is as follows:
· Lot 1: 393.18m2 ; Variation of 12.6% to the minimum site area requirement. · Lot 2 : 390.92m2 ; Variation of 13.1% to the minimum site area requirement.
A written request to vary the development standard was submitted in accordance with clause 4.6(3)(a) and (b) of the CLEP 2021. Please see Clause 4.6 variation discussion below. |
No – see Clause 4.6 discussion below.
|
|
53(2)(b) the number of parking spaces provided on the site is the same as the number of parking spaces provided on the site immediately before the development is carried out. |
The application proposes the demolition of existing structures and construction of a detached two storey dual Occupancy with Torrens Title subdivision and a secondary dwelling to the rear of each lot. The application proposes one (1) undercover parking space in the form of a single garage for each dwelling. |
Yes |
Local Environmental Plans
Cumberland Local Environmental Plan 2021 (CLEP 2021)
The provision of the CLEP 2021 is applicable to the development proposal. It is noted that the development achieves compliance with the key statutory requirements of the CLEP 2021 and the objectives of the R2 Low Density Residential Zone. Discussion about permissibility and exception to development standards is provided below. Please refer to attachment 4 for detailed assessment of relevant CLEP 2021 provisions.
(a) Permissibility:
The subject site is zoned R2 Low Density Residential. The proposal is for the demolition of existing structures and construction of a detached two storey dual Occupancy with Torrens Title subdivision and the erection of a ‘secondary dwelling’ to the rear of each lot which is a prohibited land use under the CLEP 2021. However, pursuant to Clause 50 of State Environmental Planning Policy (Housing) 2021 the following applies:
development for the purposes of a secondary dwelling on land in a residential zone if development for the purposes of a dwelling house is permissible on the land under another environmental planning instrument.
As per the definitions within this division of the SEPP, a residential zone includes R2 Low Density Residential Zone. A dual detached occupancy with Torrens Title subdivision is a permissible land use within the R2 zone under the CLEP 2021. In this regard, a secondary dwelling is permissible with consent within the R2 zoned land under the provisions of the SEPP (Housing).
The relevant matters to be considered under the CLEP 2021 and the applicable clauses for the proposed development are summarised below. A comprehensive CLEP 2021 assessment is contained in Attachment 4.
(b) Clause 4.6 – Variation to Clause 53(2)(a) - Minimum Site Area
Clause 4.6 aims to achieve better design outcomes for and from development by allowing an appropriate degree of flexibility to development standards if particular circumstances are satisfied.
The application seeks to vary the minimum site area requirement of 450m2 for a detached secondary dwelling as required by Clause 53(2)(a) of State Environmental Planning Policy (Housing) 2021. The proposed lot sizes following the construction of a detached dual occupancy development and Torrens Title subdivision is as follows:
· Lot 1: 393.18m2 ; Variation of 12.6% to the minimum site area requirement.
· Lot 2 : 390.92m2 ; Variation of 13.1% to the minimum site area requirement.
Consent may only be granted upon the consent authority being satisfied that the applicant has demonstrated in a document submitted with the application that (a) compliance with the development standard is unreasonable or unnecessary in the circumstances and (b) there are sufficient environmental planning grounds to justify the contravention of the development standard.
(a) compliance with the development standard is unreasonable or unnecessary in the circumstances.
The decision of Wehbe v Pittwater Council (2007) 156 LGERA 446; [2007] NSWLEC 827, affirmed in Initial Action Pty Ltd v Woollahra Municipal Council [2018] NSWLEC 118 set out five common and non-exhaustive ways in which an applicant might demonstrate that compliance with a development standard is unreasonable or unnecessary. They were that:
(i) the objectives of the development standard are achieved notwithstanding non-compliance with the standard.
(ii) the underlying objective or purpose is not relevant to the development with the consequence that compliance is unnecessary.
(iii) the underlying objective or purpose would be defeated or thwarted if compliance was required with the consequence that compliance is unreasonable.
(iv) the development standard has been virtually abandoned or destroyed by the Council’s decisions in granting development consents that depart from the standard and hence compliance with the standard is unnecessary and unreasonable.
(v) the zoning of the particular land on which the development is proposed to be carried out was unreasonable or inappropriate so that the development standard, which was appropriate for that zoning, was also unreasonable or unnecessary as it applied to that land and that compliance with the standard in the circumstances of the case would also be unreasonable or unnecessary.
Applicant’s justification:
The applicant relies on the principles established in Wehbe v Pittwater Council [2007], specifically Tests 1, and 3, in support of the submitted proposal.
- Wehbe Test 1 – "The objectives of the development standard are achieved notwithstanding non-compliance with the standard."
The applicant contends that compliance with the minimum lot size development standard is considered both unreasonable and unnecessary in the circumstances of this application. In Four2Five Pty Ltd v Ashfield Council [2015] NSWLEC 1004, the Land and Environment Court confirmed that Clause 4.6(3)(a) may be satisfied by demonstrating a lack of environmental harm and sufficient planning merit to support the variation.
The Court in Four2Five also referred to the earlier and well-established decision in Wehbe v Pittwater Council [2007] NSWLEC 827, which held that the most accepted approach to demonstrate that compliance is unreasonable or unnecessary is by showing that the objectives of the development standard are achieved despite the numerical non-compliance.
In this case, the proposed development meets the planning objectives of the lot size control—specifically, the orderly and functional provision of secondary dwellings—even though it does not comply with the 450m² minimum site area.
The application of the Wehbe five-part test is considered useful in demonstrating the merit of the proposal and the absence of any adverse planning or environmental impacts resulting from the variation.
Although originally developed in the context of SEPP 1, the Wehbe tests remain highly relevant and have been consistently applied in Clause 4.6 assessments. While not exhaustive or prescriptive, they provide a structured and well-accepted framework to assist the consent authority in determining whether a variation to the development standard is warranted.
In this instance, the proposal is considered to satisfy the threshold required to support the variation under Clause 4.6.
In Initial Action Pty Ltd v Woollahra Municipal Council [2018] NSWLEC 118, Chief Justice Preston clarified that, where a development standard lacks explicit objectives, it is appropriate to consider related provisions with stated objectives to assess whether the planning intent has been achieved despite non-compliance. This ensures the intent of the planning framework is properly considered, even in the absence of objectives in the specific clause being varied.
Clause 53(2)(a) of the State Environmental Planning Policy (Housing) 2021 prescribes a minimum site area of 450m² for detached secondary dwellings. However, this clause does not contain specific objectives, and broader planning context must therefore be used in applying Clause 4.6 of the relevant Environmental Planning Instrument.
- Wehbe Test 3 – "The underlying objective or purpose would be defeated or thwarted if compliance was required and therefore compliance is unreasonable."
The applicant contends that Compliance with the standard would thwart or defeat the objective of the standard (and therefore it is unreasonable to require compliance). Strict compliance with the 450m² site area standard would prevent a development that is otherwise entirely consistent with the prevailing subdivision and housing pattern within the Merrylands locality, which is currently undergoing a measured transition toward higher housing diversity. The proposed breach enables a development that reflects the evolving character of the area, where similar Torrens title subdivisions and the inclusion of secondary dwellings on lots below 450m² have been previously approved and constructed.
· The proposed allotments are compatible with both the existing subdivision layout and the emerging built form in the locality, particularly in relation to streetscape scale, setbacks, and density.
· The variation does not result in any loss of significant views, overshadowing, or reduction in visual or acoustic privacy.
· The non-compliance does not generate any adverse environmental or amenity impacts and facilitates an outcome that is appropriate for the orderly, efficient, and economic use of a well-located residential site.
· The development incorporates strong urban design principles, including articulation, generous setbacks, and landscaping, which contribute positively to the visual character of the street and local area.
The environmental planning benefits facilitated by the variation are substantial. The subdivision supports two functional and well-designed dwellings (each with a secondary dwelling) on lots that remain practical, liveable, and consistent with both strategic planning goals and the surrounding development pattern. It enables the provision of a generous street setback and the creation of a modest residential dwelling. The variation also facilitates the provision of generous building articulation.
As such, requiring strict compliance with the numerical standard would unreasonably obstruct a development that delivers improved design outcomes, increases housing diversity, and supports the desired future character of the precinct.
A review of the locality indicates a growing trend of similar low-scale infill housing, including dual occupancies and ancillary dwellings on modestly sized lots. The proposed development is consistent with this evolving pattern, and the built form will integrate harmoniously into the existing streetscape.
While the development does not meet the strict numerical requirement for minimum lot size, the planning merit of the proposal; including its scale, design, and contribution to housing diversity justifies the variation.
In this instance, varying the development standard will facilitate a contextually appropriate and beneficial outcome for the locality.
Planner’s comments:
The proposed development is consistent with objectives of the Housing SEPP 2021, which are broad principles which seek to promote diverse housing types, address the needs of vulnerable community members, provide residents with a reasonable level of amenity, encourage housing in well-serviced locations, minimise environmental and climate impacts, ensure design compatibility that enhances the local area, support short-term rental accommodation, and prevent the loss of existing affordable rental housing. Furthermore, the proposal generally complies with the CLEP 2021, the Cumberland Development Control Plan 2021 (CDCP 2021), Low Rise Housing Diversity Design Guide (with the exception of merits) and the SEPP (Housing), notwithstanding the exception noted under Clause 53(2)(a).
It is considered that the proposal is consistent with the desired low-density character of the area. The proposal provides sufficient height, bulk and scale that is generally consistent with the relevant planning instruments, and the correlation between the building height and density is considered appropriate. As demonstrated in the attached assessment tables the development is compliant with the amenity requirements of the relevant planning instruments. If the development were made to comply there would be no significant improvement with respect to the amenity within the development or surrounding neighbours and would be conflicting with principles of the SEPP (Housing). In this regard, Council considers compliance to be unnecessary in the circumstances of the case.
(b) there are sufficient environmental planning grounds to justify the contravention of the development standard.
In respect of there being sufficient environmental planning grounds to justify the contravention of the development standard, Initial Action found that although the phrase ‘environmental planning’ is not defined, it would refer to grounds that relate to the subject matter, scope and purpose of the Environmental Planning and Assessment Act 1979, including the objects in s.1.3. to be sufficient, the environmental planning grounds advanced in the written request must justify the contravention of the development standard, not simply promote the benefits of carrying out the development as a whole Four2Five Pty Ltd v Ashfield Council [2015] NSWCA 248.
Applicant’s justification:
To demonstrate that sufficient environmental planning grounds exist, it is necessary to consider the specific circumstances surrounding the proposed variation.
This request seeks Council’s consent to contravene Clause 53(2)(a) of the SEPP (Housing), which prescribes a minimum site area of 450m² for detached secondary dwellings. In this case, each proposed allotment will have a respective value of 393.18sqm (lot 1) and 390.92sqm (lot 2).
The variation enables a form of development that aligns with the desired future character of the area, which is experiencing a gradual transition in terms of housing diversity and subdivision scale. This variation allows for a design that is more compatible with the established and emerging built form in the locality.
· The proposed allotments are consistent with the existing pattern of subdivision in the surrounding area and reflect the evolving development character within Merrylands.
· The built form has been carefully designed to respond positively to its context, incorporating suitable setbacks, open space, and articulation that together contribute to an enhanced urban design outcome.
· The variation facilitates a practical and orderly subdivision pattern and supports a low-scale housing form that integrates well with existing residential dwellings.
· The development takes advantage of the site’s proximity to public transport, schools, shops, and open space, providing a highly accessible and liveable housing solution.
· There is no material environmental or amenity impact arising from the reduced lot size, and no loss of streetscape cohesion or character.
Accordingly, it is considered that there are site-specific circumstances and broader planning benefits which provide sufficient environmental planning grounds to justify the proposed variation. The breach enables a contextually appropriate and well-resolved design outcome that could not reasonably be achieved under strict compliance with the standard.
Planner’s comments:
Strict compliance with Clause 53(2)(a) of the SEPP (Housing) in relation to the provision of a secondary dwelling is considered both unreasonable and unnecessary in the context of the subject application. The proposed development aligns with the key principles of the SEPP (Housing) and satisfies the objectives applicable to R2 Low Density Residential zoned land.
Council considers that the development will protect the amenity of residents within the development and the adjoining properties subject to conditions of consent. The bulk and scale of the development is such that surrounding properties will receive sufficient amenity.
Council is in agreement with the applicant that strict enforcement and compliance with the lot size development standard is unreasonable and unnecessary in the context of the subject application. The development is otherwise consistent with the principles of the SEPP (Housing) and meets the objectives outlined for R2 Zoned Land.
It is Council’s view that a lot at least 380 m² in size is sufficient to accommodate a secondary dwelling. This is demonstrated in CDCP 2021, Part B, Section 2.21, C7. Council considers the applicants justification to be well founded and the subject site to be appropriate in size to accommodate the proposed development and that there are sufficient environmental planning grounds to vary the standard.
Having regard to the nature of the proposed works and the pattern of similar development within the locality, the proposal is deemed appropriate in its context. The variation to the development standard concerning minimum lot size is acceptable on environmental planning grounds, and the applicant’s written justification is well founded.
Conclusion
Council is satisfied that the applicant’s written request has appropriately addressed the requirements set out under Clause 4.6(3). Furthermore, Council is satisfied that the proposed development is in the public interest as it demonstrates consistency with both the objectives of the development standard in question and the objectives of the R2 Low Density Residential zone in which the development is situated.
Having assessed the application on its individual merits, Council officers are of the view that the justification provided in support of the variation is reasonable and well founded. Accordingly, the proposed variation to Clause 53(2)(a), relating to minimum lot size for detached secondary dwellings, is considered acceptable in this instance.
The provisions of any proposed instrument that is or has been the subject (EP&A Act s4.15 (1)(a)(ii))
Council has received a Gateway Determination from the Department of Planning, Housing and Infrastructure for the Draft Woodville Road Corridor Planning Proposal. As part of this approval, public exhibition of the Draft Woodville Road Corridor Planning Proposal has commenced. The public exhibition was carried out between the 4 March 2025 to 17 April 2025.
The Draft Planning Proposal seeks to revitalise Woodville Road by amending planning controls in the CLEP 2021 for 31 sites located around the three (3) precincts of Woodville North, Merrylands East and Woodville South.
The subject application was received on 17 June 2025 and the site does not fall within the Draft Woodville Road Corridor and therefore no further consideration is required.
The provisions of any Development Control Plans (EP&A Act s4.15 (1)(a)(iii))
The Cumberland Development Control Plan 2021 (CDCP 2021) provides guidance for the design and operation of development to achieve the aims and objectives of the CLEP 2021. A comprehensive assessment and compliance table is contained in Attachment 5.
The proposed development complies with the provisions of the CDCP 2021 and the Low Rise Housing Diversity Design Guide with the exception of the controls outlined below
The development has been assessed using the following chapters:
· Part A2 – Subdivision
· Part B1 – Dwelling Houses and Secondary Dwellings
· Part B2 – Low Rise Medium Density Development
· Part G3 – Traffic, Parking, Transport and Access (Vehicle)
· Part G4 – Stormwater and Drainage
· Part G5 – Sustainability, Biodiversity and Environmental Management
· Part G7 – Tree Management and Landscaping
· Part G8 – Waste Management
· Section 2.1 - Dual occupancy (Low Rise Housing Diversity Design Guide)
The proposed development includes non-compliances with the CDCP 2021 and the Low-Rise Housing Diversity Design Guide, specifically in relation to front and side setbacks, minimum site frontage, and building separation for detached dual occupancy developments.
The variations relate to the following provisions:
· Front setback – Objective 2.1A-2
· Side setback – Objective 2.1A-3
· Minimum frontage – Objective 2.1G-1
· Building separation for detached dual occupancies – Objective 2.1G-8 of the Design Guide
Notwithstanding these non-compliances, the proposal is considered to demonstrate sufficient planning merit and to perform satisfactorily in terms of its environmental planning impacts. As such, the variations are supported in this instance, as discussed in the assessment below.
2.1A Building envelope
Low Rise Medium Density Design Guide for Development Applications, Objective 2.1A-2 - Front setback
Objective 2.1A-2
The development provides a setback from the front boundary or public space that:
· defines the street edge;
· creates a clear threshold and transition from public to private space;
· assists in achieving visual privacy to ground floor dwellings from the street;
· contributes to the streetscape character and landscape; and
· relates to the existing streetscape and setback pattern or the desired future streetscape pattern if different to the existing.
Objective 2.1A-2 of the Low-Rise Housing Density Guide states where existing dwelling houses or dual occupancies are within 40m of the development, the front setback shall be the average of the two closest dwelling houses or dual occupancies.
In this case, the front setback of the neighbouring properties is 6.841m (approx.) at no. 68 Irrigation Road and 5.584m at no. 64 Irrigation Road. Therefore, the development requires a front setback of 6.21m.
Unit 1 propose a front setback of 6.416m to the building wall which exceeds the minimum requirement by 206mm resulting in a variation of 3.3%.
Unit 2 propose a front setback of 6.409m to the building wall which exceeds the minimum requirement by 206mm resulting in a variation of 3.2%.
The non-compliance is considered acceptable on merit as the proposal is well-articulated from the street front façade. Furthermore, the proposal continues to create a clear threshold and transition from public to private space and contributes to the character of the local area. It is considered to align with the existing streetscape characteristics and complies with visual privacy controls.
Low Rise Medium Density Design Guide for Development Applications, Objective 2.1A-3 Side setback
Objective 2.1A-3
The development provides side boundary setbacks that reflects the character and separation of buildings within the surrounding area.
Objective 2.1A-3, Design Criteria 10 of the Guide states that where the development control plan does not
contain side setback controls, the following side setbacks apply for sites with lot width at the building line of less than 24m:
Unit 1
Height of building greater than 4.5m and less than 8.5m: (Building height (7.7m) - 4.5m) divided by 4
+0.9m = 1.7m
Unit 2
Height of building greater than 4.5m and less than 8.5m: (Building height (7.8m) - 4.5m) divided by 4
+0.9m = 1.725m
Applying the equation, the minimum required side setback when the building height is greater than 4.5m to
8.5m is 1.7m for proposed Unit 1, and 1.725m m for proposed Unit 2.
From the building height of 4.5m to 8.5m Unit 1 proposes an eastern side setback of 1.050m (variation of 0.65m or 38%), and a western side setback of 900mm (variation of 0.8m or 47%).
From the building height of 4.5m to 8.5m Unit 2 proposes an eastern side setback of 935mm (variation of 0.79m or 45.8%.), and a western side setback of 1.050m (variation of 0.675m or 39.1%).
The proposed side setback complies at the ground floor however are non-compliant at the first floor.
Despite the numerical non-compliance, the reduced first-floor side setbacks do not detract from the existing streetscape characteristics along Irrigation Road. The proposed bulk and scale are considered appropriate, as the design incorporates articulation along the side boundaries through the use of stepped-in wall elements, windows, and awning structures. Furthermore, the development complies with the relevant amenity requirements outlined in CDCP 2021 and the Design Guide, as outlined in Attachment 5. Accordingly, the proposed variation is considered acceptable in the context of the site and surrounding development pattern.
2.1G Orientation, Siting and Subdivision
Low Rise Medium Density Design Guide for Development Applications, Objective 2.1G-1 Minimum frontage – Dual Occupancy (detached)
Objective 2.1G-1
To achieve planned residential density consistent with the local housing strategy
Objective 2.1G-1 of the Low-Rise Housing Diversity Design Guide and Clause 3.1 (C1) of Part B2 of the CDCP 2021 require a minimum site frontage of 18 metres for detached dual occupancy developments. The subject site provides a frontage of 17.365 metres to Irrigation Road, representing a variation of 0.635 metres or 3.5%.
Despite this minor numerical non-compliance, the proposed development is considered acceptable on planning merit. The design appropriately responds to the site’s dimensions and is compatible with the prevailing subdivision pattern in the locality. The reduced frontage does not adversely impact the visual or spatial character of the streetscape, and the architectural presentation of the front façade is consistent with the surrounding built form.
The proposal otherwise complies with relevant planning controls, including those relating to orientation, siting, subdivision layout, and the relationship to the public domain. The variation does not compromise the internal dwelling layout, with adequate room for circulation, furnishing, and residential amenity.
Key amenity considerations such as solar access, natural ventilation, privacy, landscaping, and on-site parking have been satisfactorily addressed. Therefore, the proposed variation to the minimum frontage control is considered to result in no adverse planning impact, is supported by the design response, and is acceptable in this instance.
Low Rise Medium Density Design Guide for Development Applications, Objective 2.1G-8 Building Separation for detached dual occupancy
Objective 2.1G-8
Provide adequate separation between buildings to allow for landscape, provide visual separation and daylight access between buildings
For detached dual occupancy developments, a minimum separation of 3 metres between the two dwellings is required. The proposed development provides a separation of 2.1 metres, representing a variation of 0.9 metres or 30%.
Despite this variation, the subject site is of sufficient size to accommodate a detached dual occupancy. The proposal is also consistent with the prevailing subdivision pattern in the locality. Notably, in accordance with the CDCP 2021, dwelling houses are required to maintain a minimum side setback of 900mm. Upon subdivision, each detached dwelling will function as a single dwelling house, for which the proposed 900mm setback complies with the applicable requirements.
The reduced separation does not adversely impact visual privacy or amenity and maintains consistency with the existing streetscape character. Furthermore, the proposal achieves compliance with relevant amenity considerations, including solar access, ventilation, and landscaping, as detailed in the CDCP 2021 and Design Guide (refer to Attachment 5).
Accordingly, the proposed variation is considered consistent with the objectives of Clause 2.1G-8 and is supported on planning merit.
The provisions of any planning agreement that has been entered into under section 7.4, or any draft planning agreement that a developer has offered to enter into under section 7.4 (EP&A Act s4.15(1)(a)(iiia))
There is no draft planning agreement associated with the subject Development Application.
The provisions of the Regulations (EP&A Act s4.15 (1)(a)(iv))
The proposed development raises no concerns as to the relevant matters arising from the Environmental Planning and Assessment Regulation 2021 (EP&A Reg).
The Likely Environmental, Social or Economic Impacts (EP&A Act s4.15 (1)(b))
It is considered that the proposed development will have no significant adverse environmental, social or economic impacts in the locality.
The suitability of the site for the development (EP&A Act s4.15 (1)(c))
The subject site and locality are not known to be affected by any natural hazards or other site constraints likely to have a significant adverse impact on the proposed development. Accordingly, it is considered that the development is suitable in the context of the site and surrounding locality.
Submissions made in accordance with the Act or Regulation (EP&A Act s4.15 (1)(d))
|
Advertised (Website) |
|
Sign |
Not Required
|
In accordance with Council’s Notification requirements contained within the CDCP 2021, the proposal was publicly notified for a period of 14 days between 24 June 2025 and 8 July 2025. The notification generated one (1) submission in respect of the proposal with nil disclosing a political donation or gift. The issues raised in the public submissions are summarised and commented on as follows:
Figure 6 – Submissions summary table
|
Issue |
Planner’s Comment |
|
The DA on Council’s website does not include key documents, such as plans and the Statement of Environmental Effects. Without these, adjoining landowners cannot properly assess or comment on the proposal. |
All relevant plans/documents are available on council’s DA tracker as follows: - Statement of Environmental Effects - Notification Plan (Site Plan and Elevation Plans) - Full Architectural set with redacted floor plans - Landscape Plan - Shadow Diagram - Demolition Plan - Survey Plan - Schedule of Finishes - BASIX Certificates - Arborist Report - Waste Management Plan - Design Verification Statement |
|
The proposal includes detached secondary dwellings on lots smaller than 450 sqm, which contravenes the non-discretionary minimum lot size requirement of 450 sqm under Section 53(2) of SEPP (Housing) 2021. Detached secondary dwellings are only permitted on lots of at least 450 sqm; otherwise, they must be attached to the principal dwelling. As this is a mandatory standard under SEPP and not a discretionary development standard, it cannot be varied by Council under Clause 4.6 of the LEP. Therefore, the detached secondary dwellings on lots under 450 sqm are prohibited, and Council cannot support this aspect of the development. |
In accordance with Clause 4.6 of the CLEP 2021, and as permitted under Section 3.33 of the Environmental Planning and Assessment Act 1979 (NSW), applicants are entitled to submit a written request to vary a development standard.
The applicant has submitted a written request under Clause 4.6(3)(a) and (b), which requires:
(a) That compliance with the development standard is unreasonable or unnecessary in the circumstances of the case, and
(b) That there are sufficient environmental planning grounds to justify the variation.
Council has assessed the request and is satisfied that it meets the relevant requirements of Clause 4.6(3), and that the proposed development is in the public interest. This is demonstrated through consistency with both the objectives of the development standard and the R2 Low Density Residential zone.
As such, the variation to Clause 53(2)(a) (minimum lot size for detached secondary dwellings) is considered justified, reasonable, and acceptable based on the individual merits of the application. |
|
The proposed detached secondary dwellings will adversely affect the amenity of existing and future residents. The proximity and height of the rear balconies to the rear boundary will create negative impacts. Attached secondary dwellings, which allow increased rear setbacks, are the preferred design on lots under 450 sqm as recognised by SEPP (Housing) 2021.
The proposal should be redesigned to attach the secondary dwellings and provide a minimum 3-metre rear setback to reduce amenity impacts. Given the flat and regular shape of the site, there is no reasonable justification for the non-compliance, and a more considered design could achieve the intended development outcome without overdevelopment. |
The proposed secondary dwellings are single storey. The maximum building height of the proposed secondary dwellings is 4m. The proposed finished floor levels are not significantly raised from the natural ground level, resulting in minimal visual and amenity impacts.
The internal floor areas are below the maximum allowable under the relevant planning controls, and the overall bulk and scale of the secondary dwellings are considered appropriate for the site and surrounding context.
The development provides compliant rear and side setbacks of 900mm, in accordance with Council’s requirements (C12, Section 2.21, CDCP 2021), ensuring sufficient spatial separation from adjoining properties.
No rear balconies are proposed, and no living areas or windows to habitable rooms are located along the rear boundary, thereby mitigating any potential privacy or overlooking impacts on neighbouring residences.
The proposal has been assessed on its merits and is considered to respond appropriately to the surrounding context. The orientation and layout of the proposed dwellings have been carefully designed to minimise amenity impacts on adjoining properties, including the private open space. The proposed secondary dwellings will not detract from the amenity of adjoining neighbours.
The proposal demonstrates that a detached secondary dwelling can still comply with all relevant planning controls and maintain residential amenity. The proposal represents a reasonable and acceptable built outcome in this context. |
|
Access to the landscape plan is requested to enable comment on the proposed fencing strategy.
|
The landscape plan has been made available on council’s DA tracker. The landscape plan does not entail fencing detail. The proposal does not involve the removal/erection of any boundary fencing and does not involve new structures to be built on the boundary.
Please note that any new fencing is a civil matter and should be done in consultation with relevant adjoining site owners.
The following advisory condition is recommended:
106. DAANN03 - Dividing Fences The erection of dividing fences under this consent does not affect the provisions of the Dividing Fences Act 1991. Under this Act, all relevant parties must agree prior to the erection of any approved dividing fence/s under this consent. Council has no regulatory authority in this area and does not adjudicate civil disputes relating to the provision of or payment for the erection of dividing fences.
If there is a neighbour dispute about the boundary fence, the Community Justice Centre may provide mediation services.
In addition to the above the following conditions are imposed:
13. DACCA04 - Works within Boundary No portion of the works are to encroach beyond the boundaries of the subject property. Alternatively, documentary evidence that the owner of the adjoining property has no objection to the required works or access, is to be submitted to the Council or registered certifier prior to the issue of a Construction Certificate.
(Reason: To ensure protection of adjoining properties)
66. DADWC10 - Construction Within Boundary All approved construction including but not limited to footings, walls and guttering shall be constructed wholly within the boundaries of the site.
(Reason: To prevent encroachment on other land)
The purpose of the above conditions is to ensure work is maintained within the subject site. |
THE PUBLIC INTEREST (EP&A ACT S4.15(1)(E))
In view of the foregoing analysis, it is considered that the development, if carried out subject to the conditions set out in the recommendation below, will have no significant adverse impacts on the public interest.
CUMBERLAND LOCAL INFRASTRUCTURE CONTRIBUTIONS PLANS 2020
The development would require the payment of contributions in accordance with Cumberland Local Infrastructure Contributions Plan 2020.
In accordance with the Contribution Plan a contribution is payable, pursuant to Section 7.11 of the EP&A Act, calculated on the cost of works. A total contribution of $58,167.00 would be payable prior to the issue of a Construction Certificate.
HOUSING AND PRODUCTIVITY OF CONTRIBUTION (HPC)
In accordance with s7.24, s7.26 and s7.28 of the Environmental Planning and Assessment Act, 1979, the proposed development is subject to the payment of the Housing and Productivity Contribution (HPC).
A condition of consent has been imposed on the development consent in accordance with s7.28 of the EP&A Act 1979 requiring the payment of the HPC.
DISCLOSURE OF POLITICAL DONATIONS AND GIFTS
The applicant and notification process did not result in any disclosure of Political Donations and Gifts.
Conclusion:
The development application has been assessed in accordance with the relevant requirements of the Environmental Planning and Assessment Act 1979, Statement Environmental Planning Policy (Housing) 2021, CLEP 2021 and CDCP 2021 and is considered to be satisfactory for approval subject to the conditions of the development consent.
The proposed development is appropriately located within the R2 – Low Density Residential Zone under the relevant provisions of the Cumberland LEP 2021, however a variation the minimum lot size requirement for a detached secondary dwelling under Clause 53(2)(a) development standard, pursuant to the Statement Environmental Planning Policy (Housing) 2021 is sought.
Having regard to the assessment of the proposal from a merit perspective, Council may be satisfied that the development has been responsibly designed and provides for acceptable levels of amenity for future residents. It is considered that the proposal successfully minimises adverse impacts on the amenity of neighbouring properties. Hence the development, irrespective of the departures noted above, is consistent with the intentions of Council’s planning controls and represents a form of development contemplated by the relevant statutory and non-statutory controls applying to the land.
For these reasons, it is considered that the proposal is satisfactory having regard to the matters of consideration under Section 4.15 of the Environmental Planning and Assessment Act 1979, and the development may be approved subject to conditions
Consultation:
There are no consultation processes for Council associated with this report.
Financial Implications:
There are no financial implications for Council associated with this report.
Policy Implications:
There are no policy implications for Council associated with this report.
Communication / Publications:
The final outcome of this matter will be notified. The objectors will also be notified in writing of the outcome.
1. That the Clause 4.6 variation request to contravene the minimum lot size requirement for a detached secondary dwelling under Clause 53(2)(a) development standard, pursuant to the SEPP (Housing) 2021, be supported.
2. That Development Application No. DA2025/0398 for the demolition of existing structures and construction of a detached two storey dual Occupancy with Torrens Title subdivision and a secondary dwelling to the rear of each lot pursuant to the State Environmental Planning Policy (Housing) 2021 on land at 66 Irrigation Road MERRYLANDS NSW 2160 be Approved subject to conditions listed in the attached schedule.
3. Persons whom have lodged a submission in respect to the application be notified of the determination of the application.
Attachments
1. Draft Notice of Determination
3. Clause 4.6 Variation Report
4. Appendix A - Cumberland LEP 2021 Assessment
DOCUMENTS
ASSOCIATED WITH
REPORT ELPP026/25
Attachment 1
Draft Notice of Determination
DOCUMENTS
ASSOCIATED WITH
REPORT ELPP026/25
Attachment 4
Appendix A - Cumberland LEP 2021 Assessment
DOCUMENTS
ASSOCIATED WITH
REPORT ELPP026/25
Attachment 5
Appendix B - Cumberland DCP 2021 Assessment